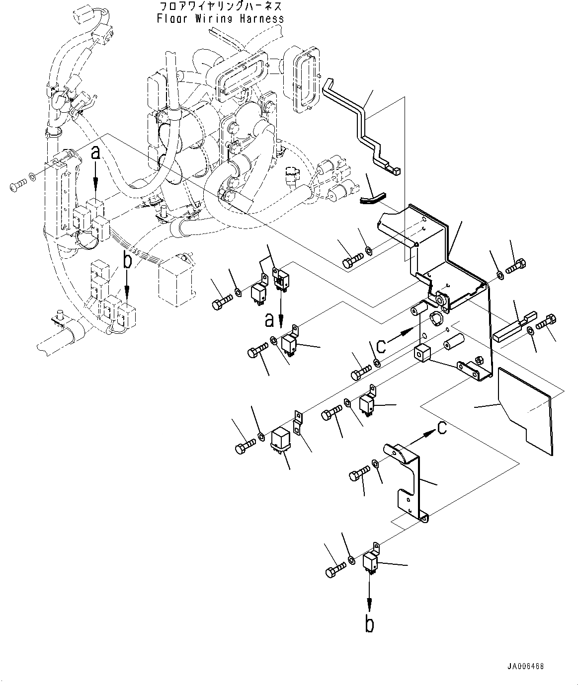
Запчасти Komatsu D65PX-17 КАБИНА ROPS, ПРОВОДКА КРЕПЛЕНИЕ (/) (№-) КАБИНА ROPS, С AM-FM STEREO РАДИО С AUX ФИКСИР., ЕСКАНАТ И ASIA

Схема запчастей Komatsu D65PX-17 - КАБИНА ROPS, ПРОВОДКА КРЕПЛЕНИЕ (/) (№-) КАБИНА ROPS, С AM-FM STEREO РАДИО С AUX ФИКСИР., ЕСКАНАТ И ASIA
8
13
10
11
11
10
9
12
10
11
8
10
11
10
11
8
6
7
8
10
11
6
7
2
3
1
7
6
7
6
4
5
FIT
1:1
100%

Артикул

Название

Примечание

Количество

1

14X-06-63770

Bracket

SN: 1001-UP

1шт.

2

12Y-978-2160

Seal

SN: 1001-UP

1шт.

3

17A-06-51521

Seal

SN: 1001-UP

1шт.

4

17A-06-51530

Seal

SN: 1001-UP

1шт.

5

17A-06-51721

Seal

SN: 1001-UP

1шт.

6

01010-D0825

Bolt

SN: 1001-UP

4шт.

7

01643-70823

Washer

SN: 1001-UP

4шт.

8

7861-74-5100

Relay

SN: 1001-UP

6шт.

9

569-06-61970

Relay

SN: 1001-UP

1шт.

10

01010-80616

Bolt

SN: 1001-UP

7шт.

11

01643-30623

Washer

SN: 1001-UP

7шт.

12

287-06-16420

Bracket

SN: 1001-UP

1шт.

13

14X-06-61151

Bracket

SN: 1001-UP

1шт.

Выбрано товаров: 13