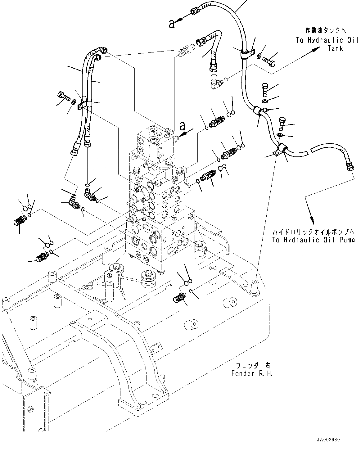
Запчасти Komatsu D65PX-17 КРЫЛО, УПРАВЛЯЮЩ. КЛАПАН ГИДРАВЛИКА РУЛ. УПРАВЛЕНИЯ (№-) КРЫЛО, ЗАДН. -НАВЕСН. ОБОРУД, АККУМУЛЯТОР, PPC ТРУБЫ, D MACHINE УПРАВЛ-Е ЗАГЛУШКА И PLAY

Схема запчастей Komatsu D65PX-17 - КРЫЛО, УПРАВЛЯЮЩ. КЛАПАН ГИДРАВЛИКА РУЛ. УПРАВЛЕНИЯ (№-) КРЫЛО, ЗАДН. -НАВЕСН. ОБОРУД, АККУМУЛЯТОР, PPC ТРУБЫ, D MACHINE УПРАВЛ-Е ЗАГЛУШКА И PLAY
12
15
14
13
33
33
32
31
30
29
28
27
26
25
24
23
22
21
20
19
18
17
16
11
10
9
8
3
2
1
7
30
30
32
31
31
33
32
7
6
5
4
11
10
9
8
12
13
14
15
FIT
1:1
100%

Артикул

Название

Примечание

Количество

1

14X-62-53531

Elbow

SN: 1001-UP

1шт.

2

201-60-11390

O-ring

SN: 1001-UP

1шт.

3

20Y-62-19560

O-ring

SN: 1001-UP

1шт.

4

14X-62-54960

Elbow

SN: 1001-UP

1шт.

5

201-60-11390

O-ring

SN: 1001-UP

1шт.

6

20Y-62-19560

O-ring

SN: 1001-UP

1шт.

7

07002-11423

O-ring

SN: 1001-UP

2шт.

8

14X-62-53541

Elbow

SN: 1001-UP

2шт.

9

201-60-11390

O-ring

SN: 1001-UP

1шт.

10

20Y-62-19560

O-ring

SN: 1001-UP

1шт.

11

07002-11423

O-ring

SN: 1001-UP

2шт.

12

14X-62-53541

Elbow

SN: 1001-UP

2шт.

13

201-60-11390

O-ring

SN: 1001-UP

1шт.

14

20Y-62-19560

O-ring

SN: 1001-UP

1шт.

15

07002-11423

O-ring

SN: 1001-UP

2шт.

16

02782-10210

Elbow

SN: 1001-UP

1шт.

17

07002-11423

O-ring

SN: 1001-UP

1шт.

18

02896-11008

O-ring

SN: 1001-UP

1шт.

19

02782-10210

Elbow

SN: 1001-UP

1шт.

20

07002-11423

O-ring

SN: 1001-UP

1шт.

21

02896-11008

O-ring

SN: 1001-UP

1шт.

22

14X-62-52521

Hose

SN: 1001-UP

1шт.

23

02764-00205

Hose, Face Seal Type

SN: 1001-UP

1шт.

24

02764-00204

Hose, Face Seal Type

SN: 1001-UP

1шт.

25

02762-00303

Hose, Face Seal Type

SN: 1001-UP

1шт.

26

04434-51212

Clip

SN: 1001-UP

1шт.

27

21T-72-23260

Clip

SN: 1001-UP

1шт.

28

01010-81225

Bolt

SN: 1001-UP

1шт.

29

01643-31232

Washer

SN: 1001-UP

1шт.

30

04434-51712

Clip

SN: 1001-UP

3шт.

31

07095-20211

Cushion

SN: 1001-UP

3шт.

32

01010-81220

Bolt

SN: 1001-UP

3шт.

33

01643-31232

Washer

SN: 1001-UP

3шт.

Выбрано товаров: 33