Запчасти Komatsu D65WX-15 КРЫЛО (ГИДР. БАК.)(№7-) ЧАСТИ КОРПУСА

Схема запчастей Komatsu D65WX-15 - КРЫЛО (ГИДР. БАК.)(№7-) ЧАСТИ КОРПУСА
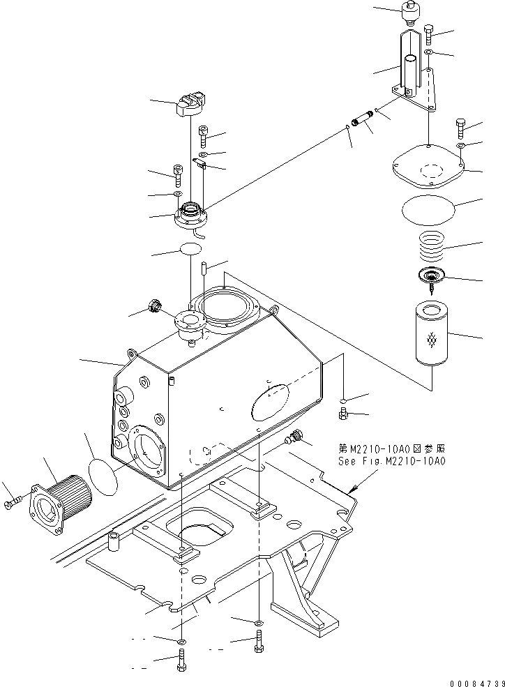
1
2
3
4
5
6
7
8
9
10
11
12
13
14
15
16
17
18
19
20
21
22
23
24
25
26
27
28
29
30
31
32
32
33
33
FIT
1:1
100%

Артикул

Название

Примечание

Количество

1

14X-60-31121

TANK

SN: 67001-UP

1шт.

2

20N-60-11143

GAUGE

SN: 67001-UP

1шт.

2

20N-60-11181

GASKET

SN: 67001-UP

1шт.

3

195-49-31280

VALVE

SN: 67001-UP

1шт.

4

07092-01000

CAP

SN: 67030-UP

1шт.

4

07051-00005

GASKET

SN: 67030-UP

1шт.

5

07000-12070

O-RING

SN: 67030-UP

1шт.

6

01252-70525

BOLT

SN: 67001-UP

6шт.

7

01601-20513

WASHER

SN: 67001-UP

6шт.

8

04020-00514

PIN

SN: 67001-UP

1шт.

9

14X-60-31522

FILLER

SN: 67030-UP

1шт.

10

14X-60-31540

COVER

SN: 67030-UP

1шт.

11

01252-70512

BOLT

SN: 67030-UP

2шт.

12

01601-20513

WASHER

SN: 67030-UP

2шт.

13

17A-60-11121

STRAINER

SN: 67001-UP

1шт.

14

07000-12135

O-RING

SN: 67001-UP

1шт.

15

01224-40616

SCREW

SN: 67001-UP

2шт.

16

14X-60-31150

ELEMENT

SN: 67001-UP

1шт.

17

21W-60-41170

VALVE ASS'Y

SN: 67001-UP

1шт.

18

198-49-11460

SPRING

SN: 67001-UP

1шт.

19

14X-60-31163

PLATE

SN: 67001-UP

1шт.

20

07000-15195

O-RING

SN: 67001-UP

1шт.

21

07040-12412

PLUG

SN: 67001-UP

1шт.

22

07002-12434

O-RING

SN: 67001-UP

1шт.

23

07000-12012

O-RING

SN: 67030-UP

1шт.

24

14X-60-31580

SLEEVE

SN: 67030-UP

1шт.

25

07000-12010

O-RING

SN: 67030-UP

1шт.

26

14X-60-31531

BRACKET

SN: 67030-UP

1шт.

27

195-60-51550

BREATHER

SN: 67030-UP

1шт.

27

421-60-35170

ELEMENT

SN: 67030-UP

1шт.

28

01010-81030

BOLT

SN: 67030-UP

1шт.

29

01643-31032

WASHER

SN: 67030-UP

1шт.

30

01010-81040

BOLT

SN: 67030-UP

3шт.

31

01643-31032

WASHER

SN: 67030-UP

3шт.

32

01010-81650

BOLT

SN: 67001-UP

4шт.

33

01643-31645

WASHER

SN: 67001-UP

4шт.

Выбрано товаров: 36