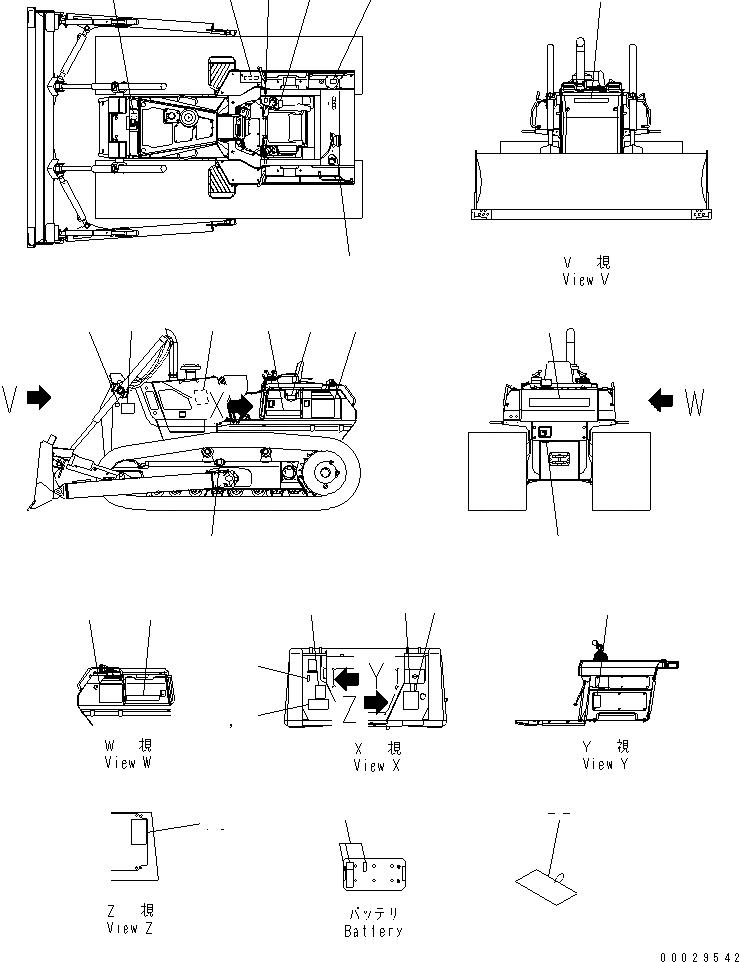
Запчасти Komatsu D65WX-15 МАРКИРОВКА (АНГЛ.) (ДЛЯ США) (ДЛЯ ОТВАЛ С ПЕРЕКОСОМ) МАРКИРОВКА

Схема запчастей Komatsu D65WX-15 - МАРКИРОВКА (АНГЛ.) (ДЛЯ США) (ДЛЯ ОТВАЛ С ПЕРЕКОСОМ) МАРКИРОВКА
1
2
3
3
4
5
6
6
7
8
9
10
11
12
13
14
15
16
17
18
19
20
21
22
23
24
25
26
FIT
1:1
100%

Артикул

Название

Примечание

Количество

1

09690-F0560

PLATE, MARK,KOMATSU

SN: 67001-UP

1шт.

2

09690-P1000

PLATE, MARK,KOMATSU

SN: 67001-UP

1шт.

3

09690-P0560

PLATE, MARK,SIDE

SN: 67001-UP

2шт.

4

09690-M0063

PLATE, MARK,KOMATSU

SN: 67001-UP

1шт.

5

14X-98-32711

OIL CHART

SN: 67001-UP

1шт.

6

14X-98-11170

PLATE, OPERATING,LOCK

SN: 67001-UP

2шт.

7

09669-0000E

PLATE, CAUTION,DIESEL FUEL INLET

SN: 67001-UP

1шт.

8

0

PLATE, NAME,(LIMITED SUPPLY)

SN: 67001-UP

1шт.

9

04418-13060

SCREW

SN: 67001-UP

4шт.

10

17A-98-11180

PLATE,HORN

SN: 67001-UP

1шт.

11

14X-98-33310

PLATE MARK

SN: 67001-UP

1шт.

12

14X-98-33320

PLATE MARK

SN: 67001-UP

1шт.

13

14X-98-11270

PLATE, OPERATING,WORK EQUIP.LEVER (PITCH DOZER)

SN: 67001-UP

1шт.

14

09653-03001

PLATE, SAFETY,HOT OIL HAZARD, HYD. TANK CAP

SN: 67001-UP

1шт.

15

09668-03001

PLATE, SAFETY,HOT WATER HAZARD, RADIATOR CAP

SN: 67001-UP

1шт.

16

09654-33001

PLATE, SAFETY,BEFORE LEAVING OPERATOR'S SEAT

SN: 67001-UP

1шт.

17

09657-03003

PLATE, SAFETY,ADJUSTMENT OF TRACK TENSION

SN: 67001-UP

2шт.

18

09651-03001

PLATE, SAFETY,READ MANUAL BEFORE OPRATING

SN: 67001-UP

1шт.

19

09802-13000

PLATE, SAFETY,BEFORE MOVING IN REVERSE

SN: 67001-UP

1шт.

20

09812-13000

PLATE, SAFETY,KEEP A SAFE DISTANCE

SN: 67001-UP

2шт.

21

09667-03001

PLATE, SAFETY,KEEP AWAY FAN AND FAN-BELT

SN: 67001-UP

2шт.

22

09963-03001

TAG,DO NOT OPERATE

SN: 67001-UP

1шт.

23

09808-03000

PLATE, SAFETY,ELECTRIC SHOCK FROM CABLE

SN: 67001-UP

1шт.

24

09664-30000

PLATE, SAFETY,BATTERY

SN: 67001-UP

2шт.

25

14X-98-31560

PLATE,PRESSURE TEST

SN: 67001-UP

1шт.

26

134-98-71410

PLATE,LOCK

SN: 67001-UP

2шт.

Выбрано товаров: 26