Запчасти Komatsu D65WX-15E0 ДВИГАТЕЛЬ ЭЛЕКТРОПРОВОДКА (ДВИГАТЕЛЬ ЭЛЕКТРОПРОВОДКА /)(№99-) КОМПОНЕНТЫ ДВИГАТЕЛЯ

Схема запчастей Komatsu D65WX-15E0 - ДВИГАТЕЛЬ ЭЛЕКТРОПРОВОДКА (ДВИГАТЕЛЬ ЭЛЕКТРОПРОВОДКА /)(№99-) КОМПОНЕНТЫ ДВИГАТЕЛЯ
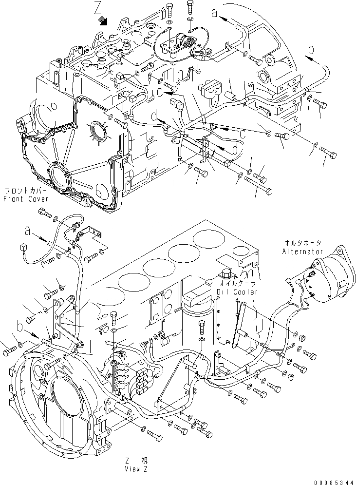
1
2
3
4
5
6
7
8
9
10
11
12
12
13
13
14
15
16
17
18
19
20
21
22
23
24
25
26
27
27
28
28
29
30
FIT
1:1
100%

Артикул

Название

Примечание

Количество

1

600-051-2060

CLIP

SN: 69001-UP

1шт.

2

01010-81020

BOLT

SN: 69001-UP

1шт.

3

01643-31032

WASHER

SN: 69001-UP

1шт.

4

600-051-2180

CLIP

SN: 69001-UP

1шт.

5

01010-80816

BOLT

SN: 69109-UP

1шт.

6

01643-30823

WASHER

SN: 69001-UP

1шт.

7

14X-06-35342

BRACKET

SN: 69109-UP

1шт.

8

01010-81255

BOLT

SN: 69001-UP

2шт.

9

01643-31232

WASHER

SN: 69001-UP

2шт.

10

600-051-2160

CLIP

SN: 69001-UP

1шт.

11

600-051-2100

CLIP

SN: 69001-UP

1шт.

12

01010-80816

BOLT

SN: 69001-UP

2шт.

13

01643-30823

WASHER

SN: 69001-UP

2шт.

14

600-051-2160

CLIP

SN: 69001-UP

1шт.

15

01010-81020

BOLT

SN: 69001-UP

1шт.

16

01643-31032

WASHER

SN: 69001-UP

1шт.

17

01643-31032

WASHER

SN: 69001-UP

1шт.

18

600-051-2160

CLIP

SN: 69001-UP

1шт.

19

22D-62-12440

SPACER

SN: 69001-UP

1шт.

20

01010-80855

BOLT

SN: 69001-UP

1шт.

21

01643-30823

WASHER

SN: 69001-UP

1шт.

22

14X-06-35780

BRACKET

SN: 69109-UP

1шт.

23

01010-81225

BOLT

SN: 69109-UP

2шт.

24

01643-31232

WASHER

SN: 69109-UP

2шт.

25

600-051-2160

CLIP

SN: 69001-UP

1шт.

26

600-051-2140

CLIP

SN: 69001-UP

1шт.

27

01010-80816

BOLT

SN: 69001-UP

2шт.

28

01643-30823

WASHER

SN: 69001-UP

2шт.

29

01010-81016

BOLT

SN: 69001-UP

1шт.

30

01643-31032

WASHER

SN: 69001-UP

1шт.

Выбрано товаров: 30