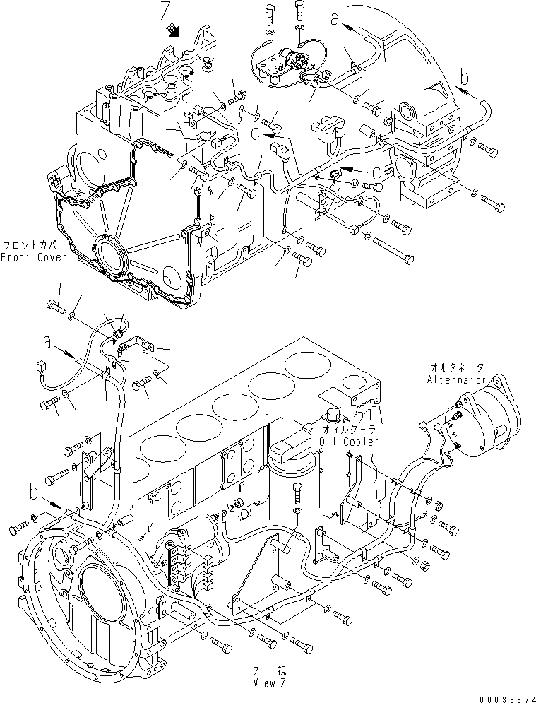
Запчасти Komatsu D65WX-15E0 ДВИГАТЕЛЬ ЭЛЕКТРОПРОВОДКА (ДВИГАТЕЛЬ ЭЛЕКТРОПРОВОДКА /)(№9-98) КОМПОНЕНТЫ ДВИГАТЕЛЯ

Схема запчастей Komatsu D65WX-15E0 - ДВИГАТЕЛЬ ЭЛЕКТРОПРОВОДКА (ДВИГАТЕЛЬ ЭЛЕКТРОПРОВОДКА /)(№9-98) КОМПОНЕНТЫ ДВИГАТЕЛЯ
1
2
3
4
5
6
7
8
9
10
10
11
11
12
13
14
15
15
15
15
16
16
17
17
18
19
20
21
FIT
1:1
100%

Артикул

Название

Примечание

Количество

1

600-051-2100

CLIP

SN: 69001-@

1шт.

2

01010-80816

BOLT

SN: 69001-69108

1шт.

3

01643-30823

WASHER

SN: 69001-69108

1шт.

4

600-051-2100

CLIP

SN: 69001-@

1шт.

5

01010-81016

BOLT

SN: 69001-@

1шт.

6

01643-31032

WASHER

SN: 69001-@

1шт.

7

08193-20010

CLIP

SN: 69001-@

2шт.

8

01010-81025

BOLT

SN: 69001-@

1шт.

9

01643-31032

WASHER

SN: 69001-@

1шт.

10

01010-81016

BOLT

SN: 69001-@

2шт.

11

01643-31032

WASHER

SN: 69001-@

2шт.

12

14X-06-35390

BRACKET

SN: 69001-@

1шт.

13

01010-80820

BOLT

SN: 69001-@

2шт.

14

01643-30823

WASHER

SN: 69001-@

2шт.

15

600-051-2100

CLIP

SN: 69001-@

4шт.

16

01010-80820

BOLT

SN: 69001-@

3шт.

17

01643-30823

WASHER

SN: 69001-@

3шт.

18

04434-51708

CLIP

SN: 69001-@

1шт.

19

07095-20211

CUSHION

SN: 69001-@

1шт.

20

01010-80820

BOLT

SN: 69001-@

1шт.

21

01643-30823

WASHER

SN: 69001-@

1шт.

Выбрано товаров: 21