Запчасти Komatsu D65WX-15E0 ФРОНТАЛЬНАЯ ЗАЩИТА (РАДИАТОР COVER) (ДЛЯ ГЕНЕРАТОРА 90А)(№9-) ЧАСТИ КОРПУСА

Схема запчастей Komatsu D65WX-15E0 - ФРОНТАЛЬНАЯ ЗАЩИТА (РАДИАТОР COVER) (ДЛЯ ГЕНЕРАТОРА 90А)(№9-) ЧАСТИ КОРПУСА
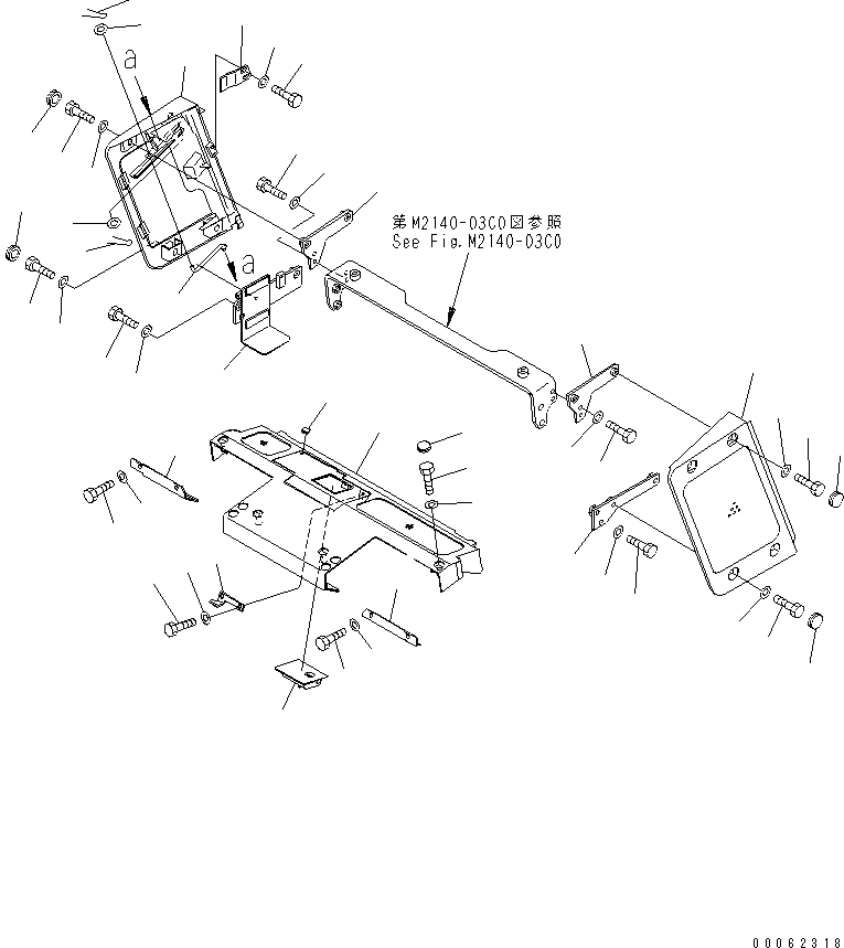
1
2
3
4
5
6
7
8
9
10
11
12
12
13
13
14
15
16
17
18
18
19
19
20
21
22
22
23
23
24
24
24
24
25
26
27
28
29
30
31
32
33
34
35
36
37
37
37
37
FIT
1:1
100%

Артикул

Название

Примечание

Количество

1

14X-54-32171

COVER

SN: 69052-UP

1шт.

2

14X-54-12910

LOCK

SN: 69052-UP

1шт.

3

14X-54-38590

BRACKET

SN: 69052-UP

1шт.

4

01010-81020

BOLT

SN: 69052-UP

2шт.

5

01643-31032

WASHER

SN: 69052-UP

2шт.

6

01010-81245

BOLT

SN: 69052-UP

4шт.

7

01643-31232

WASHER

SN: 69052-UP

4шт.

8

09415-02512

CAP

SN: 69052-UP

8шт.

9

09415-00506

CAP

SN: 69052-UP

1шт.

10

14X-54-35230

BAFFLE

SN: 69052-UP

1шт.

11

14X-54-35240

BAFFLE

SN: 69052-UP

1шт.

12

01010-81020

BOLT

SN: 69052-UP

4шт.

13

01643-31032

WASHER

SN: 69052-UP

4шт.

14

14X-54-38361

COVER,L.H.

SN: 69052-UP

1шт.

|$27

14X-54-39811

COVER ASS'Y,R.H.

SN: 69052-UP

1шт.

15

14X-54-39821

COVER,R.H.

SN: 69052-UP

1шт.

16

14X-54-35940

PLATE

SN: 69052-UP

1шт.

17

14X-54-35951

HOOK

SN: 69052-UP

1шт.

18

01643-30823

WASHER

SN: 69052-UP

2шт.

19

04050-12015

PIN

SN: 69052-UP

2шт.

20

01010-81020

BOLT

SN: 69052-UP

2шт.

21

01643-31032

WASHER

SN: 69052-UP

2шт.

22

01010-81230

BOLT

SN: 69052-UP

4шт.

23

01010-81225

BOLT

SN: 69052-UP

4шт.

24

130-43-64260

COLLAR

SN: 69052-UP

8шт.

25

14X-54-38581

BRACKET,L.H.

SN: 69052-UP

1шт.

26

01010-81235

BOLT

SN: 69052-UP

2шт.

27

01643-31232

WASHER

SN: 69052-UP

2шт.

28

14X-54-39632

BRACKET,R.H.

SN: 69052-UP

1шт.

29

01010-81235

BOLT

SN: 69052-UP

2шт.

30

01643-31232

WASHER

SN: 69052-UP

2шт.

31

14X-54-38571

BRACKET

SN: 69052-UP

1шт.

32

01010-81235

BOLT

SN: 69052-UP

2шт.

33

01643-31232

WASHER

SN: 69052-UP

2шт.

34

14X-54-38851

BRACKET

SN: 69052-UP

1шт.

35

01010-81235

BOLT

SN: 69052-UP

2шт.

36

01643-31232

WASHER

SN: 69052-UP

2шт.

37

09415-03614

CAP

SN: 69052-UP

8шт.

Выбрано товаров: 0