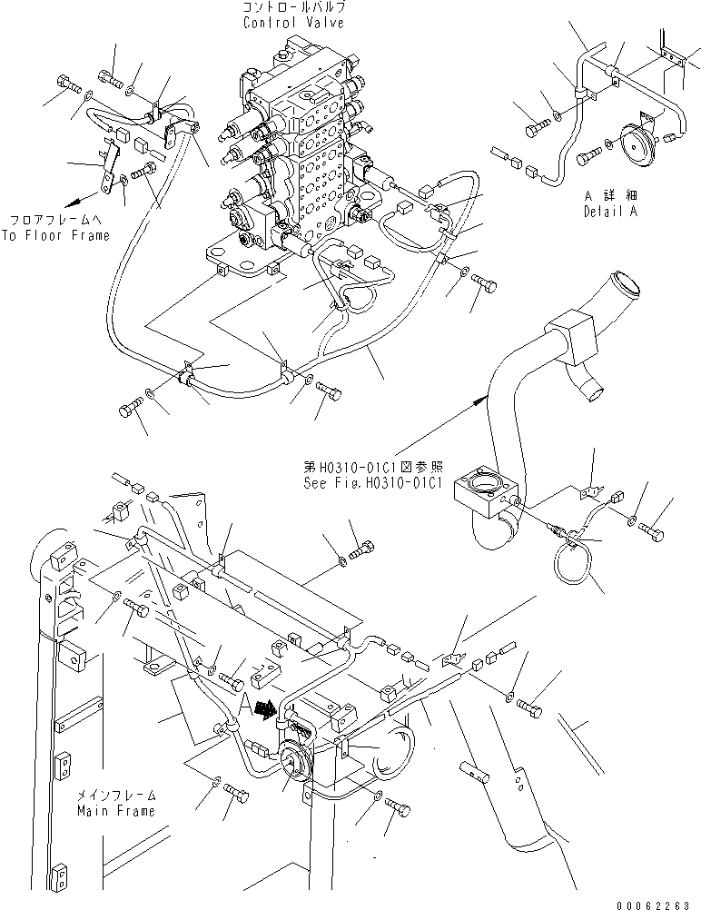
Запчасти Komatsu D65WX-15E0 VEHICLE ЭЛЕКТРОПРОВОДКА (ДЛЯ WAY PAT DOZER) ЭЛЕКТРИКА

Схема запчастей Komatsu D65WX-15E0 - VEHICLE ЭЛЕКТРОПРОВОДКА (ДЛЯ WAY PAT DOZER) ЭЛЕКТРИКА
1
1
2
2
2
2
2
2
3
3
3
3
3
4
4
4
4
4
5
6
7
8
8
9
10
11
12
13
14
15
16
17
18
19
20
21
22
23
24
25
26
27
28
29
30
31
32
33
33
34
35
36
37
38
39
FIT
1:1
100%

Артикул

Название

Примечание

Количество

1

14X-06-31146

WIRING HARNESS

SN: 69029-UP

1шт.

1

14X-06-31145

WIRING HARNESS

SN: 69001-69028

1шт.

2

04434-51410

CLIP

SN: 69001-UP

7шт.

3

01010-81016

BOLT

SN: 69001-UP

7шт.

4

01643-31032

WASHER

SN: 69001-UP

7шт.

5

08053-00910

CLIP

SN: 69001-UP

1шт.

6

01010-81016

BOLT

SN: 69001-UP

1шт.

7

01643-31032

WASHER

SN: 69001-UP

1шт.

8

04434-51008

CLIP

SN: 69001-UP

2шт.

9

01010-80816

BOLT

SN: 69001-UP

1шт.

10

01643-30823

WASHER

SN: 69001-UP

1шт.

11

7861-93-3320

SENSOR

SN: 69001-UP

1шт.

12

08193-20010

CLIP

SN: 69001-UP

1шт.

13

01010-81016

BOLT

SN: 69001-UP

1шт.

14

01643-31032

WASHER

SN: 69001-UP

1шт.

15

08034-20310

BAND

SN: 69001-UP

1шт.

16

14X-06-31320

WIRING HARNESS

SN: 69001-UP

1шт.

17

04434-52110

CLIP

SN: 69001-UP

1шт.

18

07095-20314

CUSHION

SN: 69001-UP

1шт.

19

01010-81016

BOLT

SN: 69001-UP

1шт.

20

01643-31032

WASHER

SN: 69001-UP

1шт.

21

04434-52110

CLIP

SN: 69001-UP

1шт.

22

07095-20314

CUSHION

SN: 69001-UP

1шт.

23

01010-81016

BOLT

SN: 69001-UP

1шт.

24

01643-31032

WASHER

SN: 69001-UP

1шт.

25

04434-51510

CLIP

SN: 69001-UP

1шт.

26

01010-81016

BOLT

SN: 69001-UP

1шт.

27

01643-31032

WASHER

SN: 69001-UP

1шт.

28

04434-51010

CLIP

SN: 69001-UP

1шт.

29

01010-81016

BOLT

SN: 69001-UP

1шт.

30

01643-31032

WASHER

SN: 69001-UP

1шт.

31

21W-60-41310

CLIP

SN: 69001-UP

1шт.

32

20U-60-42150

CLIP

SN: 69001-UP

1шт.

33

08034-40521

BAND

SN: 69001-UP

2шт.

34

14X-06-31450

BRACKET

SN: 69001-UP

1шт.

35

01010-81020

BOLT

SN: 69001-UP

2шт.

36

01643-31032

WASHER

SN: 69001-UP

2шт.

37

14X-06-31460

BRACKET

SN: 69001-UP

1шт.

38

01010-81020

BOLT

SN: 69001-UP

2шт.

39

01643-31032

WASHER

SN: 69001-UP

2шт.

Выбрано товаров: 40