Запчасти Komatsu SAA6D114E-3B-WT ВОЗДУХООЧИСТИТЕЛЬ (LANDFILL СПЕЦ-Я.)(№898-8) ДВИГАТЕЛЬ

Схема запчастей Komatsu SAA6D114E-3B-WT - ВОЗДУХООЧИСТИТЕЛЬ (LANDFILL СПЕЦ-Я.)(№898-8) ДВИГАТЕЛЬ
1
2
3
4
5
6
7
8
9
10
11
12
13
14
14
14
14
15
15
15
15
15
15
16
17
18
19
20
21
22
22
23
24
25
26
27
28
29
30
31
32
32
33
34
35
36
1
2
3
4
5
6
7
8
9
10
11
12
13
14
14
14
14
15
15
15
15
15
15
16
17
18
19
20
21
22
22
23
24
25
26
27
28
29
30
31
32
32
33
34
35
36
FIT
1:1
100%

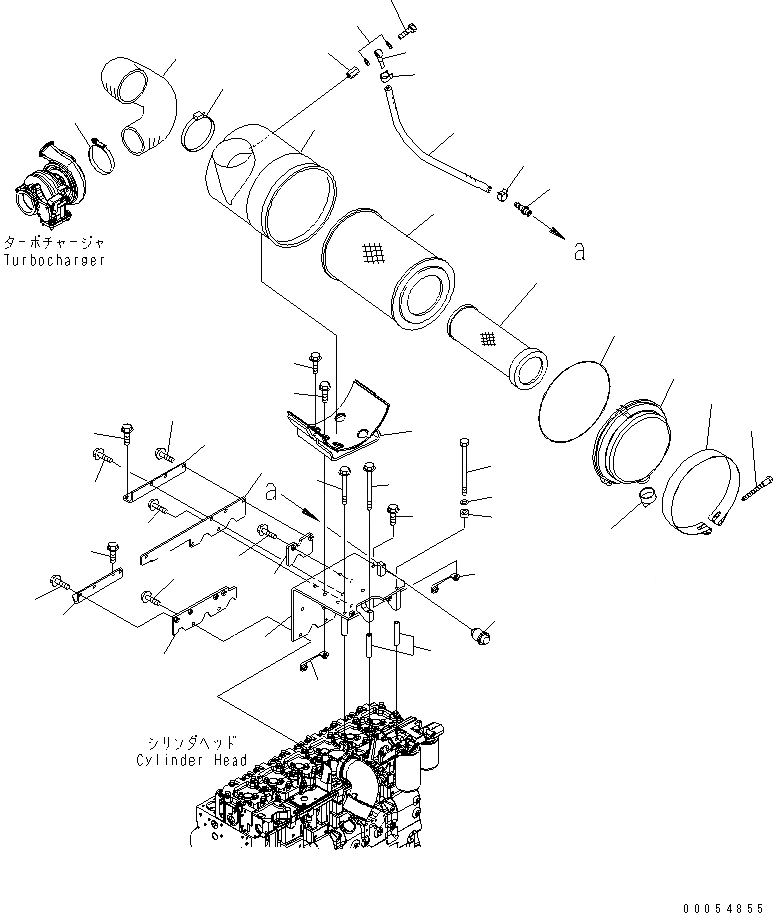
Артикул

Название

Примечание

Количество

|$2

6155-81-7100

AIR CLEANER ASS'Y

SN: 26850928-26864044

1шт.

1

6155-81-7110

BODY

SN: 26850928-26864044

1шт.

|$4

600-185-5100

ELEMENT ASS'Y

SN: 26850928-26864044

1шт.

2

600-185-5110

ELEMENT,OUTER

SN: 26850928-26864044

1шт.

3

0

ELEMENT,INNER

SN: 26850928-26864044

1шт.

4

600-184-1570

O-RING

SN: 26850928-26864044

1шт.

5

600-184-1510

COVER ASS'Y

SN: 26850928-26864044

1шт.

6

600-184-1350

VALVE

SN: 26850928-26864044

1шт.

7

6745-81-7020

HOSE

SN: 26850928-26864044

1шт.

8

07299-00145

CLAMP

SN: 26850928-26864044

1шт.

9

07299-00120

CLAMP

SN: 26850928-26864044

1шт.

10

6155-11-4840

BAND

SN: 26850928-26864044

1шт.

11

6643-11-4641

BOLT

SN: 26850928-26864044

1шт.

12

6745-81-7120

BRACKET

SN: 26850928-26864044

1шт.

13

6745-81-7011

BRACKET

SN: 26850928-26864044

1шт.

14

01435-01030

BOLT

SN: 26850928-26864044

10шт.

15

01435-01025

BOLT

SN: 26850928-26864044

16шт.

16

01435-01035

BOLT

SN: 26850928-26864044

1шт.

17

01436-01010

BOLT

SN: 26850928-26864044

1шт.

18

01436-01060

BOLT

SN: 26850928-26864044

1шт.

19

01643-31032

WASHER

SN: 26850928-26864044

1шт.

20

6165-71-6180

BOLT

SN: 26850928-26864044

1шт.

21

6217-11-9841

SPACER

SN: 26850928-26864044

2шт.

22

6745-81-7110

BRACKET

SN: 26850928-26864044

2шт.

23

6202-83-6780

SPACER

SN: 26850928-26864044

1шт.

24

6745-81-7270

BRACKET

SN: 26850928-26864044

1шт.

25

6745-81-7220

BRACKET

SN: 26850928-26864044

1шт.

26

6745-81-7210

PLATE

SN: 26850928-26864044

1шт.

27

6745-81-7190

PLATE

SN: 26850928-26864044

1шт.

28

6745-81-7180

PLATE

SN: 26850928-26864044

1шт.

29

08672-01000

INDICATOR

SN: 26850928-26864044

1шт.

30

6745-81-7040

HOSE

SN: 26850928-26864044

1шт.

31

6131-81-8820

NIPPLE

SN: 26850928-26864044

1шт.

32

07285-00125

CLIP

SN: 26850928-26864044

2шт.

33

6206-71-1770

JOINT

SN: 26850928-26864044

1шт.

34

07206-30710

BOLT

SN: 26850928-26864044

1шт.

35

6156-81-8990

NIPPLE

SN: 26850928-26864044

1шт.

36

07005-01012

SEAL, WASHER

SN: 26850928-26864044

2шт.

|$2

6155-81-7100

AIR CLEANER ASS'Y

SN: 26850928-26864044

1шт.

1

6155-81-7110

BODY

SN: 26850928-26864044

1шт.

|$4

600-185-5100

ELEMENT ASS'Y

SN: 26850928-26864044

1шт.

2

600-185-5110

ELEMENT,OUTER

SN: 26850928-26864044

1шт.

3

0

ELEMENT,INNER

SN: 26850928-26864044

1шт.

4

600-184-1570

O-RING

SN: 26850928-26864044

1шт.

5

600-184-1510

COVER ASS'Y

SN: 26850928-26864044

1шт.

6

600-184-1350

VALVE

SN: 26850928-26864044

1шт.

7

6745-81-7020

HOSE

SN: 26850928-26864044

1шт.

8

07299-00145

CLAMP

SN: 26850928-26864044

1шт.

9

07299-00120

CLAMP

SN: 26850928-26864044

1шт.

10

6155-11-4840

BAND

SN: 26850928-26864044

1шт.

11

6643-11-4641

BOLT

SN: 26850928-26864044

1шт.

12

6745-81-7120

BRACKET

SN: 26850928-26864044

1шт.

13

6745-81-7011

BRACKET

SN: 26850928-26864044

1шт.

14

01435-01030

BOLT

SN: 26850928-26864044

10шт.

15

01435-01025

BOLT

SN: 26850928-26864044

16шт.

16

01435-01035

BOLT

SN: 26850928-26864044

1шт.

17

01436-01010

BOLT

SN: 26850928-26864044

1шт.

18

01436-01060

BOLT

SN: 26850928-26864044

1шт.

19

01643-31032

WASHER

SN: 26850928-26864044

1шт.

20

6165-71-6180

BOLT

SN: 26850928-26864044

1шт.

21

6217-11-9841

SPACER

SN: 26850928-26864044

2шт.

22

6745-81-7110

BRACKET

SN: 26850928-26864044

2шт.

23

6202-83-6780

SPACER

SN: 26850928-26864044

1шт.

24

6745-81-7270

BRACKET

SN: 26850928-26864044

1шт.

25

6745-81-7220

BRACKET

SN: 26850928-26864044

1шт.

26

6745-81-7210

PLATE

SN: 26850928-26864044

1шт.

27

6745-81-7190

PLATE

SN: 26850928-26864044

1шт.

28

6745-81-7180

PLATE

SN: 26850928-26864044

1шт.

29

08672-01000

INDICATOR

SN: 26850928-26864044

1шт.

30

6745-81-7040

HOSE

SN: 26850928-26864044

1шт.

31

6131-81-8820

NIPPLE

SN: 26850928-26864044

1шт.

32

07285-00125

CLIP

SN: 26850928-26864044

2шт.

33

6206-71-1770

JOINT

SN: 26850928-26864044

1шт.

34

07206-30710

BOLT

SN: 26850928-26864044

1шт.

35

6156-81-8990

NIPPLE

SN: 26850928-26864044

1шт.

36

07005-01012

SEAL, WASHER

SN: 26850928-26864044

2шт.

Выбрано товаров: 76