Запчасти Komatsu SAA6D114E-3B-WT ВОДН. ГИДРОЛИНИЯ (HARD ВОДН. ARRANGE ИЛИ АНТИКОРРОЗ. ЭЛЕМЕНТ)(№88-) ДВИГАТЕЛЬ

Схема запчастей Komatsu SAA6D114E-3B-WT - ВОДН. ГИДРОЛИНИЯ (HARD ВОДН. ARRANGE ИЛИ АНТИКОРРОЗ. ЭЛЕМЕНТ)(№88-) ДВИГАТЕЛЬ
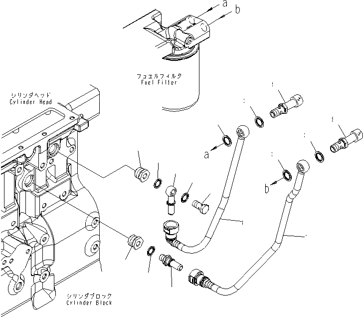
1
1
2
3
3
3
3
4
4
4
5
6
7
8
9
9
1
1
2
3
3
3
3
4
4
4
5
6
7
8
9
9
FIT
1:1
100%

Артикул

Название

Примечание

Количество

1

6745-61-8110

UNION

SN: 26852128-UP

2шт.

2

6732-71-6510

BOLT

SN: 26852128-UP

1шт.

3

6731-74-5910

WASHER

SN: 26852128-UP

4шт.

4

6745-71-1130

WASHER

SN: 26852128-UP

3шт.

5

6745-71-6130

CONNECTOR

SN: 26852128-UP

1шт.

6

6745-61-8120

CONNECTOR

SN: 26852128-UP

1шт.

7

6745-61-8130

TUBE

SN: 26852128-UP

1шт.

8

6745-61-8140

TUBE

SN: 26852128-UP

1шт.

9

6745-61-8150

VALVE

SN: 26852128-UP

2шт.

1

6745-61-8110

UNION

SN: 26852128-UP

2шт.

2

6732-71-6510

BOLT

SN: 26852128-UP

1шт.

3

6731-74-5910

WASHER

SN: 26852128-UP

4шт.

4

6745-71-1130

WASHER

SN: 26852128-UP

3шт.

5

6745-71-6130

CONNECTOR

SN: 26852128-UP

1шт.

6

6745-61-8120

CONNECTOR

SN: 26852128-UP

1шт.

7

6745-61-8130

TUBE

SN: 26852128-UP

1шт.

8

6745-61-8140

TUBE

SN: 26852128-UP

1шт.

9

6745-61-8150

VALVE

SN: 26852128-UP

2шт.

Выбрано товаров: 18