Запчасти Komatsu D65WX-16 КРЫЛО ГРУППА, УПРАВЛЯЮЩ. КЛАПАН ГИДРАВЛИКА РУЛ. УПРАВЛЕНИЯ (№8-) КРЫЛО ГРУППА, ДЛЯ MACHINE С 3-Х СЕКЦИОНН. КЛАПАН ГИДРАВЛS

Схема запчастей Komatsu D65WX-16 - КРЫЛО ГРУППА, УПРАВЛЯЮЩ. КЛАПАН ГИДРАВЛИКА РУЛ. УПРАВЛЕНИЯ (№8-) КРЫЛО ГРУППА, ДЛЯ MACHINE С 3-Х СЕКЦИОНН. КЛАПАН ГИДРАВЛS
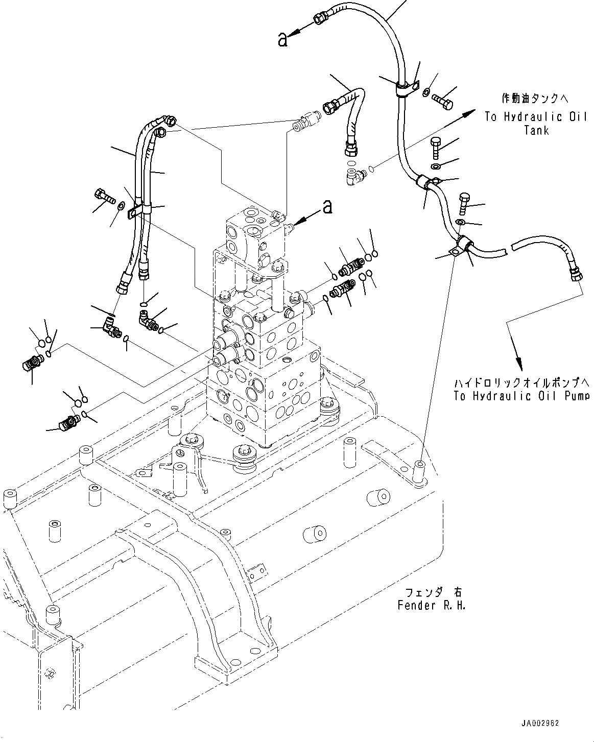
7
6
5
4
11
10
9
8
29
29
28
27
26
25
24
23
22
21
20
19
18
17
16
15
14
13
12
11
10
9
8
3
2
1
7
26
26
28
27
27
29
28
FIT
1:1
100%

Артикул

Название

Примечание

Количество

1

14X-62-53531

Elbow

SN: 80001-UP

1шт.

2

201-60-11390

O-ring

SN: 80001-UP

1шт.

3

20Y-62-19560

O-ring

SN: 80001-UP

1шт.

4

14X-62-54960

Elbow

SN: 80001-UP

1шт.

5

201-60-11390

O-ring

SN: 80001-UP

1шт.

6

20Y-62-19560

O-ring

SN: 80001-UP

1шт.

7

07002-11423

O-ring

SN: 80001-UP

2шт.

8

14X-62-53541

Elbow

SN: 80001-UP

2шт.

9

201-60-11390

O-ring

SN: 80001-UP

1шт.

10

20Y-62-19560

O-ring

SN: 80001-UP

1шт.

11

07002-11423

O-ring

SN: 80001-UP

2шт.

12

02782-10210

Elbow

SN: 80001-UP

1шт.

13

07002-11423

O-ring

SN: 80001-UP

1шт.

14

02896-11008

O-ring

SN: 80001-UP

1шт.

15

02782-10210

Elbow

SN: 80001-UP

1шт.

16

07002-11423

O-ring

SN: 80001-UP

1шт.

17

02896-11008

O-ring

SN: 80001-UP

1шт.

18

14X-62-52521

Hose

SN: 80001-UP

1шт.

19

02764-00205

Hose, Face Seal Type

SN: 80001-UP

1шт.

20

02764-00204

Hose, Face Seal Type

SN: 80001-UP

1шт.

21

02762-00303

Hose, Face Seal Type

SN: 80001-UP

1шт.

22

04434-51212

Clip

SN: 80001-UP

1шт.

23

21T-72-23260

Clip

SN: 80001-UP

1шт.

24

01010-81225

Bolt

SN: 80001-UP

1шт.

25

01643-31232

Washer

SN: 80001-UP

1шт.

26

04434-51712

Clip

SN: 80001-UP

3шт.

27

07095-20211

Cushion

SN: 80001-UP

3шт.

28

01010-81220

Bolt

SN: 80001-UP

3шт.

29

01643-31232

Washer

SN: 80001-UP

3шт.

Выбрано товаров: 29