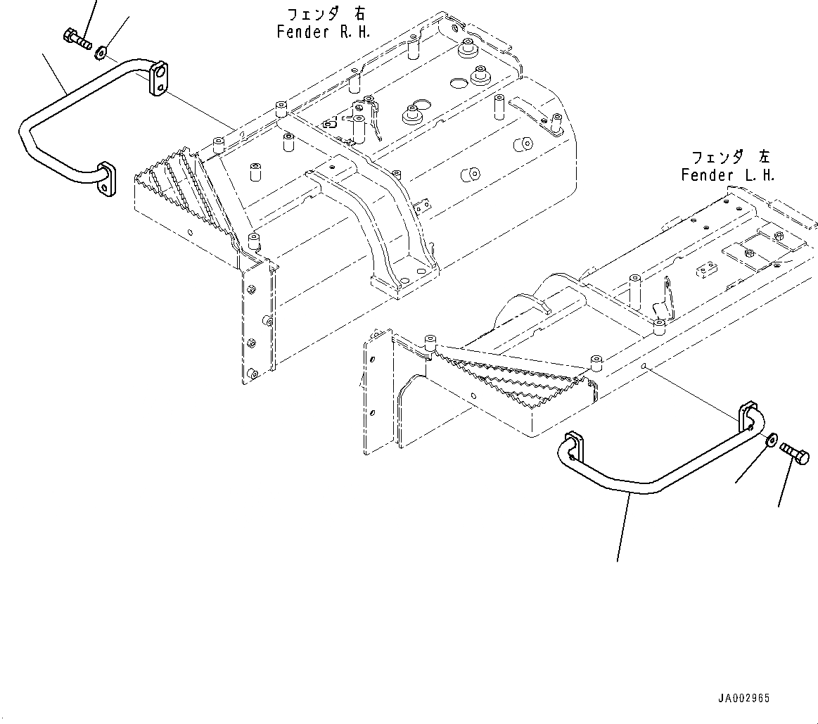
Запчасти Komatsu D65WX-16 КРЫЛО ГРУППА, ПОРУЧНИ(№8-) КРЫЛО ГРУППА, ДЛЯ MACHINE С 3-Х СЕКЦИОНН. КЛАПАН ГИДРАВЛS

Схема запчастей Komatsu D65WX-16 - КРЫЛО ГРУППА, ПОРУЧНИ(№8-) КРЫЛО ГРУППА, ДЛЯ MACHINE С 3-Х СЕКЦИОНН. КЛАПАН ГИДРАВЛS
2
3
4
1
4
3
FIT
1:1
100%

Артикул

Название

Примечание

Количество

1

14X-54-53451

Handle,L.H.

SN: 80001-UP

1шт.

2

14X-54-53540

Handle,R.H.

SN: 80001-UP

1шт.

3

01010-81240

Bolt

SN: 80001-UP

4шт.

4

175-54-34170

Washer

SN: 80001-UP

4шт.

Выбрано товаров: 4