Запчасти Komatsu D65WX-16 СИЛОВАЯ ПЕРЕДАЧА, ПРОВОДКА (№8-) СИЛОВАЯ ПЕРЕДАЧА, БЕЗ ПОВОРОТН. ОТВАЛ С ИЗМ. УГЛОМ DOZER

Схема запчастей Komatsu D65WX-16 - СИЛОВАЯ ПЕРЕДАЧА, ПРОВОДКА (№8-) СИЛОВАЯ ПЕРЕДАЧА, БЕЗ ПОВОРОТН. ОТВАЛ С ИЗМ. УГЛОМ DOZER
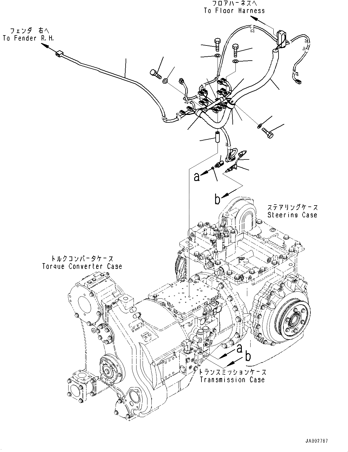
1
2
3
4
5
7
6
8
9
10
11
12
13
14
15
16
17
9
10
5
FIT
1:1
100%

Артикул

Название

Примечание

Количество

|$0

14X-22-50002

Power Train Assembly

SN: 80971-UP

1шт.

|$1

14X-22-50001

Power Train Assembly

SN: 80950-80969

1шт.

|$2

14X-22-50000

Power Train Assembly

SN: 80001-80949

1шт.

1

7861-93-1850

Sensor,Hydraulic Oil Pressure

SN: 80001-UP

1шт.

2

14X-49-51520

Orifice

SN: 80001-UP

1шт.

3

7861-93-3320

Sensor, Temperature

SN: 80001-UP

1шт.

4

04434-50610

Clip

SN: 80001-UP

1шт.

5

14X-06-61111

Wiring Harness

SN: 80950-UP

1шт.

5

14X-06-51111

Wiring Harness

SN: 80001-80949

1шт.

6

155-61-15350

Clip

SN: 80001-UP

1шт.

7

22M-62-13660

Cushion

SN: 80001-UP

1шт.

8

281-01-13180

Clip

SN: 80001-UP

1шт.

9

01010-81020

Bolt

SN: 80001-UP

2шт.

10

01643-31032

Washer

SN: 80001-UP

2шт.

11

561-43-43390

Spacer

SN: 80001-UP

3шт.

12

04434-51910

Clip

SN: 80001-UP

2шт.

13

04434-51010

Clip

SN: 80001-UP

1шт.

14

01011-81010

Bolt

SN: 80001-UP

2шт.

15

01643-31032

Washer

SN: 80001-UP

2шт.

16

01010-81085

Bolt

SN: 80001-UP

1шт.

17

01643-31032

Washer

SN: 80001-UP

1шт.

Выбрано товаров: 21