Запчасти Komatsu D65WX-16 СИЛОВАЯ ПЕРЕДАЧА, ПРОВОДКА КРЕПЛЕНИЕ (№8-899) СИЛОВАЯ ПЕРЕДАЧА, БЕЗ ПОВОРОТН. ОТВАЛ С ИЗМ. УГЛОМ DOZER

Схема запчастей Komatsu D65WX-16 - СИЛОВАЯ ПЕРЕДАЧА, ПРОВОДКА КРЕПЛЕНИЕ (№8-899) СИЛОВАЯ ПЕРЕДАЧА, БЕЗ ПОВОРОТН. ОТВАЛ С ИЗМ. УГЛОМ DOZER
2
3
4
5
6
7
11
12
13
14
15
16
17
18
19
20
21
24
25
26
27
28
29
30
35
36
37
38
39
40
6
7
22
23
13
14
22
23
34
19
19
3
2
1
31
32
33
8
9
10
FIT
1:1
100%

Артикул

Название

Примечание

Количество

|$0

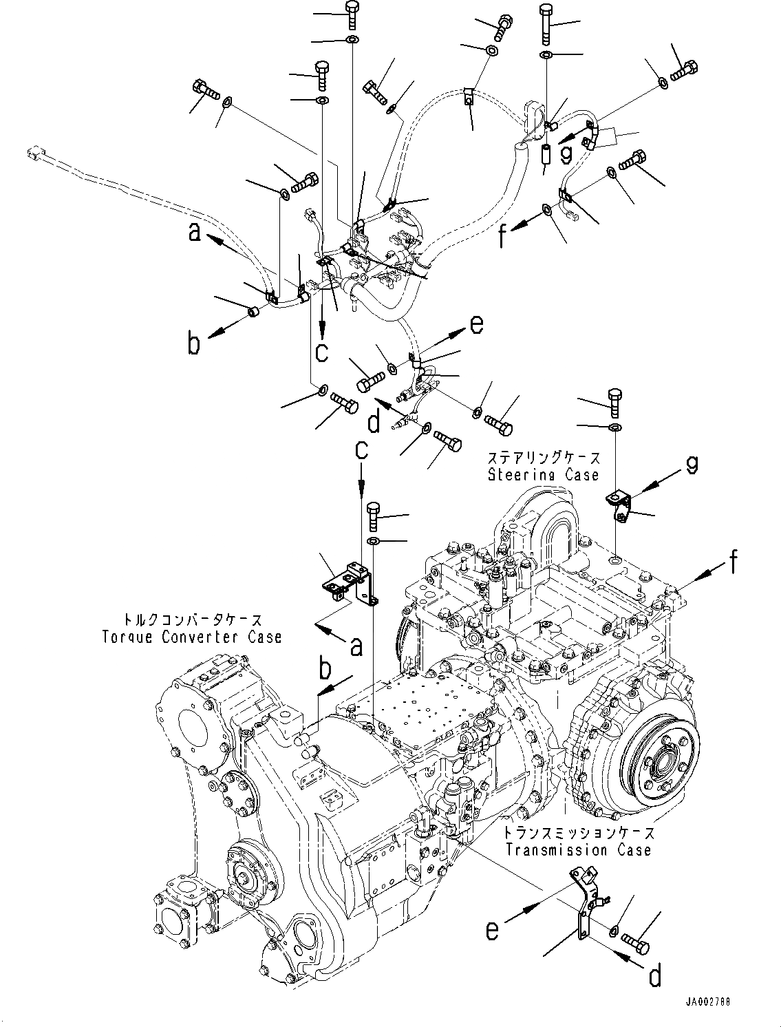
14X-22-50000

Power Train Assembly

SN: 80001-80949

1шт.

1

14X-06-51311

Bracket

SN: 80001-@

1шт.

2

01010-81030

Bolt

SN: 80001-@

2шт.

3

01643-31032

Washer

SN: 80001-@

2шт.

4

04434-51410

Clip

SN: 80001-@

1шт.

5

04434-51010

Clip

SN: 80001-@

1шт.

6

01010-81020

Bolt

SN: 80001-@

2шт.

7

01643-31032

Washer

SN: 80001-@

2шт.

8

14X-06-51321

Bracket

SN: 80001-@

1шт.

9

01010-81025

Bolt

SN: 80001-@

2шт.

10

01643-31032

Washer

SN: 80001-@

2шт.

11

04434-51410

Clip

SN: 80001-80949

1шт.

12

04434-51010

Clip

SN: 80001-@

1шт.

13

01010-81020

Bolt

SN: 80001-80949

2шт.

14

01643-31032

Washer

SN: 80001-80949

2шт.

15

22M-60-22130

Collar

SN: 80001-@

1шт.

16

04434-51410

Clip

SN: 80001-80949

1шт.

17

01010-81035

Bolt

SN: 80001-80949

1шт.

18

01643-31032

Washer

SN: 80001-@

1шт.

19

04434-51010

Clip

SN: 80001-@

3шт.

20

01010-81045

Bolt

SN: 80001-@

1шт.

21

01643-31032

Washer

SN: 80001-@

1шт.

22

01010-81020

Bolt

SN: 80001-@

2шт.

23

01643-31032

Washer

SN: 80001-@

2шт.

24

04434-51012

Clip

SN: 80001-@

1шт.

25

01010-81220

Bolt

SN: 80001-@

1шт.

26

01643-31232

Washer

SN: 80001-@

1шт.

27

14X-54-26640

Collar

SN: 80001-@

1шт.

28

04434-51010

Clip

SN: 80001-@

1шт.

29

01010-81070

Bolt

SN: 80001-@

1шт.

30

01643-31032

Washer

SN: 80001-@

1шт.

31

14X-06-51341

Bracket

SN: 80001-@

1шт.

32

01010-61660

Bolt

SN: 80001-@

1шт.

33

01643-31645

Washer

SN: 80001-@

1шт.

34

04434-51010

Clip

SN: 80001-@

2шт.

35

01010-81020

Bolt

SN: 80001-@

2шт.

36

01643-31032

Washer

SN: 80001-@

2шт.

37

04434-51012

Clip

SN: 80001-@

1шт.

38

01010-81235

Bolt

SN: 80001-@

1шт.

39

01643-31232

Washer

SN: 80001-@

1шт.

40

01643-31232

Washer

SN: 80001-@

1шт.

Выбрано товаров: 41