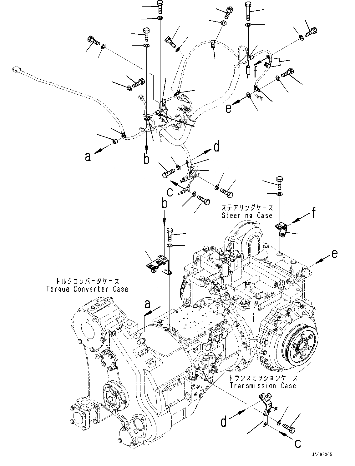
Запчасти Komatsu D65WX-16 СИЛОВАЯ ПЕРЕДАЧА, ПРОВОДКА КРЕПЛЕНИЕ (№89-) СИЛОВАЯ ПЕРЕДАЧА, С ПОВОРОТН. ОТВАЛ С ИЗМ. УГЛОМ DOZER

Схема запчастей Komatsu D65WX-16 - СИЛОВАЯ ПЕРЕДАЧА, ПРОВОДКА КРЕПЛЕНИЕ (№89-) СИЛОВАЯ ПЕРЕДАЧА, С ПОВОРОТН. ОТВАЛ С ИЗМ. УГЛОМ DOZER
2
3
4
5
6
7
11
14
15
16
17
18
19
20
23
24
25
26
27
28
29
34
35
36
37
38
39
6
7
21
22
12
13
21
22
33
18
18
3
2
1
30
31
32
8
9
10
FIT
1:1
100%

Артикул

Название

Примечание

Количество

|$0

14X-22-50002

Power Train Assembly

SN: 80971-UP

1шт.

|$1

14X-22-50001

Power Train Assembly

SN: 80950-80969

1шт.

1

14X-06-51311

Bracket

SN: 80001-UP

1шт.

2

01010-81030

Bolt

SN: 80001-UP

2шт.

3

01643-31032

Washer

SN: 80001-UP

2шт.

4

04434-51410

Clip

SN: 80001-UP

1шт.

5

04434-51010

Clip

SN: 80001-UP

1шт.

6

01010-81020

Bolt

SN: 80001-UP

2шт.

7

01643-31032

Washer

SN: 80001-UP

2шт.

8

14X-06-51321

Bracket

SN: 80001-UP

1шт.

9

01010-81025

Bolt

SN: 80001-UP

2шт.

10

01643-31032

Washer

SN: 80001-UP

2шт.

11

04434-51010

Clip

SN: 80001-UP

1шт.

12

01010-81020

Bolt

SN: 80950-UP

1шт.

13

01643-31032

Washer

SN: 80950-UP

1шт.

14

22M-60-22130

Collar

SN: 80001-UP

1шт.

15

04434-51810

Clip

SN: 80950-UP

1шт.

16

01010-81040

Bolt

SN: 80950-UP

1шт.

17

01643-31032

Washer

SN: 80001-UP

1шт.

18

04434-51010

Clip

SN: 80001-UP

3шт.

19

01010-81045

Bolt

SN: 80001-UP

1шт.

20

01643-31032

Washer

SN: 80001-UP

1шт.

21

01010-81020

Bolt

SN: 80001-UP

2шт.

22

01643-31032

Washer

SN: 80001-UP

2шт.

23

04434-51012

Clip

SN: 80001-UP

1шт.

24

01010-81220

Bolt

SN: 80001-UP

1шт.

25

01643-31232

Washer

SN: 80001-UP

1шт.

26

14X-54-26640

Collar

SN: 80001-UP

1шт.

27

04434-51010

Clip

SN: 80001-UP

1шт.

28

01010-81070

Bolt

SN: 80001-UP

1шт.

29

01643-31032

Washer

SN: 80001-UP

1шт.

30

14X-06-51341

Bracket

SN: 80001-UP

1шт.

31

01010-61660

Bolt

SN: 80001-UP

1шт.

32

01643-31645

Washer

SN: 80001-UP

1шт.

33

04434-51010

Clip

SN: 80001-UP

2шт.

34

01010-81020

Bolt

SN: 80001-UP

2шт.

35

01643-31032

Washer

SN: 80001-UP

2шт.

36

04434-51012

Clip

SN: 80001-UP

1шт.

37

01010-81235

Bolt

SN: 80001-UP

1шт.

38

01643-31232

Washer

SN: 80001-UP

1шт.

39

01643-31232

Washer

SN: 80001-UP

1шт.

Выбрано товаров: 41