Запчасти Komatsu D65WX-16 БАЛКА БАЛАНСИРА И ПОВОРОТН. ШКВОРЕНЬ (№8-) БАЛКА БАЛАНСИРА И ПОВОРОТН. ШКВОРЕНЬ

Схема запчастей Komatsu D65WX-16 - БАЛКА БАЛАНСИРА И ПОВОРОТН. ШКВОРЕНЬ (№8-) БАЛКА БАЛАНСИРА И ПОВОРОТН. ШКВОРЕНЬ
16
18
19
21
33
34
35
36
18
21
18
19
21
33
18
21
34
35
36
43
3
4
9
8
7
2
6
1
9
8
7
6
5
4
3
2
1
5
14
15
14
15
29
17
20
22
23
24
25
26
27
28
29
30
31
32
11
13
10
12
20
40
39
37
13
12
11
10
48
47
46
41
42
41
42
43
44
45
46
47
48
38
39
40
FIT
1:1
100%

Артикул

Название

Примечание

Количество

|$0

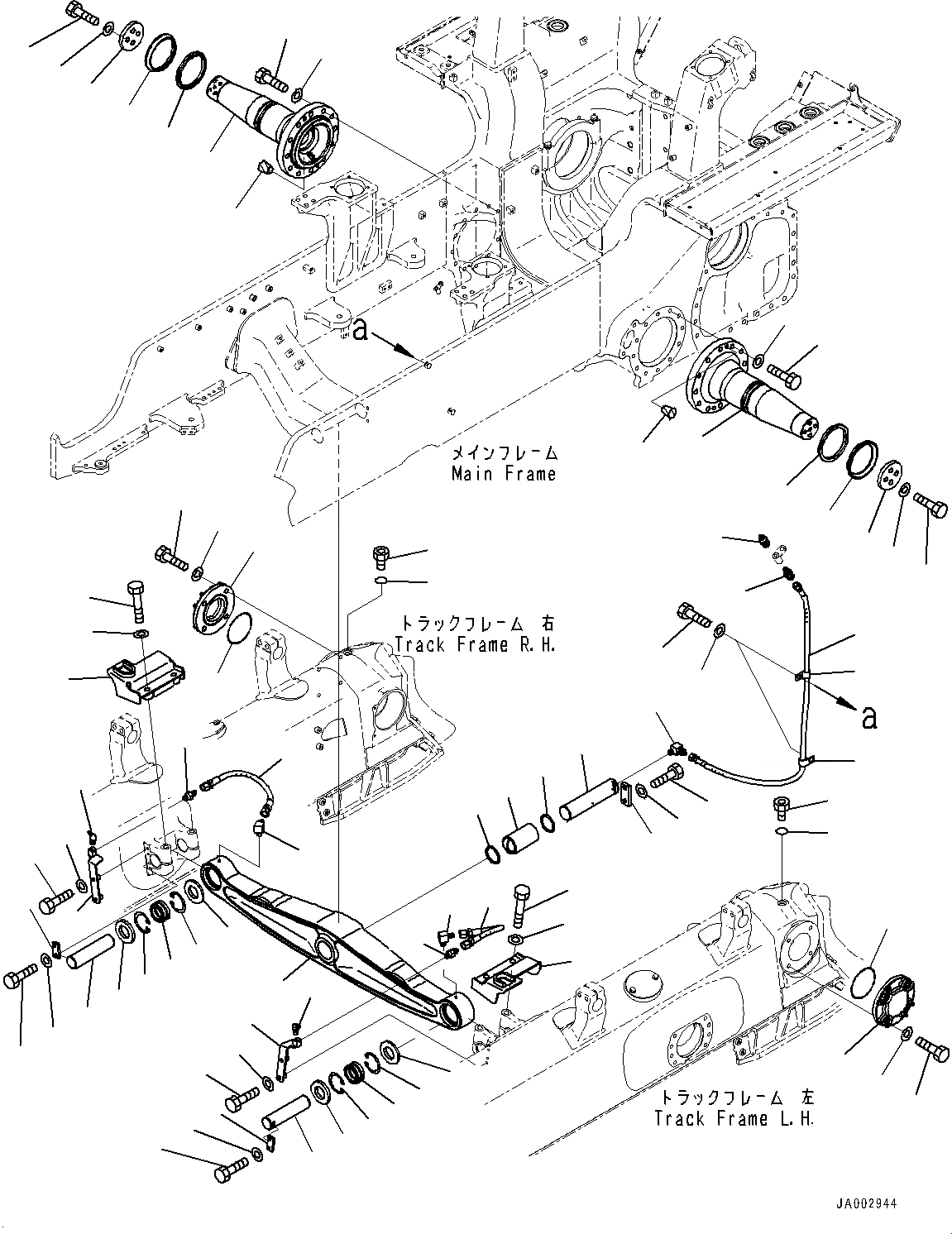
14Y-30-00210

Pivot Shaft Assembly

SN: 80001-UP

2шт.

1

Shaft

SN: 80001-UP

1шт.

2

14Y-30-18160

Ring

SN: 80001-UP

1шт.

3

01010-82075

Bolt

SN: 80001-UP

24шт.

4

01643-32060

Washer

SN: 80001-UP

24шт.

5

07049-02025

Plug

SN: 80001-UP

4шт.

6

14Y-30-18150

Seal

SN: 80001-UP

2шт.

7

14Y-30-18121

Spacer

SN: 80001-UP

2шт.

8

01010-82055

Bolt

SN: 80001-UP

8шт.

9

01643-32060

Washer

SN: 80001-UP

8шт.

10

14Y-30-18111

Cover

SN: 80001-UP

2шт.

11

07000-02145

O-ring

SN: 80001-UP

2шт.

12

01010-82055

Bolt

SN: 80001-UP

8шт.

13

01643-32060

Washer

SN: 80001-UP

8шт.

14

07040-12414

Plug

SN: 80001-UP

2шт.

15

07002-02434

O-ring

SN: 80001-UP

2шт.

|$16

14Y-50-00012

Equalizer Bar Assembly

SN: 80001-UP

1шт.

16

Equalizer Bar

SN: 80001-UP

1шт.

17

14Y-50-11250

Bushing

SN: 80001-UP

1шт.

18

04065-09030

Ring, Snap

SN: 80001-UP

4шт.

19

14Y-50-11460

Bushing

SN: 80001-UP

2шт.

20

130-09-12911

Seal, Dust

SN: 80001-UP

2шт.

21

14Y-50-11323

Seal

SN: 80001-UP

4шт.

22

14Y-50-11240

Pin

SN: 80001-UP

1шт.

23

07020-00000

Fitting, Grease

SN: 80001-UP

1шт.

24

14Y-50-11390

Lock

SN: 80001-UP

1шт.

25

01010-81640

Bolt

SN: 80001-UP

2шт.

26

01643-31645

Washer

SN: 80001-UP

2шт.

27

208-06-11220

Nipple

SN: 80001-UP

1шт.

28

14X-50-51290

Hose Assembly

SN: 80001-UP

1шт.

29

04434-51312

Clip

SN: 80001-UP

2шт.

30

203-62-42920

Elbow

SN: 80001-UP

1шт.

31

01010-81220

Bolt

SN: 80001-UP

1шт.

32

01643-31232

Washer

SN: 80001-UP

1шт.

33

14X-50-51530

Pin

SN: 80001-UP

2шт.

34

04082-00312

Lock

SN: 80001-UP

2шт.

35

01010-81230

Bolt

SN: 80001-UP

4шт.

36

01643-31232

Washer

SN: 80001-UP

4шт.

37

14X-50-51141

Cover

SN: 80001-UP

1шт.

38

14X-50-51151

Cover

SN: 80001-UP

1шт.

39

01011-82055

Bolt

SN: 80001-UP

4шт.

40

01643-32060

Washer

SN: 80001-UP

4шт.

41

14X-50-51181

Hose

SN: 80001-UP

2шт.

42

202-62-21430

Elbow

SN: 80001-UP

2шт.

43

203-62-21740

Nipple

SN: 80001-UP

2шт.

44

14X-50-51121

Bracket

SN: 80001-UP

1шт.

45

14X-50-51131

Bracket

SN: 80001-UP

1шт.

46

01010-81255

Bolt

SN: 80001-UP

4шт.

47

01643-31232

Washer

SN: 80001-UP

4шт.

48

07020-00675

Fitting, Grease

SN: 80001-UP

2шт.

Выбрано товаров: 50