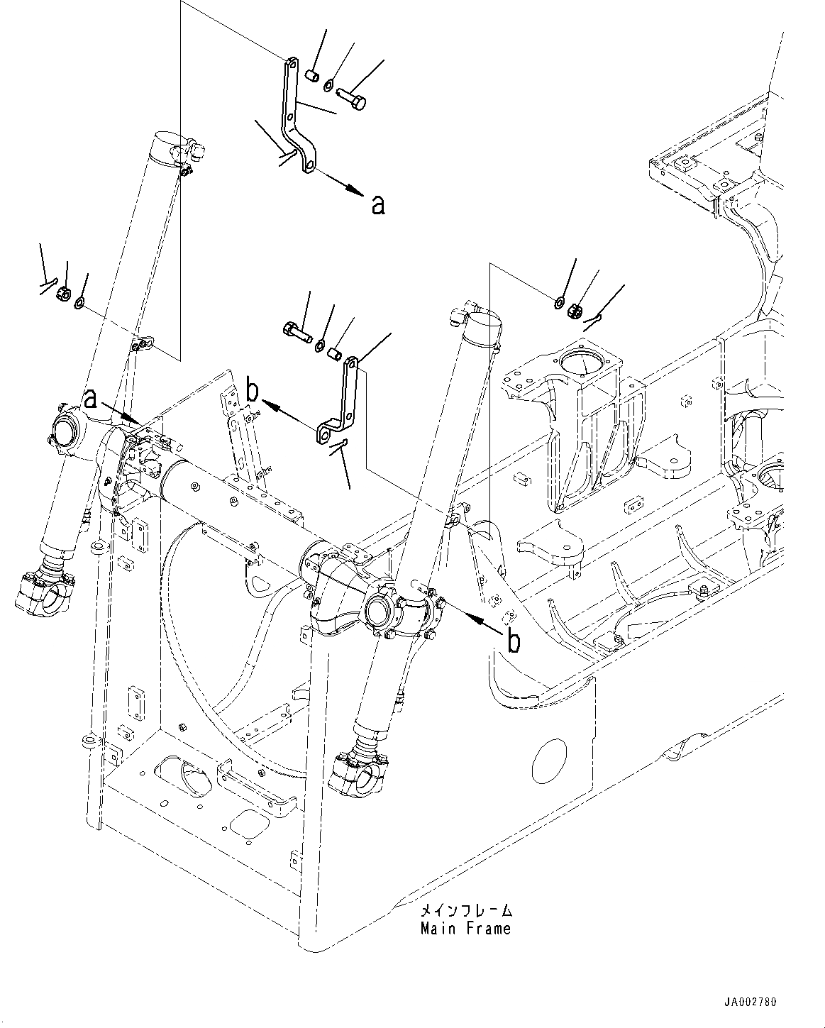
Запчасти Komatsu D65WX-17 DOZER ЦИЛИНДР ПОДЪЕМА ОТВАЛА, КРЕПЛЕНИЕ ЦИЛИНДРА (№-) DOZER ЦИЛИНДР ПОДЪЕМА ОТВАЛА, БЕЗ ПОВОРОТН. ОТВАЛ С ИЗМ. УГЛОМ DOZER, ВНУТР. РАМА

Схема запчастей Komatsu D65WX-17 - DOZER ЦИЛИНДР ПОДЪЕМА ОТВАЛА, КРЕПЛЕНИЕ ЦИЛИНДРА (№-) DOZER ЦИЛИНДР ПОДЪЕМА ОТВАЛА, БЕЗ ПОВОРОТН. ОТВАЛ С ИЗМ. УГЛОМ DOZER, ВНУТР. РАМА
5
7
6
8
1
3
4
2
1
2
4
3
6
7
5
8
FIT
1:1
100%

Артикул

Название

Примечание

Количество

1

14X-54-51271

Bracket

SN: 1001-UP

2шт.

2

423-825-1720

Spacer

SN: 1001-UP

2шт.

3

01012-81250

Bolt

SN: 1001-UP

2шт.

4

01643-31232

Washer

SN: 1001-UP

2шт.

5

04050-13022

Pin, Cotter

SN: 1001-UP

2шт.

6

01643-31232

Washer

SN: 1001-UP

2шт.

7

01590-31215

Nut, Slotted

SN: 1001-UP

2шт.

8

04050-18080

Pin, Cotter

SN: 1001-UP

4шт.

Выбрано товаров: 8