Запчасти Komatsu D65WX-17 ЗАПРАВОЧН.LING НАСОС (№-) ЗАПРАВОЧН.LING НАСОС

Схема запчастей Komatsu D65WX-17 - ЗАПРАВОЧН.LING НАСОС (№-) ЗАПРАВОЧН.LING НАСОС
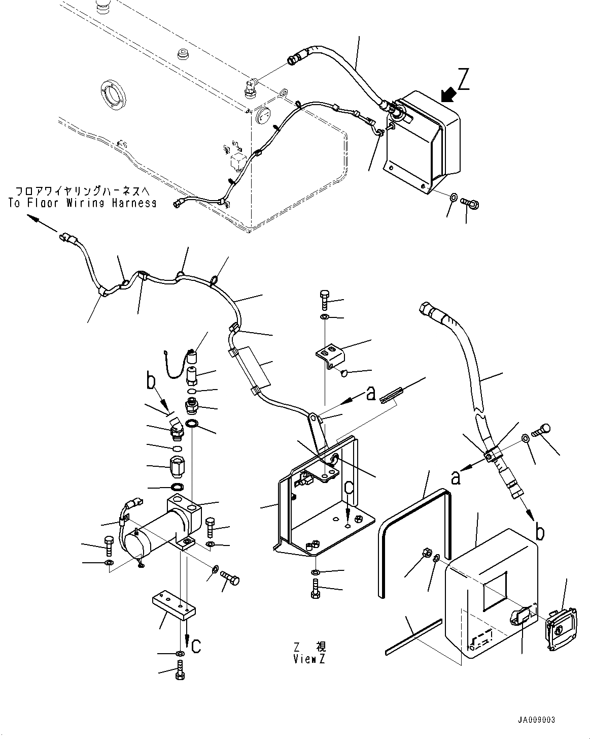
1
2
3
4
5
6
7
8
9
10
11
12
13
14
15
16
17
18
19
20
21
22
23
24
25
26
27
28
30
37
39
42
43
44
32
33
29
31
33
32
34
40
43
44
35
36
1
38
40
40
40
40
40
41
41
41
FIT
1:1
100%

Артикул

Название

Примечание

Количество

1

14X-04-51620

Hose

SN: 1001-UP

1шт.

2

04434-53212

Clip

SN: 1001-UP

1шт.

3

07095-20523

Cushion

SN: 1001-UP

1шт.

4

01010-81225

Bolt

SN: 1001-UP

1шт.

5

01643-31232

Washer

SN: 1001-UP

1шт.

6

14X-04-31510

Pump

SN: 1001-UP

1шт.

7

205-04-K1370

Washer, Seal

SN: 1001-UP

1шт.

8

14X-04-31530

Union

SN: 1001-UP

1шт.

9

208-38-11590

O-ring

SN: 1001-UP

1шт.

10

134-62-63720

Coupling

SN: 1001-UP

1шт.

11

14X-04-31570

Cap

SN: 1001-UP

1шт.

12

205-04-K1370

Washer, Seal

SN: 1001-UP

1шт.

13

14X-04-51441

Union

SN: 1001-UP

1шт.

14

02783-10522

Elbow

SN: 1001-UP

1шт.

15

07002-12434

O-ring

SN: 1001-UP

1шт.

16

02896-11015

O-ring

SN: 1001-UP

1шт.

17

14X-54-53930

Plate

SN: 1001-UP

1шт.

18

01010-80830

Bolt

SN: 1001-UP

2шт.

19

01643-30823

Washer

SN: 1001-UP

2шт.

20

01010-81225

Bolt

SN: 1001-UP

2шт.

21

01643-31232

Washer

SN: 1001-UP

2шт.

|$21

14X-54-53871

Cover Assembly

SN: 1001-UP

1шт.

22

14X-54-54310

Lock

SN: 1001-UP

1шт.

23

14X-54-53950

Sheet

SN: 1001-UP

1шт.

24

14X-54-53940

Seal

SN: 1001-UP

1шт.

25

14X-54-53891

Bracket

SN: 1001-UP

1шт.

26

Cover

SN: 1001-UP

1шт.

27

11Y-54-14220

Hinge,Welded

SN: 1001-UP

2шт.

28

14X-54-53840

Plate

SN: 1001-UP

1шт.

29

14X-54-12960

Stopper

SN: 1001-UP

1шт.

30

01643-30623

Washer

SN: 1001-UP

4шт.

31

01580-10605

Nut

SN: 1001-UP

4шт.

32

01010-81230

Bolt

SN: 1001-UP

4шт.

33

01643-31232

Washer

SN: 1001-UP

4шт.

34

08037-05016

Grommet

SN: 1001-UP

1шт.

35

01010-81225

Bolt

SN: 1001-UP

2шт.

36

01643-31232

Washer

SN: 1001-UP

2шт.

37

14X-06-62980

Wiring Harness

SN: 1001-UP

1шт.

38

08037-01610

Grommet

SN: 1001-UP

1шт.

39

112-860-1360

Grommet

SN: 1001-UP

1шт.

40

08211-00720

Clip

SN: 1001-UP

7шт.

41

08034-40521

Band

SN: 1001-UP

3шт.

42

04434-50808

Clip

SN: 1001-UP

1шт.

43

01010-80816

Bolt

SN: 1001-UP

2шт.

44

01643-30823

Washer

SN: 1001-UP

2шт.

Выбрано товаров: 45