Запчасти Komatsu D65WX-17 СИЛОВАЯ ПЕРЕДАЧА, СИЛОВАЯ ПЕРЕДАЧА - ГИДР. НАСОС. ТРУБЫ (/) (№-) СИЛОВАЯ ПЕРЕДАЧА, БЕЗ ПОВОРОТН. ОТВАЛ С ИЗМ. УГЛОМ DOZER, ВНУТР. РАМА

Схема запчастей Komatsu D65WX-17 - СИЛОВАЯ ПЕРЕДАЧА, СИЛОВАЯ ПЕРЕДАЧА - ГИДР. НАСОС. ТРУБЫ (/) (№-) СИЛОВАЯ ПЕРЕДАЧА, БЕЗ ПОВОРОТН. ОТВАЛ С ИЗМ. УГЛОМ DOZER, ВНУТР. РАМА
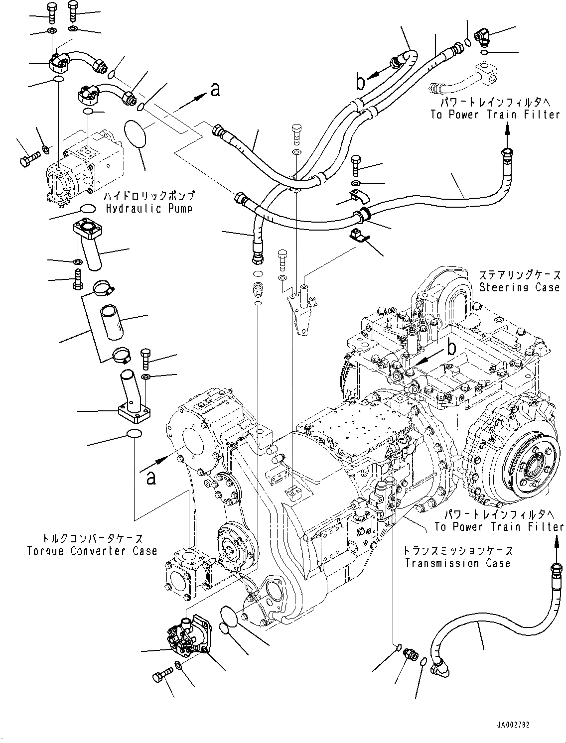
4
5
6
7
8
9
10
11
12
13
14
15
16
17
18
19
3
2
1
35
31
32
38
37
36
35
34
33
31
26
35
35
27
28
29
30
25
20
25
24
23
22
21
20
22
21
FIT
1:1
100%

Артикул

Название

Примечание

Количество

|$0

14X-22-50002

Power Train Assembly

SN: 1469-UP

1шт.

|$1

14X-22-50001

Power Train Assembly

SN: 1001-1468

1шт.

1

07000-72105

O-ring

SN: 1001-UP

1шт.

2

01010-81235

Bolt

SN: 1001-UP

2шт.

3

01643-31232

Washer

SN: 1001-UP

2шт.

4

14X-49-51601

Pump Assembly

SN: 1001-UP

1шт.

5

14X-49-51611

Cover

SN: 1001-UP

1шт.

6

07000-72080

O-ring

SN: 1001-UP

1шт.

7

07000-73038

O-ring

SN: 1001-UP

1шт.

8

01010-81235

Bolt

SN: 1001-UP

3шт.

9

01643-31232

Washer

SN: 1001-UP

3шт.

10

14X-49-51110

Tube

SN: 1001-UP

1шт.

11

07000-72060

O-ring

SN: 1001-UP

1шт.

12

01010-81245

Bolt

SN: 1001-UP

4шт.

13

01643-51232

Washer

SN: 1001-UP

4шт.

14

14X-49-51120

Tube

SN: 1001-UP

1шт.

15

07000-73048

O-ring

SN: 1001-UP

1шт.

16

01010-81245

Bolt

SN: 1001-UP

4шт.

17

01643-51232

Washer

SN: 1001-UP

4шт.

18

07260-24713

Hose

SN: 1001-UP

1шт.

19

07289-00055

Clamp

SN: 1001-UP

2шт.

20

14X-49-51130

Tube

SN: 1001-UP

2шт.

21

07000-73030

O-ring

SN: 1001-UP

2шт.

22

02896-61018

O-ring

SN: 1001-UP

2шт.

23

01010-80845

Bolt

SN: 1001-UP

4шт.

24

01010-80855

Bolt

SN: 1001-UP

4шт.

25

01643-50823

Washer

SN: 1001-UP

8шт.

26

02753-00615

Hose, Face Seal Type

SN: 1001-UP

1шт.

27

14X-49-51330

Hose

SN: 1001-UP

1шт.

28

02781-00628

Union

SN: 1001-UP

1шт.

29

07002-62434

O-ring

SN: 1001-UP

1шт.

30

02896-61018

O-ring

SN: 1001-UP

1шт.

31

07094-10620

Clamp

SN: 1001-UP

2шт.

32

07095-00628

Cushion

SN: 1001-UP

1шт.

33

01010-81265

Bolt

SN: 1001-UP

1шт.

34

01643-31232

Washer

SN: 1001-UP

1шт.

35

14X-49-51161

Hose

SN: 1001-UP

2шт.

36

02781-00628

Union

SN: 1001-UP

1шт.

37

07002-62434

O-ring

SN: 1001-UP

1шт.

38

02896-61018

O-ring

SN: 1001-UP

1шт.

Выбрано товаров: 40