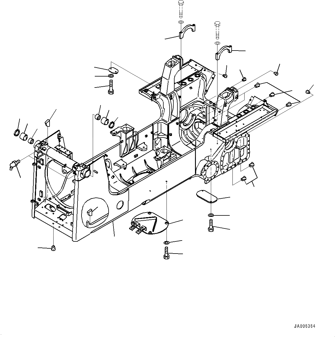
Запчасти Komatsu D65WX-17 ОСНОВН. РАМА (№-) ОСНОВН. РАМА

Схема запчастей Komatsu D65WX-17 - ОСНОВН. РАМА (№-) ОСНОВН. РАМА
4
1
12
13
11
21
20
3
2
9
18
19
17
20
3
2
6
8
7
15
16
14
5
6
4
10
10
5
FIT
1:1
100%

Артикул

Название

Примечание

Количество

1

14X-21-61104

Frame Assembly

SN: 1040-UP

1шт.

1

14X-21-61103

Frame Assembly

SN: 1001-1039

1шт.

2

144-70-15171

Bushing

SN: 1001-UP

2шт.

3

14X-21-51450

Bushing

SN: 1001-UP

2шт.

4

07049-02430

Plug

SN: 1001-UP

18шт.

5

07049-03342

Plug, Cork

SN: 1001-UP

6шт.

6

154-21-71420

Cap

SN: 1001-UP

2шт.

7

07049-01215

Plug

SN: 1001-UP

2шт.

8

14X-03-61950

Seal

SN: 1001-UP

1шт.

9

14X-03-61960

Seal

SN: 1001-UP

1шт.

10

07049-02025

Plug

SN: 1001-UP

2шт.

11

14X-21-51342

Cover

SN: 2101-UP

1шт.

11

14X-21-51341

Cover

SN: 1001-2100

1шт.

12

01010-81235

Bolt

SN: 1001-UP

4шт.

13

01643-31232

Washer

SN: 1001-UP

4шт.

14

14X-21-51371

Cover

SN: 1001-UP

1шт.

15

01010-81225

Bolt

SN: 1001-UP

2шт.

16

01643-31232

Washer

SN: 1001-UP

2шт.

17

14X-21-51361

Cover

SN: 1001-UP

1шт.

18

01010-81230

Bolt

SN: 1001-UP

2шт.

19

01643-31232

Washer

SN: 1001-UP

2шт.

20

130-09-12370

Seal

SN: 1001-UP

2шт.

21

07020-00675

Fitting, Grease

SN: 1001-UP

2шт.

Выбрано товаров: 23