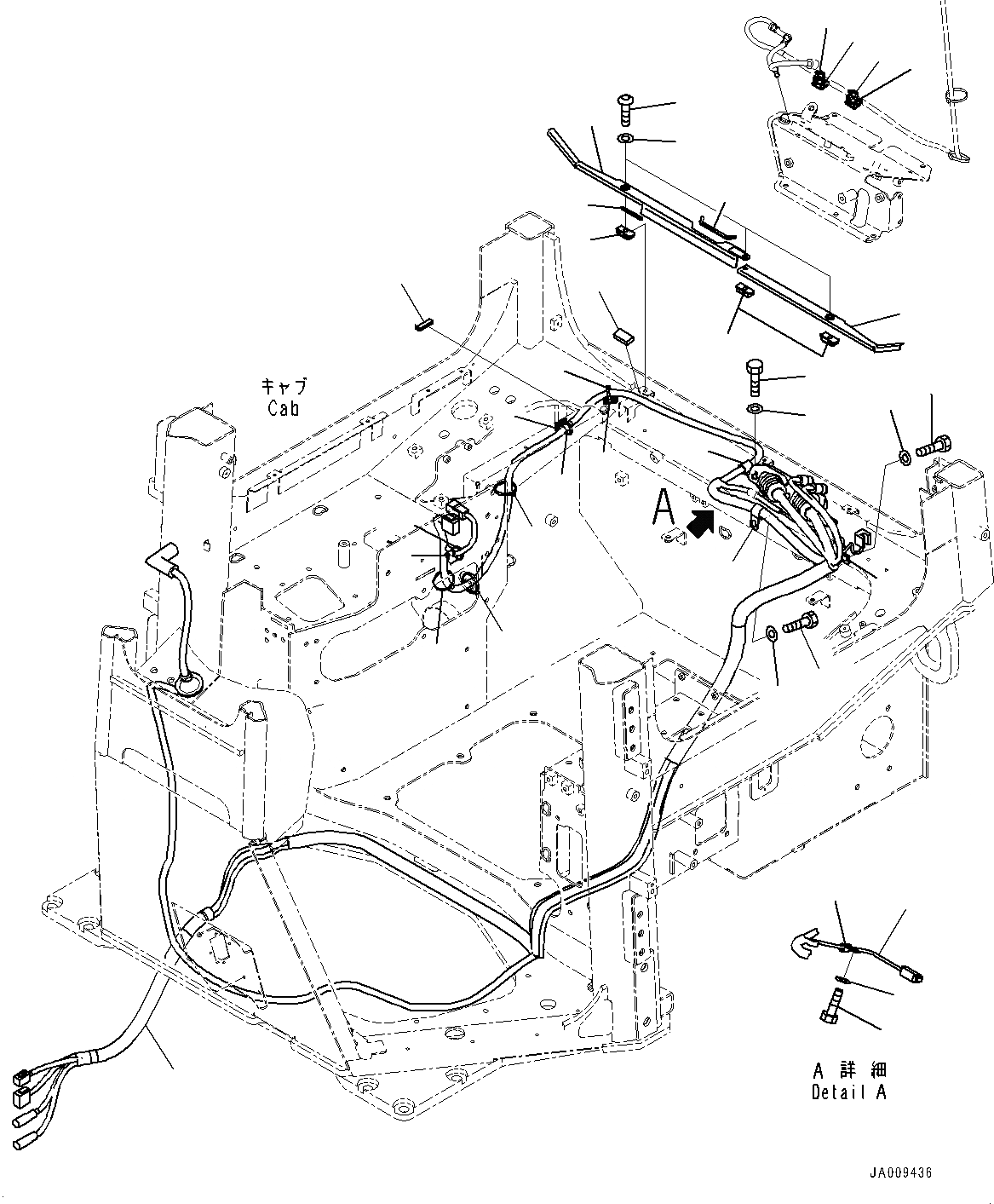
Запчасти Komatsu D65WX-17 КАБИНА ROPS, D MACHINE УПРАВЛ-Е КАБИНА BACK SURROUNDING ЧАСТИ (№-) КАБИНА ROPS, С AM-FM STEREO РАДИО С AUX ФИКСИР., ЕСКАНАТ И ASIA, ДЛЯ СТРАН ЕС НОВ. NOISE ARRANGEMENT , D MACHINE УПРАВЛ-Е ЗАГЛУШКА И PL

Схема запчастей Komatsu D65WX-17 - КАБИНА ROPS, D MACHINE УПРАВЛ-Е КАБИНА BACK SURROUNDING ЧАСТИ (№-) КАБИНА ROPS, С AM-FM STEREO РАДИО С AUX ФИКСИР., ЕСКАНАТ И ASIA, ДЛЯ СТРАН ЕС НОВ. NOISE ARRANGEMENT , D MACHINE УПРАВЛ-Е ЗАГЛУШКА И PL
6
2
3
4
6
5
8
7
10
9
10
9
10
9
14
13
12
15
13
12
16
12
13
12
13
17
18
1
1
11
10
9
10
9
10
10
10
FIT
1:1
100%

Артикул

Название

Примечание

Количество

1

14X-06-61172

Wiring Harness

SN: 1001-UP

1шт.

2

14X-06-53420

Plate

SN: 1001-UP

1шт.

3

14X-06-53430

Plate

SN: 1001-UP

1шт.

4

14X-06-53440

Trim

SN: 1001-UP

1шт.

5

14X-06-53450

Trim

SN: 1001-UP

1шт.

6

14X-06-53250

Bracket

SN: 1001-UP

3шт.

7

01245-00616

Screw

SN: 1001-UP

3шт.

8

01643-70623

Washer

SN: 1001-UP

3шт.

9

20U-54-46520

Hook, Sticker Type

SN: 1001-UP

5шт.

10

08034-20519

Band

SN: 1001-UP

8шт.

11

21W-62-51740

Finisher

SN: 1001-UP

1шт.

12

01010-D1020

Bolt

SN: 1235-UP

4шт.

13

01643-71032

Washer

SN: 1235-UP

4шт.

14

04434-51710

Clip

SN: 1001-UP

1шт.

15

04434-51710

Clip

SN: 1001-UP

1шт.

16

04434-51410

Clip

SN: 1001-UP

1шт.

17

04434-51010

Clip

SN: 1001-UP

1шт.

18

14X-06-53520

Sheet

SN: 1001-UP

1шт.

Выбрано товаров: 18