Запчасти Komatsu D65WX-17 КОНДИЦ. ВОЗДУХА, ГИДР. ПРОВОД. ОБОГРЕВАТЕЛЯ (№-) КОНДИЦ. ВОЗДУХА, БЕЗ HARDENED ШКИВ

Схема запчастей Komatsu D65WX-17 - КОНДИЦ. ВОЗДУХА, ГИДР. ПРОВОД. ОБОГРЕВАТЕЛЯ (№-) КОНДИЦ. ВОЗДУХА, БЕЗ HARDENED ШКИВ
3
23
22
24
26
25
21
20
19
18
17
16
15
14
13
12
11
10
9
8
7
6
5
4
3
2
1
5
7
6
7
7
8
9
9
7
8
7
6
27
FIT
1:1
100%

Артикул

Название

Примечание

Количество

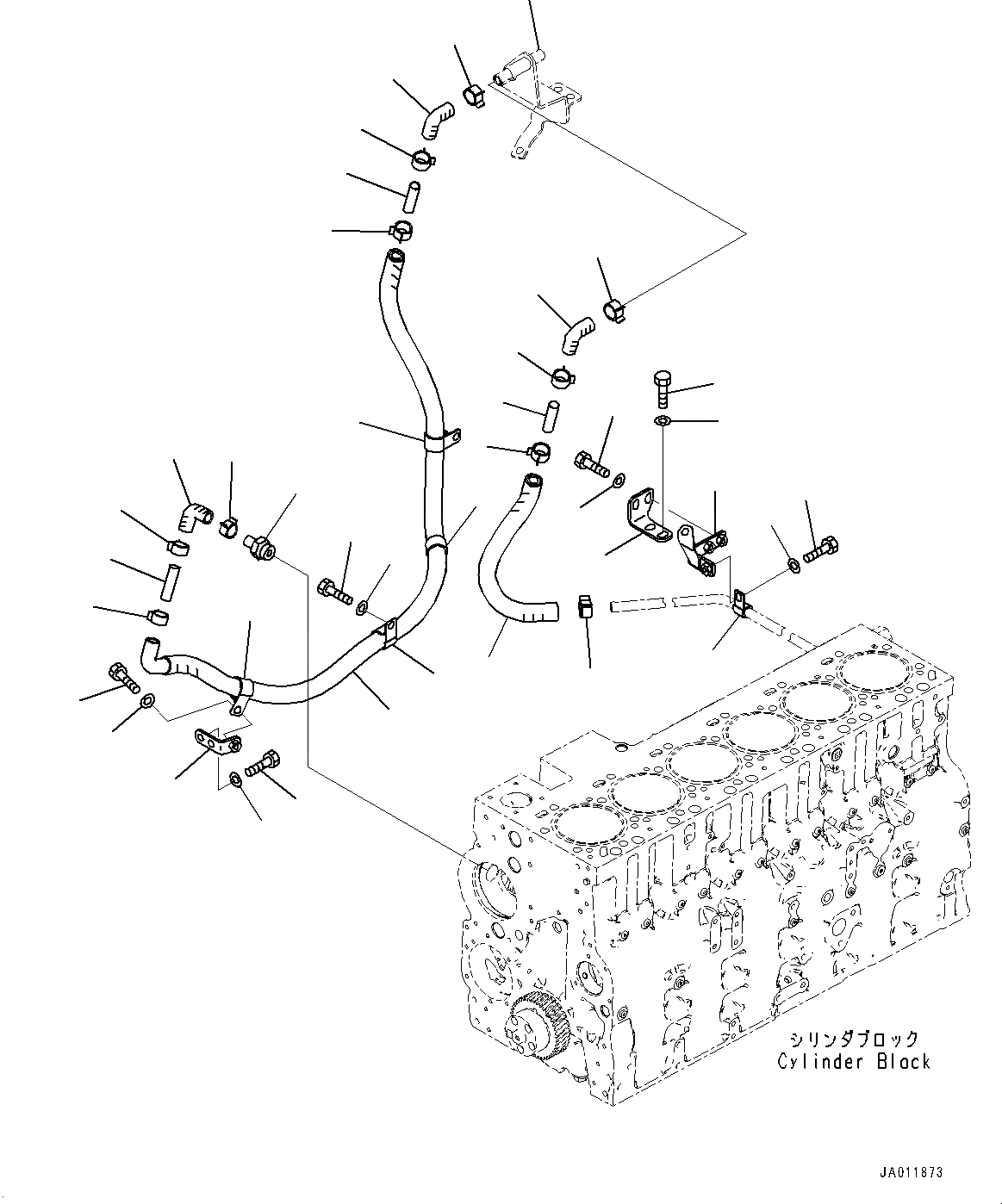
1

14X-Z11-9670

Nipple

SN: 1001-UP

1шт.

2

14X-Y11-1421

Hose

SN: 1001-UP

1шт.

3

09479-02400

Clip

SN: 1001-UP

2шт.

4

14X-Y11-3431

Hose

SN: 1001-UP

1шт.

5

09479-02400

Clip

SN: 1001-UP

2шт.

6

567-07-15210

Hose

SN: 1001-UP

3шт.

7

09479-02400

Clip

SN: 1001-UP

6шт.

8

09484-00560

Connector

SN: 1001-UP

3шт.

9

08036-93014

Clip

SN: 1001-UP

3шт.

10

01010-81020

Bolt

SN: 1001-UP

3шт.

11

01643-31032

Washer

SN: 1001-UP

3шт.

12

14X-Y11-3440

Bracket

SN: 1001-UP

1шт.

13

01010-81020

Bolt

SN: 1001-UP

2шт.

14

01643-31032

Washer

SN: 1001-UP

2шт.

15

08036-93014

Clip

SN: 1001-UP

1шт.

16

01010-81020

Bolt

SN: 1001-UP

1шт.

17

01643-31032

Washer

SN: 1001-UP

1шт.

18

14X-Y11-3630

Bracket

SN: 1001-UP

1шт.

19

01010-81025

Bolt

SN: 1001-UP

2шт.

20

01643-31032

Washer

SN: 1001-UP

2шт.

21

14X-Y11-3641

Bracket

SN: 1001-UP

1шт.

22

01010-81025

Bolt

SN: 1001-UP

2шт.

23

01643-31032

Washer

SN: 1001-UP

2шт.

24

04434-51610

Clip

SN: 1001-UP

1шт.

25

01010-81025

Bolt

SN: 1001-UP

1шт.

26

01643-31032

Washer

SN: 1001-UP

1шт.

27

14X-Y11-3971

Bracket

SN: UP

-1шт.

|$27

14X-Y11-3971

Bracket

SN: UP

-1шт.

Выбрано товаров: 28