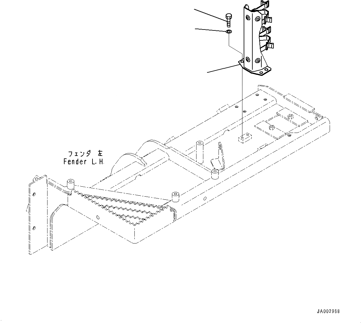
Запчасти Komatsu D65WX-17 КРЫЛО, НАСОС СМАЗКИ ДЕРЖАТЕЛЬ (№-) КРЫЛО, ОТВАЛ С ПЕРЕКОСОМ, ЗАДН. -НАВЕСН. ОБОРУД, АККУМУЛЯТОР, PPC ТРУБЫ, D MACHINE УПРАВЛ-Е ЗАГЛУШКА И PLAY

Схема запчастей Komatsu D65WX-17 - КРЫЛО, НАСОС СМАЗКИ ДЕРЖАТЕЛЬ (№-) КРЫЛО, ОТВАЛ С ПЕРЕКОСОМ, ЗАДН. -НАВЕСН. ОБОРУД, АККУМУЛЯТОР, PPC ТРУБЫ, D MACHINE УПРАВЛ-Е ЗАГЛУШКА И PLAY
2
3
1
FIT
1:1
100%

Артикул

Название

Примечание

Количество

1

14X-54-63191

Bracket

SN: 1001-UP

1шт.

2

01010-81020

Bolt

SN: 1001-UP

4шт.

3

01643-31032

Washer

SN: 1001-UP

4шт.

Выбрано товаров: 3