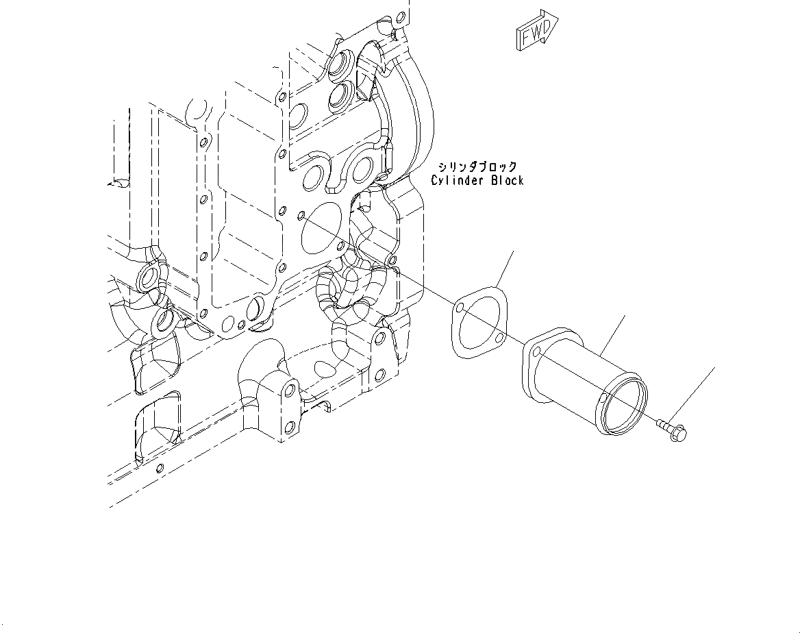
Запчасти Komatsu SAA6D114E-5B ВОДН. ВХОДН. СОЕДИН-Е (№9-) ВОДН. ВХОДН. СОЕДИН-Е

Схема запчастей Komatsu SAA6D114E-5B - ВОДН. ВХОДН. СОЕДИН-Е (№9-) ВОДН. ВХОДН. СОЕДИН-Е
3
2
1
3
2
1
FIT
1:1
100%

Артикул

Название

Примечание

Количество

1

6746-61-6150

Connection, Water Inlet

SN: 26900001-UP

1шт.

2

01435-60820

Bolt

SN: 26900572-UP

2шт.

2

6732-71-3220

Bolt

SN: 26900001-26900571

2шт.

3

6741-61-6130

Gasket

SN: 26900001-UP

1шт.

1

6746-61-6150

Connection, Water Inlet

SN: 26900001-UP

1шт.

2

01435-60820

Bolt

SN: 26900572-UP

2шт.

2

6732-71-3220

Bolt

SN: 26900001-26900571

2шт.

3

6741-61-6130

Gasket

SN: 26900001-UP

1шт.

Выбрано товаров: 8