Запчасти Komatsu SAA6D114E-5B ТЕРМОЗАЩИТА, (/) (№97-) ТЕРМОЗАЩИТА, ДЛЯ LANDFILL СПЕЦ-ЯIFICATION

Схема запчастей Komatsu SAA6D114E-5B - ТЕРМОЗАЩИТА, (/) (№97-) ТЕРМОЗАЩИТА, ДЛЯ LANDFILL СПЕЦ-ЯIFICATION
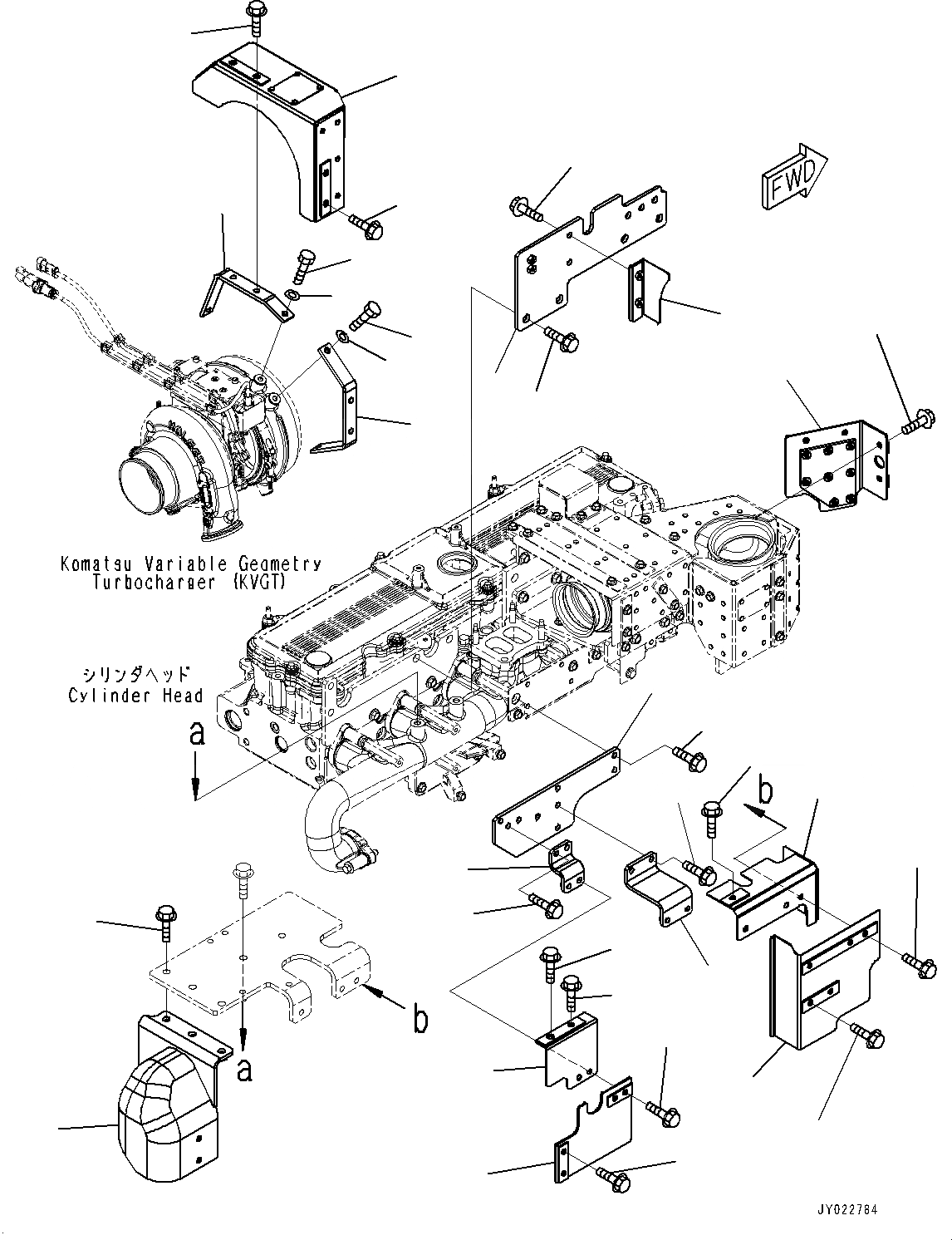
1
2
3
4
5
6
7
8
9
10
11
12
13
14
15
16
17
18
19
20
21
22
23
24
25
26
27
28
29
30
31
32
14
33
1
2
3
4
5
6
7
8
9
10
11
12
13
14
15
16
17
18
19
20
21
22
23
24
25
26
27
28
29
30
31
32
14
33
FIT
1:1
100%

Артикул

Название

Примечание

Количество

1

6746-11-5950

Cover

SN: 26901027-UP

1шт.

2

01435-00820

Bolt

SN: 26901134-UP

4шт.

2

01435-00816

Bolt

SN: 26901027-26901133

4шт.

3

6746-11-5810

Plate

SN: 26901027-UP

1шт.

4

01435-01230

Bolt

SN: 26901027-UP

4шт.

5

6746-11-5890

Cover

SN: 26901027-UP

1шт.

6

01435-00820

Bolt

SN: 26901027-UP

2шт.

7

6746-81-8210

Bracket

SN: 26901027-UP

1шт.

8

01643-30823

Washer

SN: 26901027-UP

2шт.

9

01435-00820

Bolt

SN: 26901027-UP

2шт.

10

6746-81-8220

Bracket

SN: 26901027-UP

1шт.

11

01643-30823

Washer

SN: 26901027-UP

2шт.

12

01435-00820

Bolt

SN: 26901027-UP

2шт.

13

6746-81-8230

Cover

SN: 26901027-UP

1шт.

14

01435-00820

Bolt

SN: 26901027-UP

4шт.

15

6746-11-5820

Plate

SN: 26901027-UP

1шт.

16

01435-00820

Bolt

SN: 26901027-UP

4шт.

17

6746-11-5830

Bracket

SN: 26901027-UP

1шт.

18

01435-00820

Bolt

SN: 26901027-UP

2шт.

19

6746-11-5990

Bracket

SN: 26901027-UP

1шт.

20

01435-00820

Bolt

SN: 26901027-UP

2шт.

21

6746-11-9350

Cover

SN: 26901027-UP

1шт.

22

01435-00825

Bolt

SN: 26901027-UP

1шт.

23

6746-11-9360

Cover

SN: 26901027-UP

1шт.

24

01435-00825

Bolt

SN: 26901027-UP

3шт.

25

01435-00820

Bolt

SN: 26901027-UP

2шт.

26

6746-11-5690

Cover

SN: 26901027-UP

1шт.

27

01435-01025

Bolt

SN: 26901027-UP

2шт.

28

6746-11-9330

Cover

SN: 26901027-UP

1шт.

29

01435-01030

Bolt

SN: 26901027-UP

1шт.

30

01435-00825

Bolt

SN: 26901027-UP

1шт.

31

6746-11-9340

Bracket

SN: 26901027-UP

1шт.

32

01435-00820

Bolt

SN: 26901134-UP

2шт.

32

01435-00820

Bolt

SN: 26901027-26901134

4шт.

33

01435-00825

Bolt

SN: 26901134-UP

2шт.

1

6746-11-5950

Cover

SN: 26901027-UP

1шт.

2

01435-00820

Bolt

SN: 26901134-UP

4шт.

2

01435-00816

Bolt

SN: 26901027-26901133

4шт.

3

6746-11-5810

Plate

SN: 26901027-UP

1шт.

4

01435-01230

Bolt

SN: 26901027-UP

4шт.

5

6746-11-5890

Cover

SN: 26901027-UP

1шт.

6

01435-00820

Bolt

SN: 26901027-UP

2шт.

7

6746-81-8210

Bracket

SN: 26901027-UP

1шт.

8

01643-30823

Washer

SN: 26901027-UP

2шт.

9

01435-00820

Bolt

SN: 26901027-UP

2шт.

10

6746-81-8220

Bracket

SN: 26901027-UP

1шт.

11

01643-30823

Washer

SN: 26901027-UP

2шт.

12

01435-00820

Bolt

SN: 26901027-UP

2шт.

13

6746-81-8230

Cover

SN: 26901027-UP

1шт.

14

01435-00820

Bolt

SN: 26901027-UP

4шт.

15

6746-11-5820

Plate

SN: 26901027-UP

1шт.

16

01435-00820

Bolt

SN: 26901027-UP

4шт.

17

6746-11-5830

Bracket

SN: 26901027-UP

1шт.

18

01435-00820

Bolt

SN: 26901027-UP

2шт.

19

6746-11-5990

Bracket

SN: 26901027-UP

1шт.

20

01435-00820

Bolt

SN: 26901027-UP

2шт.

21

6746-11-9350

Cover

SN: 26901027-UP

1шт.

22

01435-00825

Bolt

SN: 26901027-UP

1шт.

23

6746-11-9360

Cover

SN: 26901027-UP

1шт.

24

01435-00825

Bolt

SN: 26901027-UP

3шт.

25

01435-00820

Bolt

SN: 26901027-UP

2шт.

26

6746-11-5690

Cover

SN: 26901027-UP

1шт.

27

01435-01025

Bolt

SN: 26901027-UP

2шт.

28

6746-11-9330

Cover

SN: 26901027-UP

1шт.

29

01435-01030

Bolt

SN: 26901027-UP

1шт.

30

01435-00825

Bolt

SN: 26901027-UP

1шт.

31

6746-11-9340

Bracket

SN: 26901027-UP

1шт.

32

01435-00820

Bolt

SN: 26901134-UP

2шт.

32

01435-00820

Bolt

SN: 26901027-26901134

4шт.

33

01435-00825

Bolt

SN: 26901134-UP

2шт.

Выбрано товаров: 70