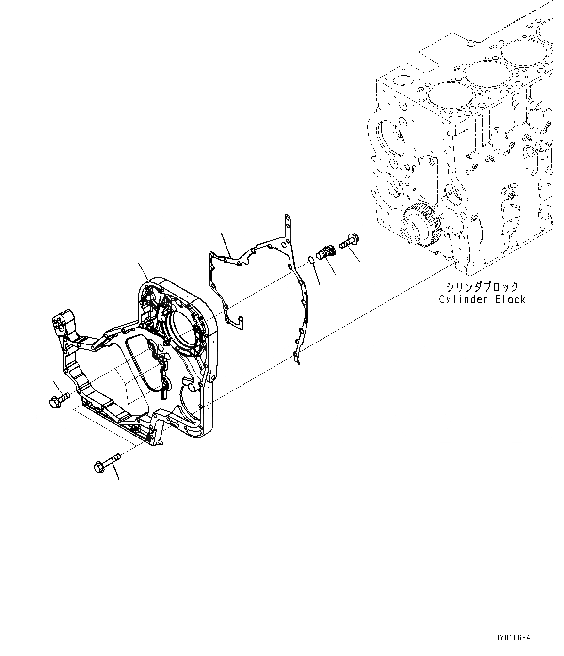
Запчасти Komatsu SAA6D114E-5B ПЕРЕДН. ПРИВОД (№9-) ПЕРЕДН. ПРИВОД

Схема запчастей Komatsu SAA6D114E-5B - ПЕРЕДН. ПРИВОД (№9-) ПЕРЕДН. ПРИВОД
3
2
1
4
5
7
6
3
2
1
4
5
7
6
FIT
1:1
100%

Артикул

Название

Примечание

Количество

1

6745-22-3110

Housing

SN: 26900001-UP

1шт.

2

6742-01-0540

Bolt

SN: 26900001-UP

3шт.

3

6741-21-3820

Bolt

SN: 26900001-UP

2шт.

4

6741-21-3810

Gasket

SN: 26900001-UP

1шт.

4

6745-22-3120

Plug Assembly

SN: 26900001-UP

1шт.

5

6745-22-3140

Plug

SN: 26900001-UP

1шт.

6

6261-81-2920

O-ring

SN: 26900001-UP

1шт.

7

6732-21-4180

Bolt

SN: 26900001-UP

1шт.

8

09920-00150

Liquid gasket, LG-7, 150G

SN: 26900001-UP

-2шт.

1

6745-22-3110

Housing

SN: 26900001-UP

1шт.

2

6742-01-0540

Bolt

SN: 26900001-UP

3шт.

3

6741-21-3820

Bolt

SN: 26900001-UP

2шт.

4

6741-21-3810

Gasket

SN: 26900001-UP

1шт.

4

6745-22-3120

Plug Assembly

SN: 26900001-UP

1шт.

5

6745-22-3140

Plug

SN: 26900001-UP

1шт.

6

6261-81-2920

O-ring

SN: 26900001-UP

1шт.

7

6732-21-4180

Bolt

SN: 26900001-UP

1шт.

8

09920-00150

Liquid gasket, LG-7, 150G

SN: 26900001-UP

-2шт.

Выбрано товаров: 18