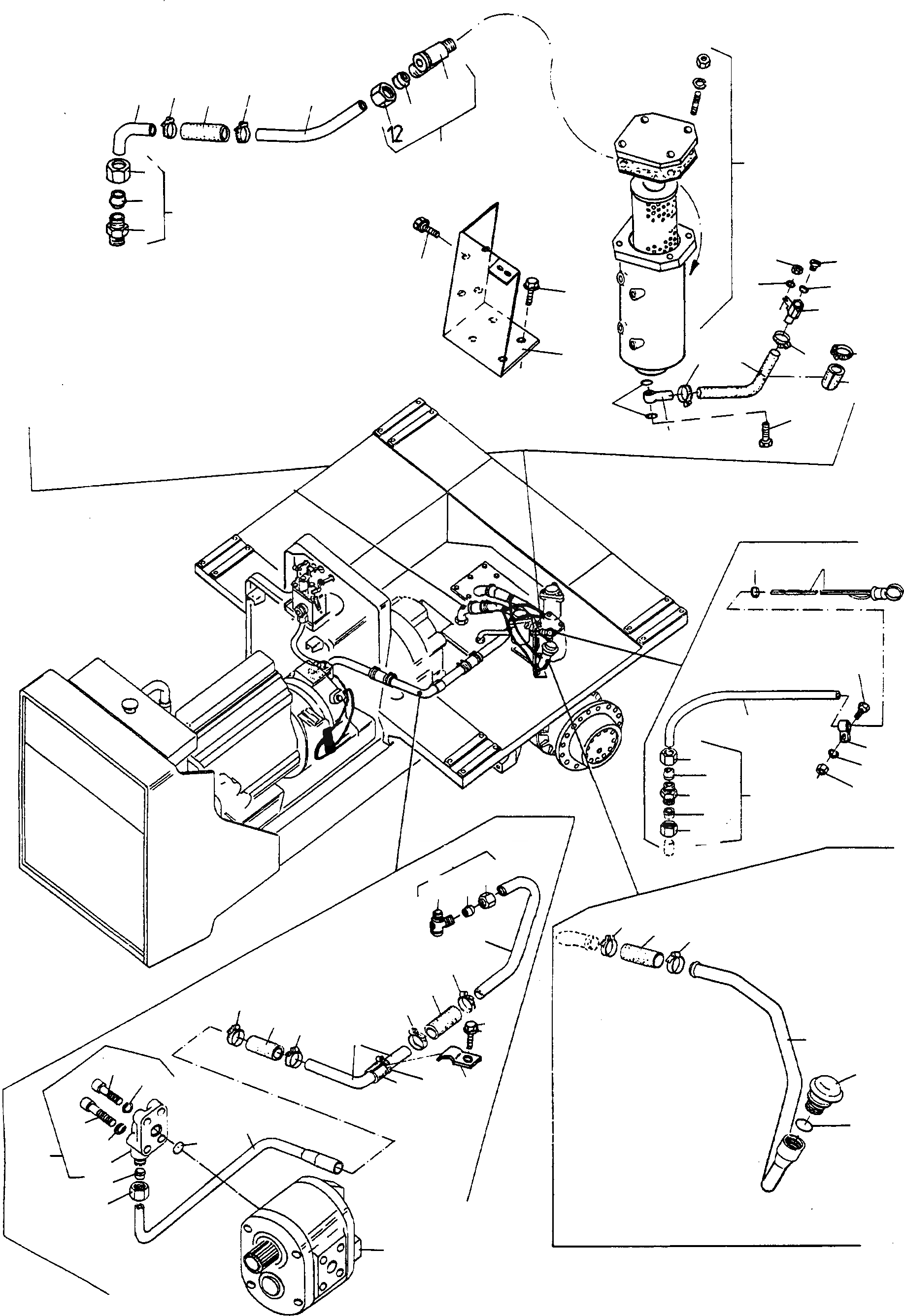
Запчасти Komatsu D670E РУЛЕВ. УПРАВЛЕНИЕ, ТРУБЫS СИСТЕМАУПРАВЛЕНИЯ ПОВОРОТОМ, ПЕРЕДНИЙ МОСТ, ТОРМОЗ. СИСТЕМА

Схема запчастей Komatsu D670E - РУЛЕВ. УПРАВЛЕНИЕ, ТРУБЫS СИСТЕМАУПРАВЛЕНИЯ ПОВОРОТОМ, ПЕРЕДНИЙ МОСТ, ТОРМОЗ. СИСТЕМА
3
7
49
52A
52B
38
40
34
7
35
10
44
12
10
5
8
6
28
26
11
13
9
4
1
2
57
54
15
55
56
15
53
52
51
51
14
48
50
42
41
37
36
35
39
34
32
33
9
11
43
44
16
7
6
7
7
6
15
7
17
45
46
29
7
20
18
27
19
47
29
30
23
24
25
31
FIT
1:1
100%

Артикул

Название

Примечание

Количество

1

3002303X91

UNION

DeutschDesc: VERSCHRAUBUNG

1шт.

2

UNION

EnglischBem: ORDER 3002 303 X91

1шт.

3

3004128X1

OLIVE

DeutschDesc: SCHNEIDRING

1шт.

4

3004123X1

BOXNUT

DeutschDesc: UEBERWURFMUTTER

1шт.

5

4101563M1

TUBE

DeutschDesc: ROHR

1шт.

6

2964733M2

HOSE

DeutschDesc: SCHLAUCH

3шт.

7

1444840X1

CLIP

EnglischBem: REPAIRS AND REPLACES 1440 840 X1

13шт.

8

4101564M1

TUBE

DeutschDesc: ROHR

1шт.

9

3002469X91

UNION

DeutschDesc: VERSCHRAUBUNG

2шт.

10

UNION

EnglischBem: ORDER 3002 469 X91

2шт.

11

3004128X1

OLIVE

DeutschDesc: SCHNEIDRING

2шт.

12

3004123X1

BOXNUT

DeutschDesc: UEBERWURFMUTTER

2шт.

13

4021331M92

FILTER

EnglischBem: REPAIRS AND REPLACES 3086 292 M91

1шт.

|$60

FILTER

DeutschDesc: FILTER

-3шт.

14

2989845M91

BRACKET

DeutschDesc: HALTER

1шт.

15

1444132X1

SCREW

DeutschDesc: SCHRAUBE

13шт.

16

4101562M1

TUBE

DeutschDesc: ROHR

1шт.

17

4101561M1

TUBE

DeutschDesc: ROHR

1шт.

18

3000950X1

HOSE

DeutschDesc: SCHLAUCH

2шт.

19

4101558M91

PIPE

DeutschDesc: ROHRLEITUNG

1шт.

20

4101598M1

BRACKET

DeutschDesc: HALTER

1шт.

21

NOT USED

DeutschDesc: NICHT VERWENDET

-1шт.

22

NOT USED

DeutschDesc: NICHT VERWENDET

-1шт.

23

3089912M91

UNION

DeutschDesc: VERSCHRAUBUNG

1шт.

24

FLANGE

EnglischBem: ORDER 3089 912 M91

1шт.

25

1443842X1

OLIVE

DeutschDesc: SCHNEIDRING

1шт.

26

1443838X1

BOXNUT

DeutschDesc: UEBERWURFMUTTER

1шт.

27

3002043X1

SCREW

DeutschDesc: SCHRAUBE

2шт.

28

391979X1

SCREW

DeutschDesc: SCHRAUBE

2шт.

29

1443791X1

SPRING WASHER

DeutschDesc: FEDERRING

4шт.

30

1444803X1

O-RING

DeutschDesc: O-RING

1шт.

31

2979468M91

PUMP

EnglischBem: ALTERNATIVE 2990 602 M91

1шт.

|$71

PUMP

DeutschDesc: PUMPE

-3шт.

32

390063X91

UNION

DeutschDesc: VERSCHRAUBUNG

1шт.

33

UNION

EnglischBem: ORDER 390 063 X91

1шт.

34

1443840X1

OLIVE

DeutschDesc: SCHNEIDRING

2шт.

35

339995X1

BOXNUT

DeutschDesc: UEBERWURFMUTTER

2шт.

36

4101606M1

TUBE

DeutschDesc: ROHR

1шт.

37

1444133X1

SCREW

DeutschDesc: SCHRAUBE

1шт.

38

2885148M1

CLIP

DeutschDesc: SCHELLE

1шт.

39

NOT USED

DeutschDesc: NICHT VERWENDET

-1шт.

40

NOT USED

DeutschDesc: NICHT VERWENDET

-1шт.

41

4101761M91

OIL DIPSTICK

DeutschDesc: OELMESSSTAB

1шт.

42

2871668M1

GASKET

DeutschDesc: DICHTUNG

1шт.

43

3092511M1

HOSE

DeutschDesc: SCHLAUCH

1шт.

44

1444840X1

CLIP

EnglischBem: REPAIRS AND REPLACES 1440 840 X1

2шт.

45

4101583M91

PIPE

DeutschDesc: ROHRLEITUNG

1шт.

46

2869474M1

FILTER

DeutschDesc: FILTER

1шт.

47

1444794X1

O-RING

DeutschDesc: O-RING

1шт.

48

2999668M1

BANJO BOLT

DeutschDesc: HOHLSCHRAUBE

1шт.

49

1440997X1

SEAL

DeutschDesc: DICHTRING

2шт.

50

4001812M91

TUBE

DeutschDesc: ROHR

1шт.

51

2995123X1

CLIP

DeutschDesc: SCHELLE

2шт.

52

2995428X1

HOSE

EnglischBem: GOODS SOLD BY THE METER 2995 427 X1 400 MM

1шт.

52A

2995076X1

CLIP

DeutschDesc: SCHELLE

2шт.

52B

1443897X1

HOSE

DeutschDesc: SCHLAUCH

1шт.

53

4001810M91

CONNECTOR

DeutschDesc: ANSCHLUSS

1шт.

54

1444316X1

NUT

DeutschDesc: MUTTER

1шт.

55

390972X1

PLAIN WASHER

DeutschDesc: UNTERLEGSCHEIBE

1шт.

56

391312X1

SEAL

DeutschDesc: DICHTRING

1шт.

57

3005643X1

PLUG

DeutschDesc: VERSCHLUSSSTOPFEN

1шт.

Выбрано товаров: 61