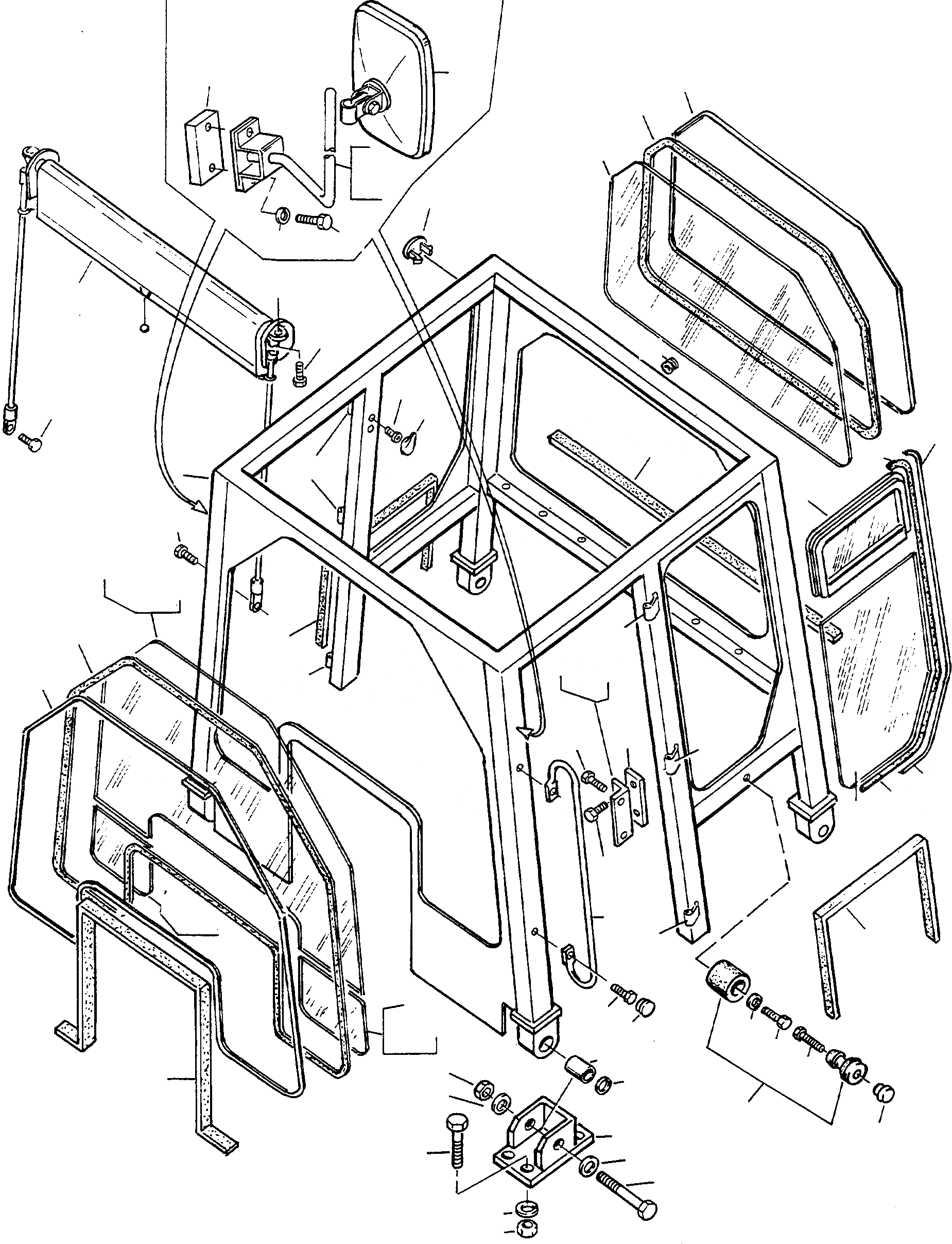
Запчасти Komatsu D670E БЕЗОПАСН. КАБИНА, EXECUTION I ШАССИ И SUPERSTRUCTURE

Схема запчастей Komatsu D670E - БЕЗОПАСН. КАБИНА, EXECUTION I ШАССИ И SUPERSTRUCTURE
44
29A
30
30A
30A
20A
49
27
26
25
45
46
36
47
48
34
35
37
41
35
40
24
28
23
43
38
1
21
35
29
31
42
38
11
32
43
12
13
20
42
24
23
22
20
19
42
39
20
30
16
15
4
6
17
10
33
3
14
2
18
7
3
5
8
9
FIT
1:1
100%

Артикул

Название

Примечание

Количество

0

4102375M92

CAB

EnglischBem: SUPPLY ON REQUEST

1шт.

1

4101663M91

FRAME

DeutschDesc: RAHMEN

1шт.

2

2985914M91

BEARING

DeutschDesc: LAGER

4шт.

3

2985995M1

PLAIN WASHER

DeutschDesc: UNTERLEGSCHEIBE

8шт.

4

2985993M1

BUSHING

DeutschDesc: BUCHSE

4шт.

5

2988588M1

SCREW

DeutschDesc: SCHRAUBE

4шт.

6

2995332X1

NUT

DeutschDesc: MUTTER

4шт.

7

1444098X1

SCREW

DeutschDesc: SCHRAUBE

16шт.

8

4000367M1

SPRING PLATE

DeutschDesc: FEDERSCHEIBE

16шт.

9

1444304X1

NUT

DeutschDesc: MUTTER

16шт.

10

4001445M1

SPRING WASHER

DeutschDesc: FEDERRING

2шт.

11

2989853M1

ANGLE

DeutschDesc: WINKEL

1шт.

12

2989854M1

ANGLE

DeutschDesc: WINKEL

1шт.

13

2987298M1

SLAT

DeutschDesc: LEISTE

2шт.

14

4225387M91

POSITIONER

DeutschDesc: FESTSTELLER

2шт.

15

3000984X1

SCREW

DeutschDesc: SCHRAUBE

2шт.

16

3001853X1

PLAIN WASHER

DeutschDesc: UNTERLEGSCHEIBE

2шт.

17

339804X1

SCREW

DeutschDesc: SCHRAUBE

2шт.

18

1444317X1

NUT

DeutschDesc: MUTTER

2шт.

19

2987216M1

GRIP

DeutschDesc: GRIFF

4шт.

20

1444142X1

SCREW

DeutschDesc: SCHRAUBE

24шт.

20A

2994623M1

SECURITY CAP

DeutschDesc: SCHUTZKAPPE

8шт.

21

4102199M91

WINDOW

EnglischBem: REPAIRS AND REPLACES 2988 005 M91

2шт.

22

4102198M1

GLASS PANE

EnglischBem: REPAIRS AND REPLACES 2988 004 M1

2шт.

23

2988061M1

PROFILE

EnglischBem: GOODS SOLD BY THE METER 2999 996 M1 2810 MM

2шт.

24

2988066M1

FILLER SECTION

EnglischBem: GOODS SOLD BY THE METER 2999 872 M1 2810 MM

2шт.

25

4102197M1

GLASS PANE

EnglischBem: REPAIRS AND REPLACES 2988 001 M1

1шт.

26

2988060M1

PROFILE

EnglischBem: GOODS SOLD BY THE METER 2999 996 M1 3750 MM

1шт.

27

2988065M1

FILLER SECTION

EnglischBem: GOODS SOLD BY THE METER 2999 872 M1 3750 MM

1шт.

28

2989417M1

RUBBER SECTIONAL

DeutschDesc: GUMMIPROFIL

1шт.

29

4102227M1

LAMINATED GLASS

EnglischBem: REPAIRS AND REPLACES 4102 195 M1

1шт.

30

4102228M1

LAMINATED GLASS

EnglischBem: REPAIRS AND REPLACES 4102 196 M1

2шт.

31

2988662M1

PROFILE

EnglischBem: GOODS SOLD BY THE METER 2999 996 M1 5650 MM

1шт.

32

2988663M1

FILLER SECTION

EnglischBem: GOODS SOLD BY THE METER 2999 872 M1 5650 MM

1шт.

33

2988684M1

GASKET

DeutschDesc: DICHTUNG

1шт.

34

2988092M91

SUN BLIND

DeutschDesc: ROLLO

1шт.

35

3005082X1

SCREW

DeutschDesc: SCHRAUBE

4шт.

36

2996321M1

CAP

DeutschDesc: KAPPE

1шт.

37

2999999M1

SPOUT

DeutschDesc: TUELLE

1шт.

38

2988685M1

GASKET

DeutschDesc: DICHTUNG

2шт.

39

2988686M1

GASKET

DeutschDesc: DICHTUNG

2шт.

40

4001542M91

HOOK

DeutschDesc: HAKEN

2шт.

41

3000387X1

SCREW

DeutschDesc: SCHRAUBE

2шт.

42

2986137M1

HINGE

DeutschDesc: SCHARNIER

3шт.

43

2986138M1

HINGE

DeutschDesc: SCHARNIER

3шт.

44

4201252M91

MIRROR

EnglischBem: SPECIAL EQUIPMENT

2шт.

45

3094971M91

BRACKET

EnglischBem: SPECIAL EQUIPMENT LEFT

1шт.

46

3094972M91

BRACKET

EnglischBem: SPECIAL EQUIPMENT RIGHT

1шт.

47

339081X1

SCREW

EnglischBem: SPECIAL EQUIPMENT

4шт.

48

2993793X1

SPRING WASHER

EnglischBem: SPECIAL EQUIPMENT

4шт.

49

4102140M1

BLOCK

EnglischBem: SPECIAL EQUIPMENT

2шт.

Выбрано товаров: 51