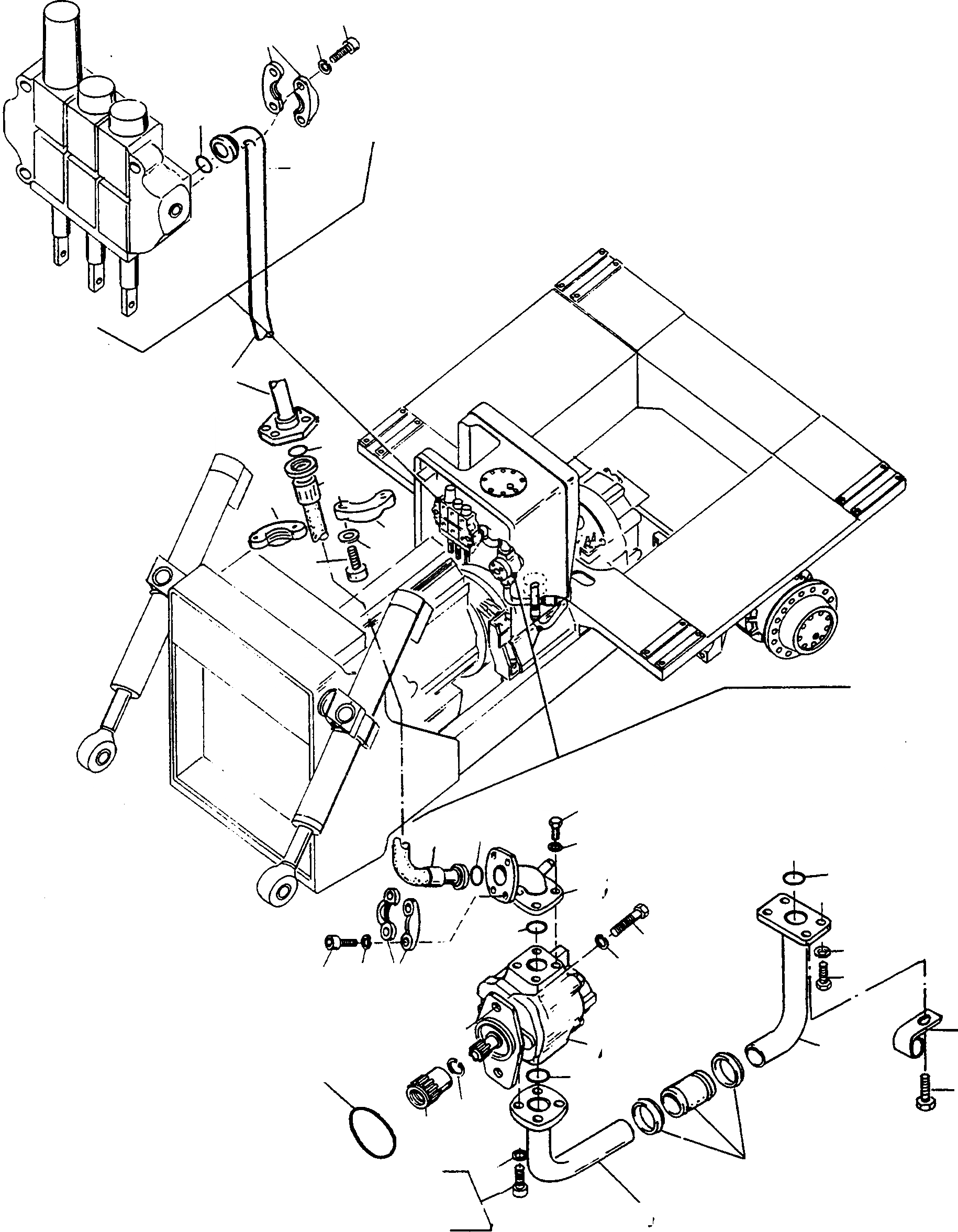
Запчасти Komatsu D670E ГИДР. НАСОС. ГИДРАВЛИКА

Схема запчастей Komatsu D670E - ГИДР. НАСОС. ГИДРАВЛИКА
15
18A
16
18A
19
13
14
14A
8A
1A
7A
17
9
12
8C
8B
18
18
17
19
19
16
15
15
17
16
4
5
19
16
8
15
1
11
20
6
2
3
10
9
8
7
FIT
1:1
100%

Артикул

Название

Примечание

Количество

1

4101987M91

HYDRAULIC PUMP

DeutschDesc: HYDRAULIKPUMPE

1шт.

|$28

HYDRAULIC PUMP

DeutschDesc: HYDRAULIKPUMPE

-3шт.

1A

4102514M91

HYDRAULIC PUMP

SN: 20225-UP

1шт.

|$29

HYDRAULIC PUMP

DeutschDesc: HYDRAULIKPUMPE

-3шт.

2

339361X1

CIRCLIP

SN: 20225-UP

1шт.

3

2949954M1

COUPLING/CLUTCH

SN: 20225-UP

1шт.

4

391419X1

SCREW

SN: 20225-UP

2шт.

5

2994704M1

SPRING WASHER

SN: 20225-UP

2шт.

6

1444792X1

O-RING

SN: 20225-UP

1шт.

7

4101604M91

PIPE

SN: 20225-UP

1шт.

7A

4102561M91

PIPE

SN: 20225-UP

1шт.

8

1443711X1

SCREW

DeutschDesc: SCHRAUBE

6шт.

8A

1444186X1

SCREW

DeutschDesc: SCHRAUBE

2шт.

8B

1441701X1

SCREW

DeutschDesc: SCHRAUBE

1шт.

8C

2994685M1

CLIP

DeutschDesc: SCHELLE

1шт.

9

2999755M1

CIRCLIP

EnglischBem: REPAIRS AND REPLACES 1440 990 X1

8шт.

10

2994775M91

CONNECTION

EnglischBem: REPAIRS AND REPLACES 2995 775 X91

1шт.

11

4101602M91

PIPE

DeutschDesc: ROHRLEITUNG

1шт.

12

1444851X1

O-RING

DeutschDesc: O-RING

1шт.

13

1444791X1

O-RING

DeutschDesc: O-RING

1шт.

14

4101554M91

PIPE

DeutschDesc: ROHRLEITUNG

1шт.

14A

4102563M91

PIPE

SN: 20225-UP

1шт.

15

1441436X1

SCREW

DeutschDesc: SCHRAUBE

16шт.

16

2993680X1

LOCK WASHER

DeutschDesc: SICHERUNGSSCHEIBE

16шт.

17

1444848X1

O-RING

DeutschDesc: O-RING

3шт.

18

4101552M91

PIPE

DeutschDesc: ROHRLEITUNG

1шт.

18A

2995358X91

HOSE

DeutschDesc: SCHLAUCH

1шт.

19

1444835X1

HALF FLANGE

DeutschDesc: HALBFLANSCH

6шт.

20

1444812X1

O-RING

DeutschDesc: O-RING

1шт.

Выбрано товаров: 0