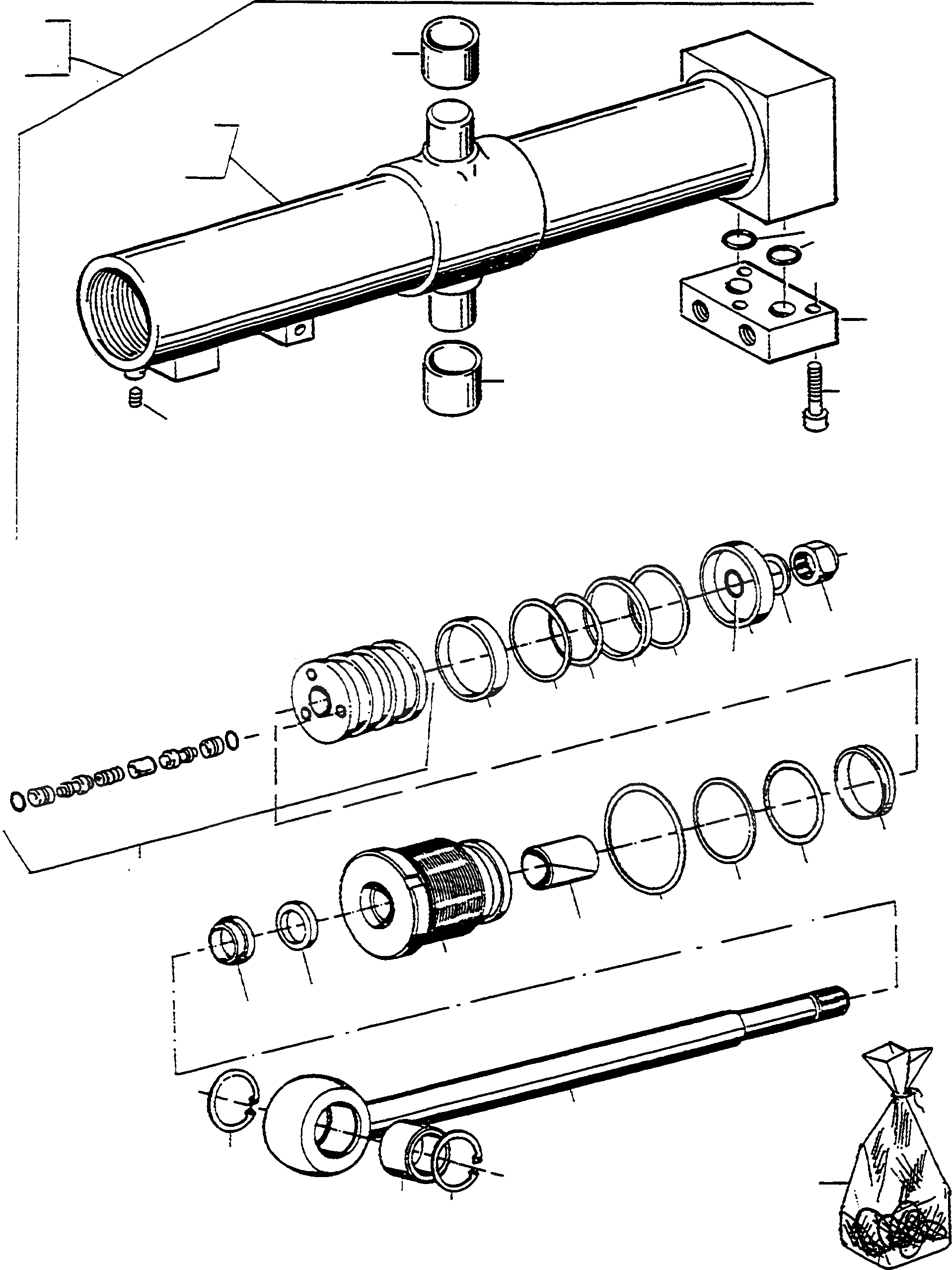
Запчасти Komatsu D670E ГИДРОЦИЛИНДР ПОДЪЕМА ГИДРОЦИЛИНДР ПОДЪЕМА D7E

Схема запчастей Komatsu D670E - ГИДРОЦИЛИНДР ПОДЪЕМА ГИДРОЦИЛИНДР ПОДЪЕМА D7E
1A
1
23
2A
14
2
24
25
23
26
22
21
20
15
16
19
18
17
16
15
13
12
11
10
7
6
9
8
3
5
27
4
5
FIT
1:1
100%

Артикул

Название

Примечание

Количество

1

4102509M91

LIFT CYLINDER

EnglischBem: REPAIRS AND REPLACES 4101 983 M91 D670E

1шт.

1A

4102510M91

LIFT CYLINDER

EnglischBem: REPAIRS AND REPLACES 4101 985 M91 D680E

1шт.

2

4912274M1

BARREL

EnglischBem: D670E

1шт.

2A

4912268M1

BARREL

EnglischBem: D680E

1шт.

3

4912269M1

CYLINDER ROD

DeutschDesc: KOLBENSTANGE

1шт.

4

1444582X1

BALL AND SOCKET JOIN

DeutschDesc: GELENKLAGER

1шт.

5

3404594M1

CIRCLIP

EnglischBem: REPAIRS AND REPLACES 1440 913 X1

2шт.

6

4912270M1

GUIDE BUSH

DeutschDesc: FUEHRUNGSBUCHSE

1шт.

7

4912271M1

PILOT

DeutschDesc: FUEHRUNG

1шт.

8

4912272M1

STRIPPER

DeutschDesc: ABSTREIFER

1шт.

9

4912273M1

SEAL

DeutschDesc: DICHTRING

1шт.

10

4918815M1

O-RING

DeutschDesc: O-RING

1шт.

11

4912275M1

BACK-UP RING

DeutschDesc: STUETZRING

1шт.

12

359191X1

O-RING

DeutschDesc: O-RING

1шт.

13

4912277M1

RING

DeutschDesc: RING

1шт.

14

4912278M1

PISTON

DeutschDesc: KOLBEN

1шт.

15

4912279M1

PILOT

DeutschDesc: FUEHRUNG

2шт.

16

4912280M1

BACK-UP RING

DeutschDesc: STUETZRING

2шт.

17

359190X1

O-RING

DeutschDesc: O-RING

1шт.

18

4912282M1

SEAL

DeutschDesc: DICHTRING

1шт.

19

1442219X1

O-RING

EnglischBem: REPAIRS AND REPLACES 4912 283 M1

1шт.

20

4912284M1

DISC

DeutschDesc: SCHEIBE

1шт.

21

1441551X1

NUT

DeutschDesc: MUTTER

1шт.

22

3228380M1

PLUG

DeutschDesc: VERSCHLUSSSTOPFEN

1шт.

23

3256052M1

RING

DeutschDesc: RING

2шт.

24

3007372X1

O-RING

EnglischBem: REPAIRS AND REPLACES 4912 286 M1

2шт.

25

4102070M91

VALVE

EnglischBem: REPAIRS AND REPLACES 4912 287 M1

1шт.

26

1441193X1

SCREW

DeutschDesc: SCHRAUBE

3шт.

27

3256150M91

GASKET KIT

DeutschDesc: DICHTUNGSSATZ

1шт.

Выбрано товаров: 0