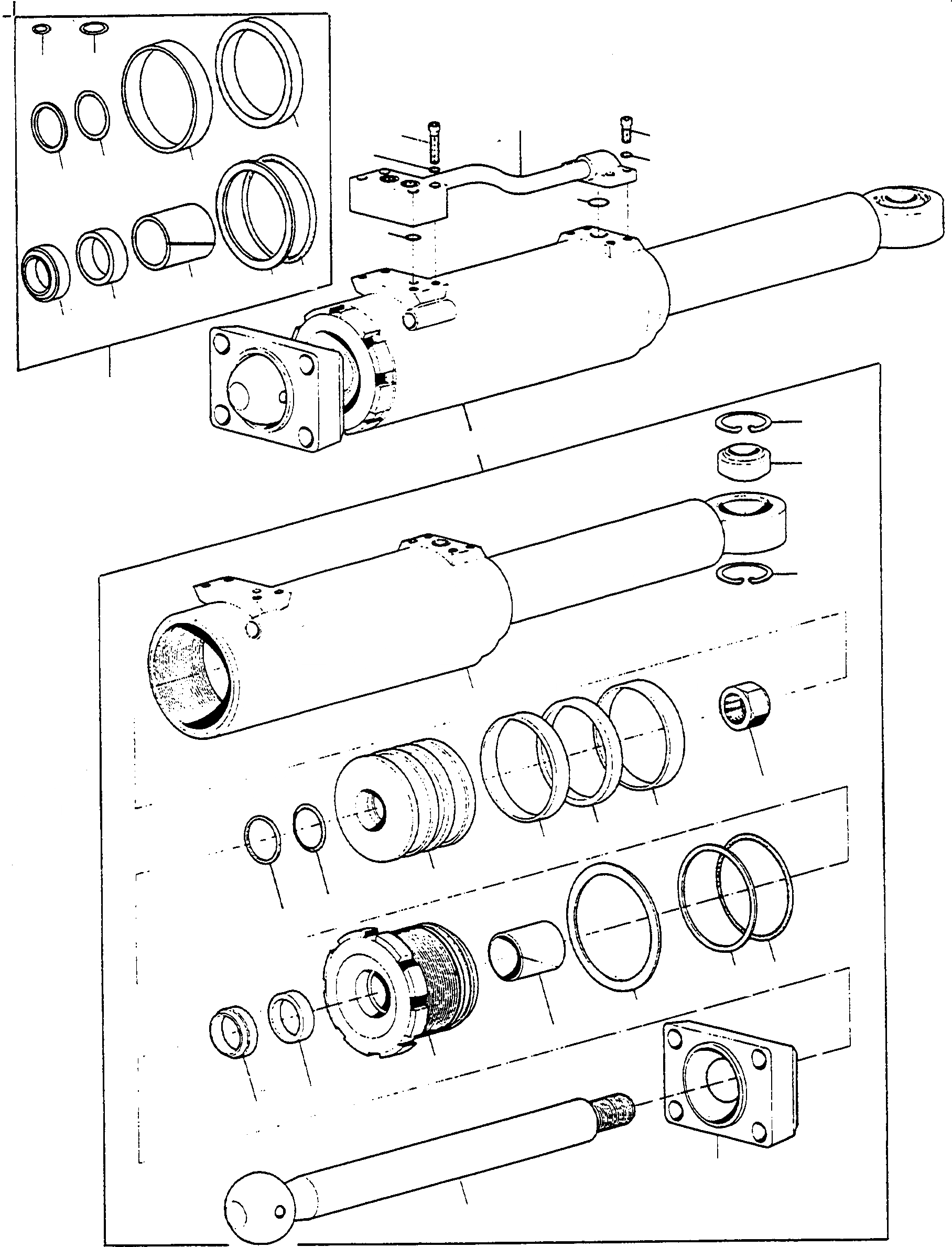
Запчасти Komatsu D670E НАКЛОН.-ЦИЛИНДР ГИДРАВЛИКА

Схема запчастей Komatsu D670E - НАКЛОН.-ЦИЛИНДР ГИДРАВЛИКА
12
4
24
21
20
22
25
18
23
26
16
17
15
24
21
13
8
12
10
9
8
27
4
1
3
2
19
17
18
17
14
16
15
13
11
10
7
6
5
9
FIT
1:1
100%

Артикул

Название

Примечание

Количество

1

1608137M92

TILT CYLINDER

EnglischBem: ALTERNATIVE 4500 951 M91

1шт.

|$28

TILT CYLINDER

DeutschDesc: TILTZYLINDER

-3шт.

2

1609105M91

BARREL

DeutschDesc: ZYLINDERROHR

1шт.

3

1444579X1

BALL AND SOCKET JOIN

DeutschDesc: GELENKLAGER

1шт.

4

1440819X1

CIRCLIP

DeutschDesc: SICHERUNGSRING

2шт.

5

1609111M91

CYLINDER ROD

DeutschDesc: KOLBENSTANGE

1шт.

6

1609118M1

BALL FLANGE

DeutschDesc: KUGELFLANSCH

1шт.

7

1609117M1

GUIDE BUSH

DeutschDesc: FUEHRUNGSBUCHSE

1шт.

8

834664M1

STRIPPER

EnglischBem: NOTE: Pos. (8) included in Pos. (1) and (27) Kit

1шт.

9

1606539M1

SEAL

EnglischBem: NOTE: Pos. (9) included in Pos. (1) and (27) Kit

1шт.

10

1609121M1

BEARING

EnglischBem: NOTE: Pos. (10) included in Pos. (1) and (27) Kit

1шт.

11

1608819M1

TAB WASHER

DeutschDesc: SICHERUNGSBLECH

1шт.

12

338914X1

BACK-UP RING

EnglischBem: NOTE: Pos. (12) included in Pos. (1) and (27) Kit

1шт.

13

359215X1

O-RING

EnglischBem: NOTE: Pos. (13) included in Pos. (1) and (27) Kit

1шт.

14

1609119M1

PISTON

DeutschDesc: KOLBEN

1шт.

15

1884170M1

RING

EnglischBem: NOTE: Pos. (15) included in Pos. (1) and (27) Kit

1шт.

16

359187X1

SEAL

EnglischBem: NOTE: Pos. (16) included in Pos. (1) and (27) Kit

1шт.

17

1608830M1

RING

EnglischBem: NOTE: Pos. (17) included in Pos. (1) and (27) Kit

2шт.

18

1608831M1

SEAL

EnglischBem: NOTE: Pos. (18) included in Pos. (1) and (27) Kit

1шт.

19

1442580X1

NUT

DeutschDesc: MUTTER

1шт.

20

1609114M91

PIPE

DeutschDesc: ROHRLEITUNG

1шт.

21

1441115X1

O-RING

EnglischBem: NOTE: Pos. (21) included in Pos. (1) and (27) Kit

1шт.

22

391188X1

SCREW

DeutschDesc: SCHRAUBE

4шт.

23

391241X1

SPRING WASHER

DeutschDesc: FEDERRING

4шт.

24

1441124X1

O-RING

EnglischBem: NOTE: Pos. (24) included in Pos. (1) and (27) Kit

1шт.

25

1441436X1

SCREW

DeutschDesc: SCHRAUBE

4шт.

26

391241X1

SPRING WASHER

DeutschDesc: FEDERRING

4шт.

27

1609122M91

GASKET KIT

DeutschDesc: DICHTUNGSSATZ

1шт.

Выбрано товаров: 0