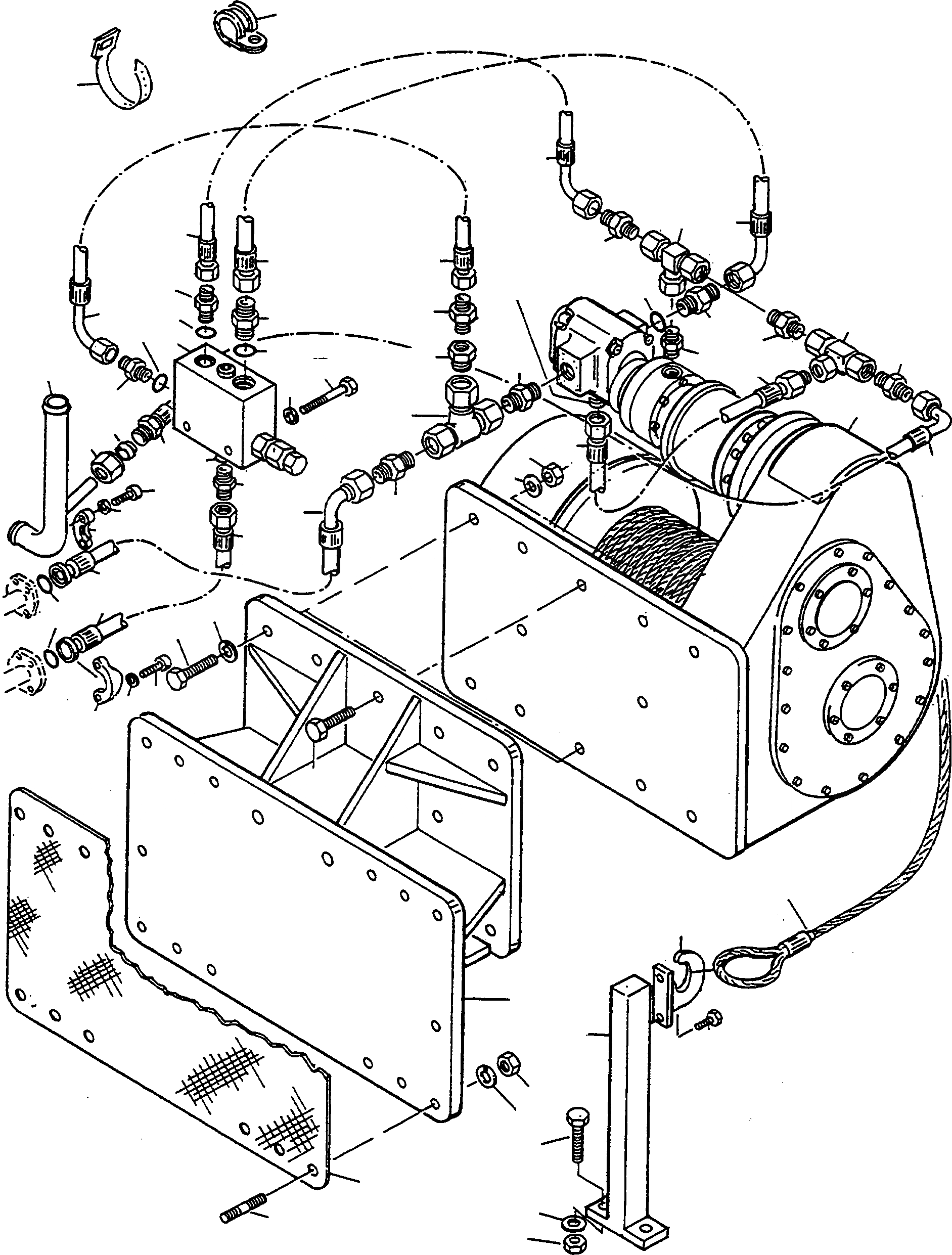
Запчасти Komatsu D670E КАБЕЛЬ ЛЕБЕДКА, СПЕЦ. ОБОРУД-Е ОБОРУД-Е

Схема запчастей Komatsu D670E - КАБЕЛЬ ЛЕБЕДКА, СПЕЦ. ОБОРУД-Е ОБОРУД-Е
17C
17B
17A
41
44
43
46
41
42
20
19
18A
4
6A
43
20
31
28
20
29
28
27
18
20
23
19
26
31
19
26
17
32
27
29
30
22
25
33
37
18
9
21
35
36
33
34
8
39
34
7
40
45
24
38
38
7
6
45
44
10
15
1
11
16
5
12
2
13
3
14
FIT
1:1
100%

Артикул

Название

Примечание

Количество

1

4102421M91

ADAPTOR

DeutschDesc: ADAPTER

1шт.

2

4918655M1

GASKET

EnglischBem: ALTERNATIVE 2997 315 M1

1шт.

3

4102442M1

STUD BOLT

DeutschDesc: STIFTSCHRAUBE

14шт.

4

2994705M1

SAFETY RING

DeutschDesc: SICHERHEITSRING

14шт.

5

391717X1

NUT

DeutschDesc: MUTTER

14шт.

6

1444081X1

SCREW

DeutschDesc: SCHRAUBE

5шт.

6A

1444103X1

SCREW

DeutschDesc: SCHRAUBE

7шт.

7

4001445M1

SPRING WASHER

DeutschDesc: FEDERRING

12шт.

8

1442719X1

NUT

DeutschDesc: MUTTER

7шт.

9

4102377M91

CABLE WINCH

DeutschDesc: SEILWINDE

1шт.

10

4102378M1

STRING

DeutschDesc: SEIL

1шт.

11

4102434M91

CONSOLE

DeutschDesc: KONSOLE

1шт.

12

1444098X1

SCREW

DeutschDesc: SCHRAUBE

2шт.

13

4000367M1

SPRING PLATE

DeutschDesc: FEDERSCHEIBE

2шт.

14

1444304X1

NUT

DeutschDesc: MUTTER

2шт.

15

4102438M91

HOOK

DeutschDesc: HAKEN

1шт.

16

391357X1

SCREW

DeutschDesc: SCHRAUBE

2шт.

17

4913153M91

VALVE

DeutschDesc: VENTIL

1шт.

17A

3067375M8

SCREW

DeutschDesc: SCHRAUBE

2шт.

17B

2993793X1

SPRING WASHER

DeutschDesc: FEDERRING

2шт.

17C

2994766M1

CLIP

DeutschDesc: SCHELLE

1шт.

18

4918656M1

STUD

DeutschDesc: STUTZEN

2шт.

18A

4918854M1

UNION

DeutschDesc: VERSCHRAUBUNG

1шт.

19

4918657M1

SEAL

DeutschDesc: DICHTRING

3шт.

20

4102416M91

HOSE ASSEMBLY

DeutschDesc: SCHLAUCH VOLLST.

2шт.

21

4102429M91

UNION

DeutschDesc: VERSCHRAUBUNG

1шт.

22

4102432M91

UNION

DeutschDesc: VERSCHRAUBUNG

1шт.

23

4102433M91

UNION

DeutschDesc: VERSCHRAUBUNG

1шт.

24

4102431M91

UNION

DeutschDesc: VERSCHRAUBUNG

1шт.

25

4102430M91

UNION

DeutschDesc: VERSCHRAUBUNG

1шт.

26

4918658M1

UNION

DeutschDesc: VERSCHRAUBUNG

2шт.

27

4918659M1

SEAL

DeutschDesc: DICHTRING

2шт.

28

4102418M91

HOSE ASSEMBLY

DeutschDesc: SCHLAUCH VOLLST.

1шт.

29

4918660M1

UNION

DeutschDesc: VERSCHRAUBUNG

2шт.

30

4918661M1

UNION

DeutschDesc: VERSCHRAUBUNG

1шт.

31

4918662M1

UNION

DeutschDesc: VERSCHRAUBUNG

2шт.

32

4918663M1

UNION

DeutschDesc: VERSCHRAUBUNG

1шт.

33

4102417M91

HOSE ASSEMBLY

DeutschDesc: SCHLAUCH VOLLST.

1шт.

34

4102415M91

HOSE ASSEMBLY

DeutschDesc: SCHLAUCH VOLLST.

1шт.

35

1443840X1

OLIVE

DeutschDesc: SCHNEIDRING

1шт.

36

339995X1

BOXNUT

DeutschDesc: UEBERWURFMUTTER

1шт.

37

4102422M91

PIPE

DeutschDesc: ROHRLEITUNG

1шт.

38

4102419M91

HOSE ASSEMBLY

DeutschDesc: SCHLAUCH VOLLST.

1шт.

39

1893264M1

SEAL

EnglischBem: REPAIRS AND REPLACES 4918 664 M1

1шт.

40

4918665M1

UNION

DeutschDesc: VERSCHRAUBUNG

1шт.

41

4102420M91

HOSE ASSEMBLY

DeutschDesc: SCHLAUCH VOLLST.

1шт.

42

1444848X1

O-RING

DeutschDesc: O-RING

2шт.

43

1444835X1

HALF FLANGE

DeutschDesc: HALBFLANSCH

4шт.

44

2993680X1

LOCK WASHER

DeutschDesc: SICHERUNGSSCHEIBE

8шт.

45

1441436X1

SCREW

DeutschDesc: SCHRAUBE

8шт.

46

2999878M1

BRACE

DeutschDesc: HALTEBAND

4шт.

Выбрано товаров: 51