Запчасти Komatsu D670E СИГН. ЗАДН. ХОДА ДВИГАТЕЛЬ, АКСЕССУАРЫ И ЭЛЕКТРИЧ. СИСТЕМА

Схема запчастей Komatsu D670E - СИГН. ЗАДН. ХОДА ДВИГАТЕЛЬ, АКСЕССУАРЫ И ЭЛЕКТРИЧ. СИСТЕМА
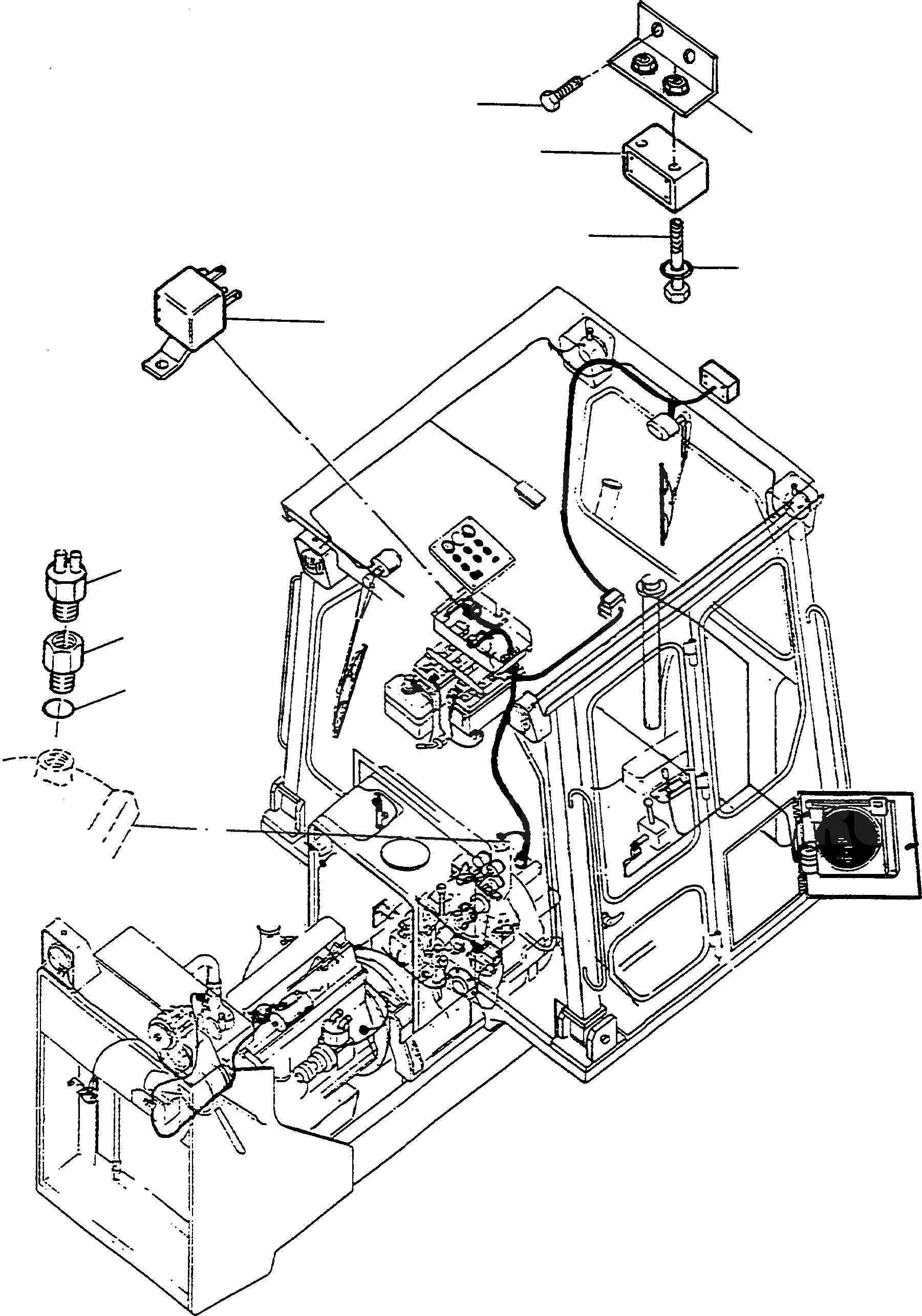
4
7
6
5
8
9
1
2
3
FIT
1:1
100%

Артикул

Название

Примечание

Количество

1

2989768M1

PRESSURE SWITCH

DeutschDesc: DRUCKSCHALTER

1шт.

2

3002406X1

UNION

DeutschDesc: VERSCHRAUBUNG

1шт.

3

390839X1

SEAL

DeutschDesc: DICHTRING

1шт.

4

3097003M1

RELAY

DeutschDesc: RELAIS

1шт.

5

2984609M91

HORN

DeutschDesc: HUPE

1шт.

6

2989826M91

BRACKET

DeutschDesc: HALTER

1шт.

7

1444133X1

SCREW

DeutschDesc: SCHRAUBE

2шт.

8

1443653X1

SCREW

DeutschDesc: SCHRAUBE

2шт.

9

390972X1

PLAIN WASHER

DeutschDesc: UNTERLEGSCHEIBE

2шт.

Выбрано товаров: 9