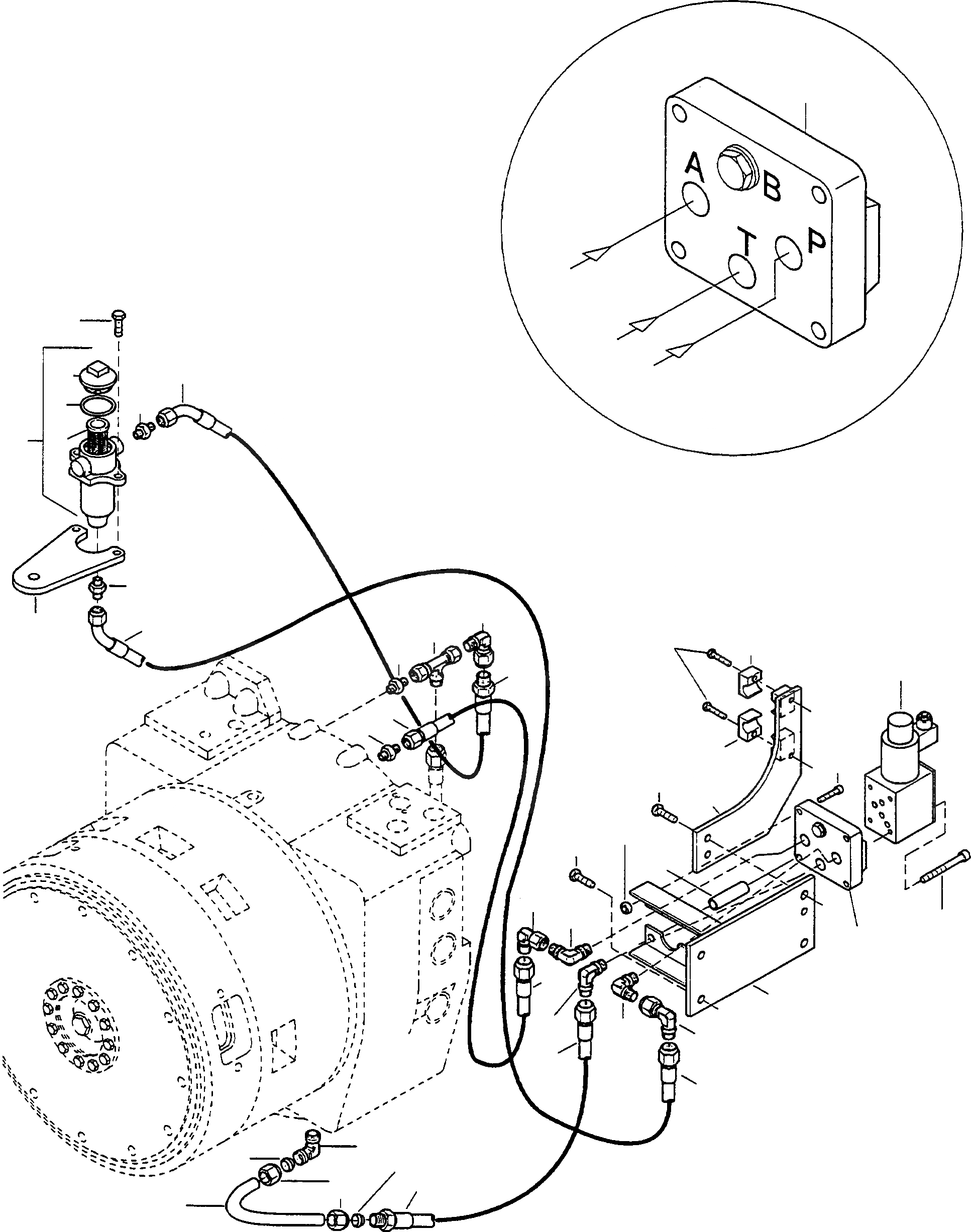
Запчасти Komatsu D670E CONVERTER ТРАНСМИССИЯ, ФИЛЬТР.ING ТРАНСМИССИЯ И ЗАДН. МОСТ

Схема запчастей Komatsu D670E - CONVERTER ТРАНСМИССИЯ, ФИЛЬТР.ING ТРАНСМИССИЯ И ЗАДН. МОСТ
23
1A
12
5
14
7
7
6
3
1
2
6
8
9
7
4
29
30
10
27
7
12
13
29
24
21
22
26
20
25
8
11
28
23
12
19
11
11
8
14
7
18
16
16
17
14
15
FIT
1:1
100%

Артикул

Название

Примечание

Количество

1

2989387M91

FILTER

DeutschDesc: FILTER

1шт.

1A

4918510M1

COVER

DeutschDesc: DECKEL

1шт.

2

2989388M91

FILTER ELEMENT

DeutschDesc: FILTERELEMENT

1шт.

3

3256064M1

GASKET

DeutschDesc: DICHTUNG

1шт.

4

4102644M1

BRACKET

DeutschDesc: HALTER

1шт.

5

1444133X1

SCREW

DeutschDesc: SCHRAUBE

2шт.

6

4700277X1

STUD

DeutschDesc: STUTZEN

2шт.

7

4700805X91

HOSE ASSEMBLY

DeutschDesc: SCHLAUCH VOLLST.

2шт.

8

4700287X91

ELBOW

DeutschDesc: WINKELSTUECK

2шт.

9

4700310X91

TEE ASS'Y

DeutschDesc: T-STUECK KPL

1шт.

10

4700267X1

STUD

DeutschDesc: STUTZEN

1шт.

11

4700340X91

UNION

DeutschDesc: VERSCHRAUBUNG

3шт.

12

2995375X91

HOSE ASSEMBLY

DeutschDesc: SCHLAUCH VOLLST.

1шт.

13

3002302X91

UNION

DeutschDesc: VERSCHRAUBUNG

1шт.

14

2995375X91

HOSE ASSEMBLY

DeutschDesc: SCHLAUCH VOLLST.

1шт.

15

4101582M1

TUBE

DeutschDesc: ROHR

1шт.

16

1444690X1

OLIVE

DeutschDesc: SCHNEIDRING

2шт.

17

1444684X1

BOXNUT

DeutschDesc: UEBERWURFMUTTER

2шт.

18

3004089X91

UNION

DeutschDesc: VERSCHRAUBUNG

1шт.

19

4102648M91

BASE PLATE

DeutschDesc: GRUNDPLATTE

1шт.

20

1444133X1

SCREW

DeutschDesc: SCHRAUBE

2шт.

21

1444135X1

SCREW

DeutschDesc: SCHRAUBE

2шт.

22

4102650M91

BRACKET

DeutschDesc: HALTER

1шт.

23

4102632M1

PLATE

DeutschDesc: PLATTE

1шт.

24

1444176X1

SCREW

DeutschDesc: SCHRAUBE

4шт.

25

4102651M1

SPACER

DeutschDesc: ABSTANDSTUECK

4шт.

26

1444328X1

NUT

DeutschDesc: MUTTER

4шт.

27

4910498M1

TWO WAY VALVE

DeutschDesc: ZWEIWEGEVENTIL

1шт.

28

4700799X1

SCREW

DeutschDesc: SCHRAUBE

4шт.

29

4227767M1

CLIP

DeutschDesc: SCHELLE

2шт.

30

1444135X1

SCREW

DeutschDesc: SCHRAUBE

2шт.

Выбрано товаров: 31