Запчасти Komatsu D70-LE РУЛЕВ. УПРАВЛЕНИЕ КОРПУС COVER ОСНОВН. МУФТА ТРАНСМИССИЯ¤ РУЛЕВ. УПРАВЛЕНИЕ И КОНЕЧНАЯ ПЕРЕДАЧА

Схема запчастей Komatsu D70-LE - РУЛЕВ. УПРАВЛЕНИЕ КОРПУС COVER ОСНОВН. МУФТА ТРАНСМИССИЯ¤ РУЛЕВ. УПРАВЛЕНИЕ И КОНЕЧНАЯ ПЕРЕДАЧА
FIT
1:1
100%

Артикул

Название

Примечание

Количество

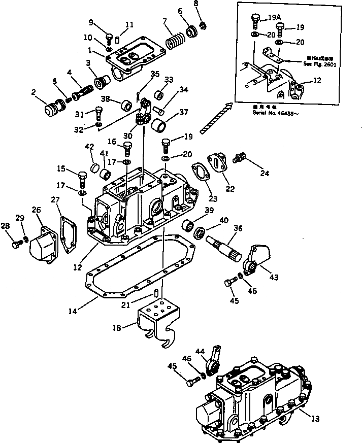
1

144-33-21410

COVER

SN: 45200-UP

2шт.

2

144-33-21420

PISTON

SN: 45200-UP

2шт.

3

144-33-21430

BUSHING

SN: 45200-UP

2шт.

4

144-33-21440

SPOOL

SN: 45200-UP

2шт.

5

07043-00108

PLUG

SN: 45200-UP

2шт.

6

175-33-31310

RETAINER

SN: 45200-UP

2шт.

7

170-33-13370

SPRING

SN: 45200-UP

2шт.

8

04064-02512

RING,SNAP

SN: 45200-UP

2шт.

9

01010-51230

BOLT

SN: 45200-UP

12шт.

10

01602-21236

WASHER,SPRING

SN: 45200-UP

12шт.

11

04020-01228

PIN,DOWEL

SN: 45200-UP

4шт.

12

144-33-21120

COVER,R.H.

SN: 45200-UP

1шт.

13

144-33-21110

COVER,L.H.

SN: 45200-UP

1шт.

14

144-33-21340

GASKET (K4)

SN: 45200-UP

2шт.

15

01010-51455

BOLT

SN: 45200-UP

28шт.

16

01010-51445

BOLT

SN: 45200-UP

2шт.

17

01602-21442

WASHER,SPRING

SN: 45200-UP

30шт.

18

144-33-21170

ANCHOR

SN: 45200-UP

2шт.

19

01010-51650

BOLT

SN: 46438-UP

4шт.

19

01010-51645

BOLT

SN: 45200-46437

4шт.

19A

01010-51645

BOLT

SN: 45200-UP

4шт.

20

01643-31645

WASHER

SN: 45200-UP

8шт.

21

04020-01228

PIN,DOWEL

SN: 45200-UP

4шт.

22

145-33-51160

COVER

SN: 45200-UP

2шт.

23

144-33-21140

GASKET (K4)

SN: 45200-UP

2шт.

24

144-33-21580

BOLT

SN: 45200-UP

4шт.

26

144-33-21150

COVER

SN: 45200-UP

2шт.

27

144-33-21160

GASKET (K4)

SN: 45200-UP

2шт.

28

01010-51025

BOLT

SN: 45200-UP

10шт.

29

01602-21030

WASHER,SPRING

SN: 45200-UP

10шт.

30

144-33-21270

LEVER

SN: 45200-UP

2шт.

31

01010-51245

BOLT

SN: 45200-UP

2шт.

32

01602-21236

WASHER,SPRING

SN: 45200-UP

2шт.

33

170-33-13330

ROLLER

SN: 45200-UP

2шт.

34

04205-01645

PIN

SN: 45200-UP

2шт.

35

04050-24028

PIN,COTTER (K4)

SN: 45200-UP

2шт.

36

145-33-51140

SHAFT

SN: 45200-UP

2шт.

37

145-33-51150

COLLAR

SN: 45200-UP

2шт.

38

130-33-62230

COLLAR

SN: 45200-UP

2шт.

39

06120-03520

BEARING

SN: 45200-UP

2шт.

40

07012-00035

SEAL,OIL (K4)

SN: 45200-UP

2шт.

41

06120-02520

BEARING

SN: 45200-UP

2шт.

42

07046-23016

PLUG

SN: 45200-UP

2шт.

43

144-43-31332

LEVER,R.H.

SN: 45200-UP

1шт.

44

144-43-31321

LEVER,L.H.

SN: 45200-UP

1шт.

45

01010-51245

BOLT

SN: 45200-UP

2шт.

46

01602-21236

WASHER,SPRING

SN: 45200-UP

2шт.

Выбрано товаров: 0