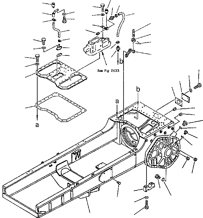
Запчасти Komatsu D70-LE КОРПУС БЛОКА УПРАВЛЕНИЯ ПОВОРОТОМ И ОСНОВНАЯ РАМА ОСНОВН. МУФТА ТРАНСМИССИЯ¤ РУЛЕВ. УПРАВЛЕНИЕ И КОНЕЧНАЯ ПЕРЕДАЧА

Схема запчастей Komatsu D70-LE - КОРПУС БЛОКА УПРАВЛЕНИЯ ПОВОРОТОМ И ОСНОВНАЯ РАМА ОСНОВН. МУФТА ТРАНСМИССИЯ¤ РУЛЕВ. УПРАВЛЕНИЕ И КОНЕЧНАЯ ПЕРЕДАЧА
43
42
9
12
20
10
11
41
43
42
34
38
39
37
40
29
30
27
33
32
31
34
28
30
24
23
26
25
36
35
21
22
19
3
2
17
18
15
16
5
5
14
13
6
8
7
4
1
FIT
1:1
100%

Артикул

Название

Примечание

Количество

1

144-21-J1200

MAIN FRAME ASS'Y

Field_1: J10001-

1шт.

2

07049-03342

PLUG

Field_1: J10001-

6шт.

3

07049-02430

PLUG

Field_1: J10001-

9шт.

4

07049-02025

PLUG

Field_1: J10001-

8шт.

5

131-21-41520

PLUG

Field_1: J10001-

4шт.

6

141-21-31330

CAP

Field_1: J10001-

4шт.

7

01010-82295

BOLT

Field_1: J10001-

8шт.

8

01602-22268

WASHER

Field_1: J10001-

8шт.

9

144-21-12190

CAP

Field_1: J10001-

2шт.

10

01123-62200

STUD

Field_1: J10001-

4шт.

11

01592-02226

NUT

Field_1: J10001-J10496

4шт.

|$12

01597-02218

NUT

Field_1: J10497-

4шт.

12

04050-05040

COTTER PIN

Field_1: J10001-J10496

4шт.

13

07044-13620

PLUG

Field_1: J10001-

4шт.

14

07002-03634

O-RING

Field_1: J10001-

4шт.

15

07040-13618

PLUG

Field_1: J10001-

2шт.

16

07002-03634

O-RING

Field_1: J10001-

2шт.

17

07040-13618

PLUG

Field_1: J10001-

1шт.

18

07000-03038

O-RING

Field_1: J10001-

1шт.

19

144-21-11950

PLATE

Field_1: J10001-

1шт.

20

144-21-11960

GASKET

Field_1: J10001-

1шт.

21

01010-81635

BOLT

Field_1: J10001-

4шт.

22

01602-21648

WASHER

Field_1: J10001-

4шт.

23

144-21-11970

COVER

Field_1: J10001-

1шт.

24

144-21-11421

GASKET

Field_1: J10001-

1шт.

25

01010-81435

BOLT

Field_1: J10001-

10шт.

26

01602-21442

WASHER

Field_1: J10001-

10шт.

27

144-21-11981

FLANGE

Field_1: J10001-

1шт.

28

144-21-51210

EXTENSION

Field_1: J10001-

1шт.

29

144-21-51220

HOSE

Field_1: J10001-

1шт.

30

07281-00289

CLAMP

Field_1: J10001-

2шт.

31

01010-81020

BOLT

Field_1: J10001-

1шт.

32

01602-21030

WASHER

Field_1: J10001-

1шт.

33

135-43-31160

GASKET

Field_1: J10001-

1шт.

34

07030-00252

BREATHER

Field_1: J10001-

3шт.

35

01010-81025

BOLT

Field_1: J10001-

2шт.

36

01602-21030

WASHER

Field_1: J10001-

2шт.

37

144-21-51280

BRACKET

Field_1: J10001-

2шт.

38

01010-51650

BOLT, (SEE FIG 2633)

Field_1: J10001-

4шт.

39

01643-31645

WASHER, (SEE FIG.2633)

Field_1: J10001-

4шт.

40

07042-70211

PLUG

Field_1: J10001-

2шт.

41

07260-20922

HOSE

Field_1: J10001-

2шт.

42

20B-04-21110

NIPPLE

Field_1: J10001-

4шт.

43

07281-00137

CLAMP

Field_1: J10001-

4шт.

Выбрано товаров: 44