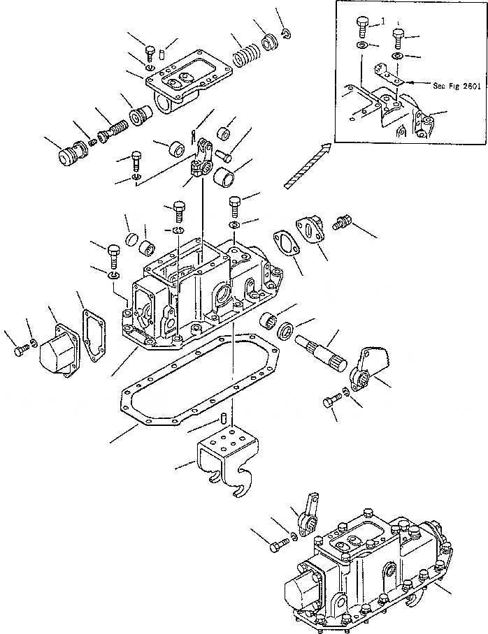
Запчасти Komatsu D70-LE РУЛЕВ. УПРАВЛЕНИЕ КОРПУС COVER ОСНОВН. МУФТА ТРАНСМИССИЯ¤ РУЛЕВ. УПРАВЛЕНИЕ И КОНЕЧНАЯ ПЕРЕДАЧА

Схема запчастей Komatsu D70-LE - РУЛЕВ. УПРАВЛЕНИЕ КОРПУС COVER ОСНОВН. МУФТА ТРАНСМИССИЯ¤ РУЛЕВ. УПРАВЛЕНИЕ И КОНЕЧНАЯ ПЕРЕДАЧА
37
19
20
22
23
24
39
40
36
43
46
45
21
14
12
18
30
16
41
17
42
32
31
38
44
46
45
19A
20
8
6
7
11
9
10
1
3
4
35
33
34
19
20
12
5
2
15
17
27
26
29
28
13
FIT
1:1
100%

Артикул

Название

Примечание

Количество

1

144-33-21410

COVER

Field_1: J10001-

2шт.

2

144-33-21420

PISTON

Field_1: J10001-

2шт.

3

144-33-21430

BUSHING

Field_1: J10001-

2шт.

4

144-33-21440

SPOOL

Field_1: J10001-

2шт.

5

07043-00108

PLUG

Field_1: J10001-

2шт.

6

175-33-31310

RETAINER

Field_1: J10001-

2шт.

7

170-33-13370

SPRING

Field_1: J10001-

2шт.

8

04064-02512

SNAP RING

Field_1: J10001-

2шт.

9

01010-81230

BOLT

Field_1: J10001-

12шт.

10

01602-21236

WASHER

Field_1: J10001-

12шт.

11

04020-01228

DOWEL PIN

Field_1: J10001-

4шт.

12

144-33-21120

COVER

Field_1: J10001-

1шт.

13

144-33-21110

COVER

Field_1: J10001-

1шт.

14

144-33-21340

GASKET (K4)

Field_1: J10001-

2шт.

15

01010-81455

BOLT

Field_1: J10001-

28шт.

16

01010-81445

BOLT

Field_1: J10001-

2шт.

17

01602-21442

WASHER

Field_1: J10001-

30шт.

18

144-33-21170

ANCHOR

Field_1: J10001-

2шт.

19

01010-81645

BOLT

Field_1: J10001-

4шт.

19A

01010-81645

BOLT

Field_1: J10001-

4шт.

20

01643-31645

WASHER

Field_1: J10001-

8шт.

21

04020-01228

DOWEL PIN

Field_1: J10001-

4шт.

22

145-33-51160

COVER

Field_1: J10001-

2шт.

23

144-33-21140

GASKET

Field_1: J10001-

2шт.

24

144-33-21580

BOLT

Field_1: J10001-

4шт.

26

144-33-21150

COVER

Field_1: J10001-

2шт.

27

144-33-21160

GASKET

Field_1: J10001-

2шт.

28

01010-81025

BOLT

Field_1: J10001-

10шт.

29

01602-21030

WASHER

Field_1: J10001-

10шт.

30

144-33-21270

LEVER

Field_1: J10001-

2шт.

31

01010-81245

BOLT

Field_1: J10001-

2шт.

32

01602-21236

WASHER

Field_1: J10001-

2шт.

33

170-33-13330

ROLLER

Field_1: J10001-

2шт.

34

04205-01645

PIN

Field_1: J10001-

2шт.

35

04050-24028

PIN

Field_1: J10001-

2шт.

36

145-33-51140

SHAFT

Field_1: J10001-

2шт.

37

145-33-51150

COLLAR

Field_1: J10001-

2шт.

38

130-33-62220

COLLAR

Field_1: J10001-

2шт.

39

06120-03520

NEEDLE BEARING

Field_1: J10001-

2шт.

40

07012-00035

OIL SEAL

Field_1: J10001-

2шт.

41

06120-02520

NEEDLE BEARING

Field_1: J10001-

2шт.

42

07046-23016

PLUG

Field_1: J10001-

2шт.

43

144-43-31332

LEVER

Field_1: J10001-

1шт.

44

144-43-31321

LEVER

Field_1: J10001-

1шт.

45

01010-81245

BOLT

Field_1: J10001-

2шт.

46

01602-21236

WASHER

Field_1: J10001-

2шт.

Выбрано товаров: 46