Запчасти Komatsu D700D Super HAND РУЛЕВ. УПРАВЛЕНИЕ СИСТЕМАУПРАВЛЕНИЯ ПОВОРОТОМ, ПЕРЕДНИЙ МОСТ, ТОРМОЗ. СИСТЕМА

Схема запчастей Komatsu D700D Super - HAND РУЛЕВ. УПРАВЛЕНИЕ СИСТЕМАУПРАВЛЕНИЯ ПОВОРОТОМ, ПЕРЕДНИЙ МОСТ, ТОРМОЗ. СИСТЕМА
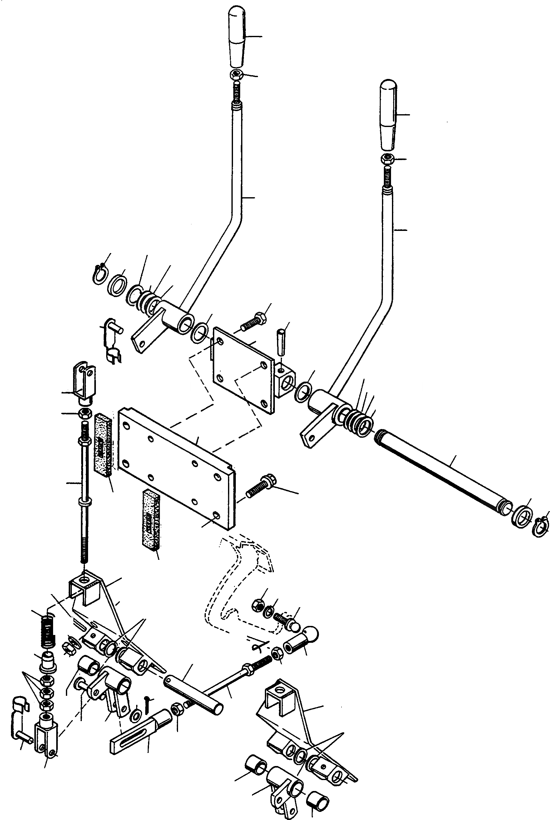
3
3A
11
3
7
8
2
1
12
10
9
46
40
32
5
7
13
24
14
44
4
43
30
7
3A
10
9
8
15
7
16
45
6
17
11
47
46
12
18
42
29
41
19
30
39
20
28
38
21
37
33
27
36
31
26
35
23
34
22
27
27
25
FIT
1:1
100%

Артикул

Название

Примечание

Количество

1

2978823M91

LEVER

DeutschDesc: HEBEL

1шт.

2

2978824M91

LEVER

DeutschDesc: HEBEL

1шт.

3

2989369M1

HANDLE

DeutschDesc: HANDGRIFF

2шт.

3A

390687X1

NUT

DeutschDesc: MUTTER

2шт.

4

2978828M91

BRACKET

DeutschDesc: HALTER

1шт.

5

1444133X1

SCREW

DeutschDesc: SCHRAUBE

4шт.

6

2978831M1

AXLE

DeutschDesc: ACHSE

1шт.

7

2889503M1

DISC

DeutschDesc: SCHEIBE

4шт.

8

2995585X1

DISC

DeutschDesc: SCHEIBE

2шт.

9

1444374X1

DISC

DeutschDesc: SCHEIBE

2шт.

10

1444376X1

DISC

DeutschDesc: SCHEIBE

2шт.

11

4001101M1

DISC

DeutschDesc: SCHEIBE

2шт.

12

395565X1

CIRCLIP

DeutschDesc: SICHERUNGSRING

2шт.

13

1444422X1

GROOVE PIN

DeutschDesc: KERBSTIFT

1шт.

14

1444493X1

CLEVIS PIN

DeutschDesc: GABELKOPFBOLZEN

2шт.

15

2995597X1

FORK HEAD

DeutschDesc: GABELKOPF

2шт.

16

1444305X1

NUT

DeutschDesc: MUTTER

2шт.

17

4001192M91

ROD

DeutschDesc: STANGE

2шт.

18

4001136M91

BEARING

DeutschDesc: LAGER

1шт.

19

2951897M1

COMPRESSION SPRING

DeutschDesc: DRUCKFEDER

2шт.

20

4001188M1

BUSHING

DeutschDesc: BUCHSE

2шт.

21

339169X1

NUT

DeutschDesc: MUTTER

6шт.

22

339654X1

FORK HEAD

DeutschDesc: GABELKOPF

2шт.

23

1444493X1

CLEVIS PIN

DeutschDesc: GABELKOPFBOLZEN

2шт.

24

339402X1

NUT

DeutschDesc: MUTTER

8шт.

25

2993793X1

SPRING WASHER

DeutschDesc: FEDERRING

8шт.

26

2978848M91

LEVER

DeutschDesc: HEBEL

1шт.

27

2999859M1

BUSHING

DeutschDesc: BUCHSE

4шт.

28

2978839M1

AXLE

DeutschDesc: ACHSE

2шт.

29

1444422X1

GROOVE PIN

DeutschDesc: KERBSTIFT

2шт.

30

2889503M1

DISC

DeutschDesc: SCHEIBE

4шт.

31

4001076M1

PIN

DeutschDesc: BOLZEN

2шт.

32

390972X1

PLAIN WASHER

DeutschDesc: UNTERLEGSCHEIBE

2шт.

33

1442864X1

COTTER

DeutschDesc: SPLINT

2шт.

34

4001308M91

STRAP

DeutschDesc: LASCHE

2шт.

35

339169X1

NUT

DeutschDesc: MUTTER

2шт.

36

4001306M91

ROD

DeutschDesc: STANGE

2шт.

37

1444305X1

NUT

DeutschDesc: MUTTER

2шт.

38

1444507X1

BALL SOCKET

DeutschDesc: KUGELPFANNE

2шт.

39

1444505X1

SAFETY SUSPENSION

DeutschDesc: SICHERUNGSFEDER

2шт.

40

1443816X1

BALL PIVOT

DeutschDesc: KUGELZAPFEN

2шт.

41

2993792X1

SPRING WASHER

DeutschDesc: FEDERRING

2шт.

42

339169X1

NUT

DeutschDesc: MUTTER

2шт.

43

2978847M91

LEVER

DeutschDesc: HEBEL

1шт.

44

4001137M91

BEARING

DeutschDesc: LAGER

1шт.

45

4001176M1

PLATE

DeutschDesc: PLATTE

1шт.

46

4001177M1

ORIFICE PLATE

DeutschDesc: BLENDE

2шт.

47

339814X1

SCREW

EnglischBem: REPAIRS AND REPLACES 3004 453 X1

4шт.

48

2993793X1

SPRING WASHER

DeutschDesc: FEDERRING

4шт.

Выбрано товаров: 49