Запчасти Komatsu D700D Super TIMING КОРПУС ШЕСТЕРЕНН. ПЕРЕДАЧИ И КАРТЕР МАХОВИКА ДВИГАТЕЛЬ, АКСЕССУАРЫ И ЭЛЕКТРИЧ. СИСТЕМА

Схема запчастей Komatsu D700D Super - TIMING КОРПУС ШЕСТЕРЕНН. ПЕРЕДАЧИ И КАРТЕР МАХОВИКА ДВИГАТЕЛЬ, АКСЕССУАРЫ И ЭЛЕКТРИЧ. СИСТЕМА
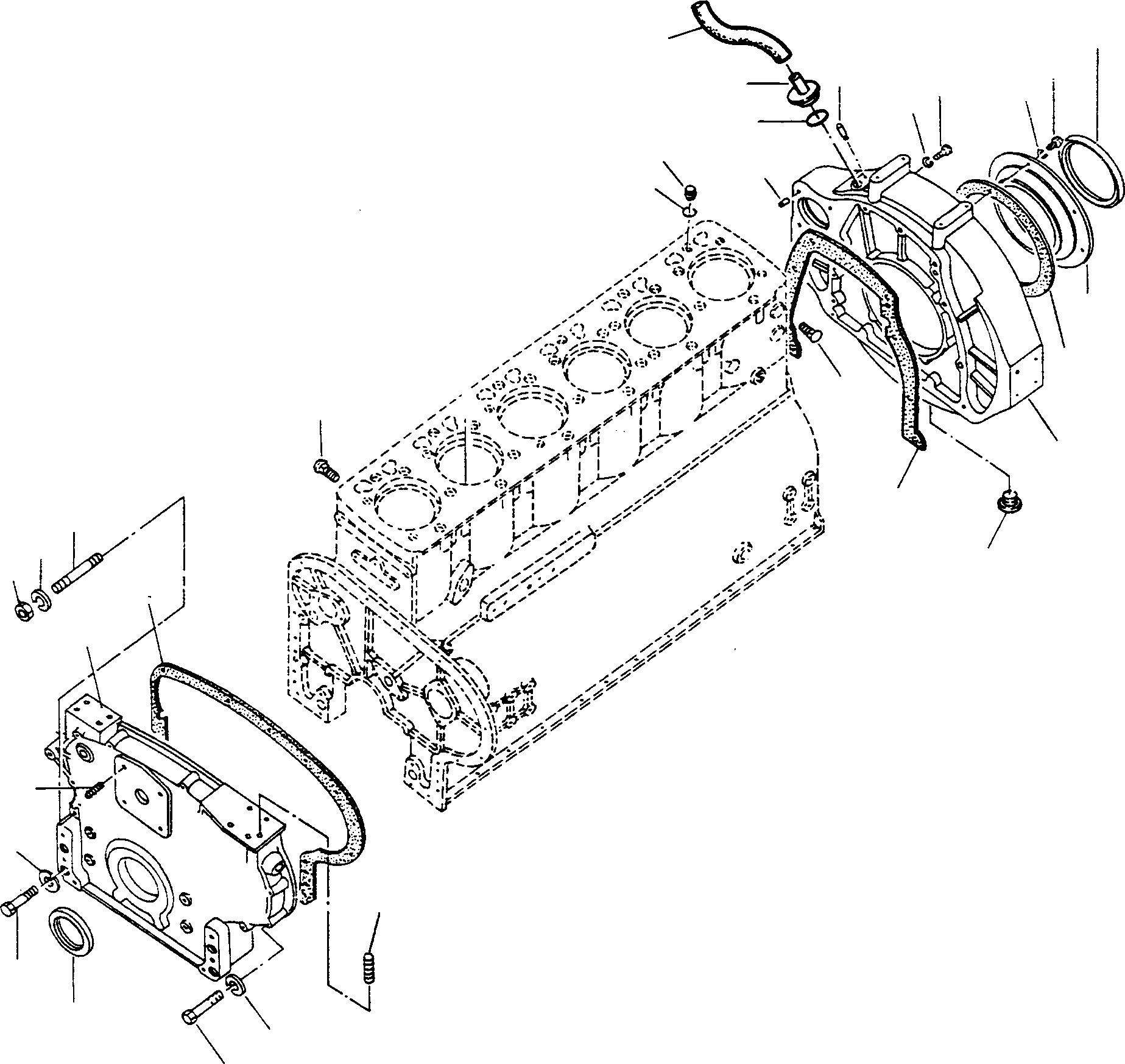
30
23
14
29
19
20
24
25
22
28
21
15
27
26
13
13
17
16
9
10
18
11
2
1
8
5
12
4
3
7
6
FIT
1:1
100%

Артикул

Название

Примечание

Количество

1

2992549M1

COVER

DeutschDesc: DECKEL

1шт.

2

2870925M1

GASKET

DeutschDesc: DICHTUNG

1шт.

3

2998590M2

SEAL

DeutschDesc: DICHTRING

1шт.

4

1443651X1

SCREW

DeutschDesc: SCHRAUBE

4шт.

5

1443789X1

SPRING WASHER

DeutschDesc: FEDERRING

4шт.

6

1443650X1

SCREW

DeutschDesc: SCHRAUBE

7шт.

7

1443789X1

SPRING WASHER

DeutschDesc: FEDERRING

7шт.

8

1443735X1

STUD BOLT

DeutschDesc: STIFTSCHRAUBE

4шт.

9

1444230X1

STUD BOLT

DeutschDesc: STIFTSCHRAUBE

1шт.

10

1443789X1

SPRING WASHER

DeutschDesc: FEDERRING

1шт.

11

339169X1

NUT

DeutschDesc: MUTTER

1шт.

12

3005574X1

GRUB SCREW

DeutschDesc: GEWINDESTIFT

1шт.

13

1444207X1

SCREW

DeutschDesc: SCHRAUBE

4шт.

14

2976200M1

TUBE

DeutschDesc: ROHR

6шт.

15

2997352M1

O-RING

DeutschDesc: O-RING

6шт.

16

2871070M1

GASKET

DeutschDesc: DICHTUNG

1шт.

17

3070747M1

HOUSING

DeutschDesc: GEHAEUSE

1шт.

18

3096979M1

PLUG

DeutschDesc: VERSCHLUSSSTOPFEN

1шт.

19

1443738X1

STUD BOLT

DeutschDesc: STIFTSCHRAUBE

3шт.

20

2868010M1

POINTER

DeutschDesc: ZEIGER

1шт.

21

1444765X1

SEAL

DeutschDesc: DICHTRING

1шт.

22

2968768M91

COVER

DeutschDesc: DECKEL

1шт.

23

2995430X1

HOSE

EnglischBem: GOODS SOLD BY METER 2995 427 X1 630 MM

1шт.

24

1443792X1

SPRING WASHER

DeutschDesc: FEDERRING

9шт.

25

1444093X1

SCREW

DeutschDesc: SCHRAUBE

9шт.

26

2992761M1

GASKET

EnglischBem: REPAIRS AND REPLACES 2870 935 M1

1шт.

27

2969529M1

SEALING CARRIER

DeutschDesc: DICHTUNGSTRAEGER

1шт.

28

1443789X1

SPRING WASHER

DeutschDesc: FEDERRING

6шт.

29

339123X1

SCREW

DeutschDesc: SCHRAUBE

6шт.

30

2999623M3

SEAL

DeutschDesc: DICHTRING

1шт.

Выбрано товаров: 0