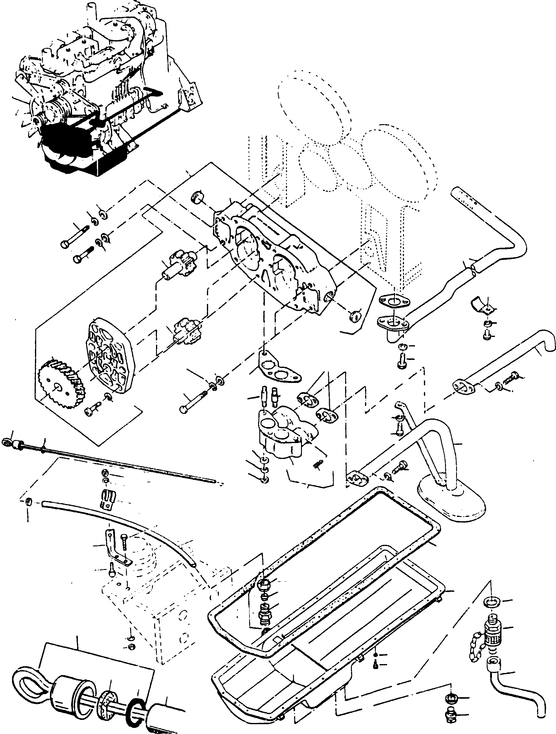
Запчасти Komatsu D700D Super ДВИГАТЕЛЬ СМАЗКА ДВИГАТЕЛЬ, АКСЕССУАРЫ И ЭЛЕКТРИЧ. СИСТЕМА

Схема запчастей Komatsu D700D Super - ДВИГАТЕЛЬ СМАЗКА ДВИГАТЕЛЬ, АКСЕССУАРЫ И ЭЛЕКТРИЧ. СИСТЕМА
4
24
48
47
41
44
39
39C
39B
39A
16
44
38A
37
37A
25
34
26
25
27
32
26
1
9
2
13
12
10
13
28
12
11
29
9
31
5
3
26
6
30
13
12
17
10
19
18
8
26
7
50
51
32
23
20
21
22
15
49
26
14
45
40
46
33
37
38
50
42
43
36
35
51
45
FIT
1:1
100%

Артикул

Название

Примечание

Количество

1

2871697M91

OIL PUMP

DeutschDesc: OELPUMPE

1шт.

2

2871680M1

HOUSING

DeutschDesc: GEHAEUSE

1шт.

3

2871695M91

PUMP GEAR

DeutschDesc: PUMPENRAD

2шт.

4

2871696M91

PUMP GEAR

DeutschDesc: PUMPENRAD

2шт.

5

2870052M1

COVER

DeutschDesc: DECKEL

2шт.

6

2871688M1

DRIVE GEAR

DeutschDesc: ANTRIEBSZAHNRAD

2шт.

7

1442705X1

SCREW

DeutschDesc: SCHRAUBE

12шт.

8

1443789X1

SPRING WASHER

DeutschDesc: FEDERRING

12шт.

9

2870043M1

PLUG

DeutschDesc: VERSCHLUSSSTOPFEN

2шт.

10

339368X1

SCREW

DeutschDesc: SCHRAUBE

3шт.

11

339291X1

SCREW

DeutschDesc: SCHRAUBE

1шт.

12

1443789X1

SPRING WASHER

DeutschDesc: FEDERRING

4шт.

13

3076907M1

PLAIN WASHER

DeutschDesc: UNTERLEGSCHEIBE

4шт.

14

2870048M1

HOUSING

DeutschDesc: GEHAEUSE

1шт.

15

NOT USED

DeutschDesc: NICHT VERWENDET

-1шт.

16

1443919X1

THREADED INSERT

DeutschDesc: GEWINDEEINSATZ

4шт.

17

2992759M1

GASKET

EnglischBem: REPAIRS AND REPLACES 2870 049 M1

1шт.

18

1444214X1

STUD BOLT

DeutschDesc: STIFTSCHRAUBE

2шт.

19

1444217X1

STUD BOLT

DeutschDesc: STIFTSCHRAUBE

1шт.

20

3076907M1

PLAIN WASHER

DeutschDesc: UNTERLEGSCHEIBE

3шт.

21

1443780X1

SPRING PLATE

DeutschDesc: FEDERSCHEIBE

3шт.

22

339169X1

NUT

DeutschDesc: MUTTER

3шт.

23

2992165M91

INTAKE

DeutschDesc: EINLASSLEITUNG

1шт.

24

4700095X1

GASKET

EnglischBem: REPAIRS AND REPLACES 1444 760 X1

2шт.

25

390379X1

SCREW

DeutschDesc: SCHRAUBE

4шт.

26

391037X1

SPRING WASHER

DeutschDesc: FEDERRING

9шт.

27

2871765M91

PIPE

DeutschDesc: ROHRLEITUNG

1шт.

28

3086032M91

INTAKE

DeutschDesc: EINLASSLEITUNG

1шт.

29

4700094X1

GASKET

DeutschDesc: DICHTUNG

1шт.

30

339761X1

SCREW

DeutschDesc: SCHRAUBE

2шт.

31

2961501M1

CLIP

DeutschDesc: SCHELLE

2шт.

32

339124X1

SCREW

DeutschDesc: SCHRAUBE

3шт.

33

3089030M1

SUMP

DeutschDesc: OELWANNE

1шт.

34

2992770M1

GASKET

EnglischBem: REPAIRS AND REPLACES 2872 191 M1

1шт.

35

339337X1

SCREW

DeutschDesc: SCHRAUBE

33шт.

36

1443789X1

SPRING WASHER

DeutschDesc: FEDERRING

33шт.

37

1443848X1

SEAL

DeutschDesc: DICHTRING

2шт.

37A

1443748X1

PLUG

DeutschDesc: VERSCHLUSSSTOPFEN

1шт.

38

2992502M91

DRAIN VALVE

DeutschDesc: ABLASSVENTIL

1шт.

38A

2992503M91

HOSE ASSEMBLY

DeutschDesc: SCHLAUCH VOLLST.

1шт.

39

390848X91

UNION

DeutschDesc: VERSCHRAUBUNG

1шт.

39A

3004065X1

STUD

DeutschDesc: STUTZEN

1шт.

39B

1443840X1

OLIVE

DeutschDesc: SCHNEIDRING

1шт.

39C

339995X1

BOXNUT

DeutschDesc: UEBERWURFMUTTER

1шт.

40

4001207M1

BRACKET

DeutschDesc: HALTER

1шт.

41

339287X1

SCREW

DeutschDesc: SCHRAUBE

1шт.

42

1443789X1

SPRING WASHER

DeutschDesc: FEDERRING

1шт.

43

2872385M1

TUBE

DeutschDesc: ROHR

1шт.

44

4020683M1

TUBE

DeutschDesc: ROHR

1шт.

45

1444716X1

O-RING

DeutschDesc: O-RING

1шт.

46

339560X1

SCREW

DeutschDesc: SCHRAUBE

1шт.

47

NOT USED

DeutschDesc: NICHT VERWENDET

-1шт.

48

1443791X1

SPRING WASHER

DeutschDesc: FEDERRING

1шт.

49

339030X1

NUT

DeutschDesc: MUTTER

1шт.

50

4020681M91

OIL DIPSTICK

DeutschDesc: OELMESSSTAB

1шт.

51

2871668M1

GASKET

DeutschDesc: DICHTUNG

1шт.

Выбрано товаров: 0