Запчасти Komatsu D700D Super ПРИВОДRS СИДЕНЬЕ, С ВОЗД. ПОДВЕСКА ПРИВОДRS СИДЕНЬЕ, ATTACHING ЧАСТИ

Схема запчастей Komatsu D700D Super - ПРИВОДRS СИДЕНЬЕ, С ВОЗД. ПОДВЕСКА ПРИВОДRS СИДЕНЬЕ, ATTACHING ЧАСТИ
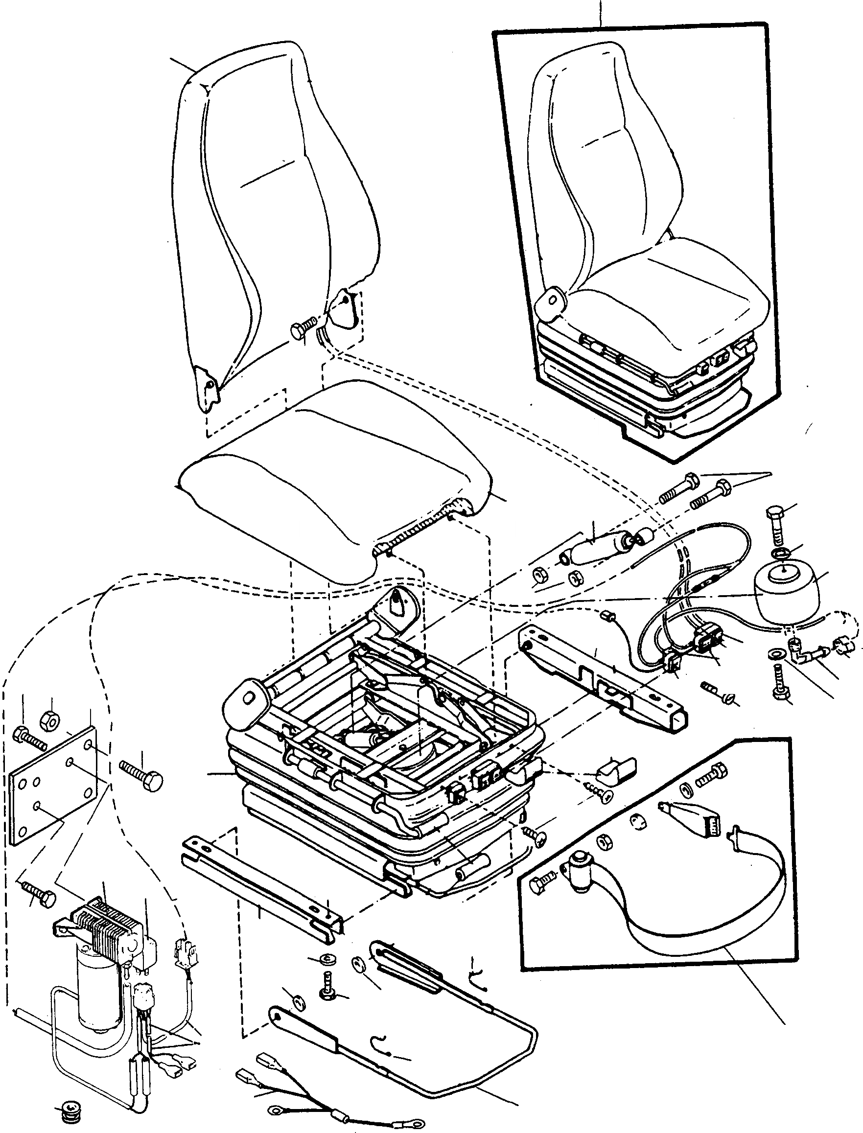
1
2
43
44
40
45
32
29
33
34
6
15
26
3
14
27
25
16
17
39
28
31
41
27
26
30
42
12
4
5
39
35
37
13
18
24
20
22
19
22
38
36
23
21
FIT
1:1
100%

Артикул

Название

Примечание

Количество

1

4202892M91

SEAT

DeutschDesc: SITZ

1шт.

2

4915167M91

BACK REST

DeutschDesc: RUECKENLEHNE

1шт.

3

4915168M91

SEAT CUSHION

DeutschDesc: SITZKISSEN

1шт.

4

4915169M91

BOTTOM PART

DeutschDesc: UNTERTEIL

1шт.

5

3005720X1

SCREW

DeutschDesc: SCHRAUBE

2шт.

6

339124X1

SCREW

DeutschDesc: SCHRAUBE

2шт.

7

3252487M1

COVERING

DeutschDesc: ABDECKUNG

2шт.

08

NOT USED

DeutschDesc: NICHT VERWENDET

-1шт.

09

NOT USED

DeutschDesc: NICHT VERWENDET

-1шт.

10

NOT USED

DeutschDesc: NICHT VERWENDET

-1шт.

11

NOT USED

DeutschDesc: NICHT VERWENDET

-1шт.

12

4915170M1

GRIP

DeutschDesc: GRIFF

1шт.

13

4915171M1

KNOB

DeutschDesc: KNAUF

1шт.

14

4915173M91

SHOCK ABSORBER

DeutschDesc: STOSSDAEMPFER

1шт.

15

339010X1

SCREW

DeutschDesc: SCHRAUBE

2шт.

16

1444329X1

NUT

DeutschDesc: MUTTER

2шт.

17

4915175M1

RAIL

DeutschDesc: SCHIENE

1шт.

18

4915176M1

RAIL

DeutschDesc: SCHIENE

1шт.

19

3005453X1

SCREW

DeutschDesc: SCHRAUBE

4шт.

20

1443789X1

SPRING WASHER

DeutschDesc: FEDERRING

4шт.

21

4909920M1

STIRRUP

DeutschDesc: BUEGEL

1шт.

22

3008354X1

SAFETY CATCH

DeutschDesc: SICHERUNG

2шт.

23

4909915M1

SPRING

DeutschDesc: FEDER

1шт.

24

4909916M1

SPRING

DeutschDesc: FEDER

1шт.

25

4915174M91

SUSPENSION

DeutschDesc: FEDERUNG

1шт.

26

339124X1

SCREW

DeutschDesc: SCHRAUBE

2шт.

27

3006138X1

TOOTH WASHER

DeutschDesc: ZAHNSCHEIBE

2шт.

28

4915177M1

UNION

DeutschDesc: VERSCHRAUBUNG

1шт.

29

4915172M91

VALVE

DeutschDesc: VENTIL

1шт.

30

2993185X1

SCREW

DeutschDesc: SCHRAUBE

4шт.

31

4915181M1

SWITCH

DeutschDesc: SCHALTER

1шт.

32

4915182M1

SWITCH

DeutschDesc: SCHALTER

1шт.

33

4915183M1

SWITCH

DeutschDesc: SCHALTER

1шт.

34

4915184M1

CLIP

DeutschDesc: SCHELLE

4шт.

35

4917639M91

COMPRESSOR

DeutschDesc: KOMPRESSOR

1шт.

36

4915178M91

HARNESS

DeutschDesc: KABELBAUM

1шт.

37

4915179M1

RELAY

DeutschDesc: RELAIS

1шт.

38

4202972M91

SAFETY BELT

DeutschDesc: SICHERHEITSGURT

1шт.

39

3000387X1

SCREW

DeutschDesc: SCHRAUBE

2шт.

40

2999901M1

SPOUT

DeutschDesc: TUELLE

1шт.

41

4021560M1

PLATE

DeutschDesc: PLATTE

1шт.

42

3000984X1

SCREW

DeutschDesc: SCHRAUBE

4шт.

43

1444317X1

NUT

DeutschDesc: MUTTER

4шт.

44

1442186X1

SCREW

DeutschDesc: SCHRAUBE

1шт.

45

4021562M91

HARNESS

DeutschDesc: KABELBAUM

1шт.

Выбрано товаров: 0