Запчасти Komatsu D700D Super ТРАНСМИССИЯ МАСЛ. ОХЛАЖД-Е ДВИГАТЕЛЬ, АКСЕССУАРЫ И ЭЛЕКТРИЧ. СИСТЕМА

Схема запчастей Komatsu D700D Super - ТРАНСМИССИЯ МАСЛ. ОХЛАЖД-Е ДВИГАТЕЛЬ, АКСЕССУАРЫ И ЭЛЕКТРИЧ. СИСТЕМА
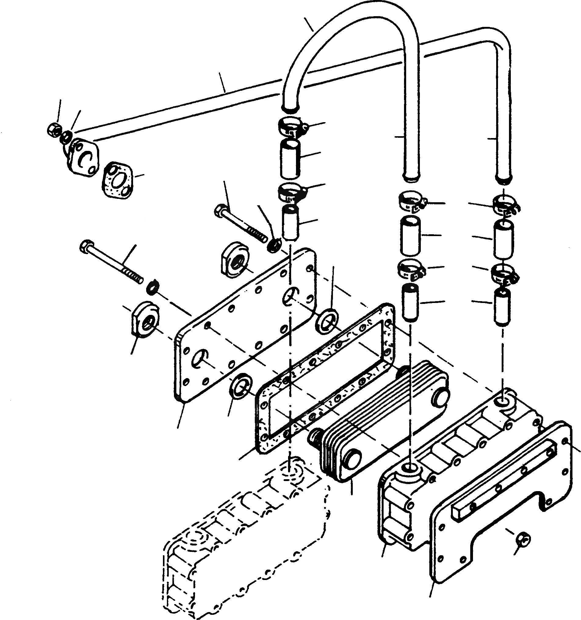
15
16
19
18
13
15
16
14
9
17
13
10
13
12
8
14
5
13
12
6
5
3
4
2
11
1
7
FIT
1:1
100%

Артикул

Название

Примечание

Количество

1

3079544M1

HOUSING

DeutschDesc: GEHAEUSE

1шт.

2

3079547M1

INSET

DeutschDesc: EINSATZ

1шт.

3

3079546M1

COVER

DeutschDesc: DECKEL

1шт.

4

2870823M1

GASKET

DeutschDesc: DICHTUNG

1шт.

5

1444753X1

SEAL

DeutschDesc: DICHTRING

2шт.

6

2992705M1

NUT

DeutschDesc: MUTTER

2шт.

7

2987780M91

CONSOLE

DeutschDesc: KONSOLE

1шт.

8

1443657X1

SCREW

DeutschDesc: SCHRAUBE

4шт.

9

339132X1

SCREW

DeutschDesc: SCHRAUBE

8шт.

10

1443789X1

SPRING WASHER

DeutschDesc: FEDERRING

12шт.

11

1440098X1

NUT

DeutschDesc: MUTTER

2шт.

12

3079548M1

TUBE

DeutschDesc: ROHR

3шт.

13

1444838X1

CLIP

DeutschDesc: SCHELLE

6шт.

14

3007428X1

HOSE

EnglischBem: GOODS SOLD BY METER 1443 909 X1 70 MM

3шт.

15

4001214M91

PIPE

DeutschDesc: ROHRLEITUNG

1шт.

16

4001212M91

PIPE

DeutschDesc: ROHRLEITUNG

1шт.

17

4700097X1

GASKET

EnglischBem: REPAIRS AND REPLACES 1443 853 X1

1шт.

18

1443789X1

SPRING WASHER

DeutschDesc: FEDERRING

2шт.

19

339169X1

NUT

DeutschDesc: MUTTER

2шт.

Выбрано товаров: 0