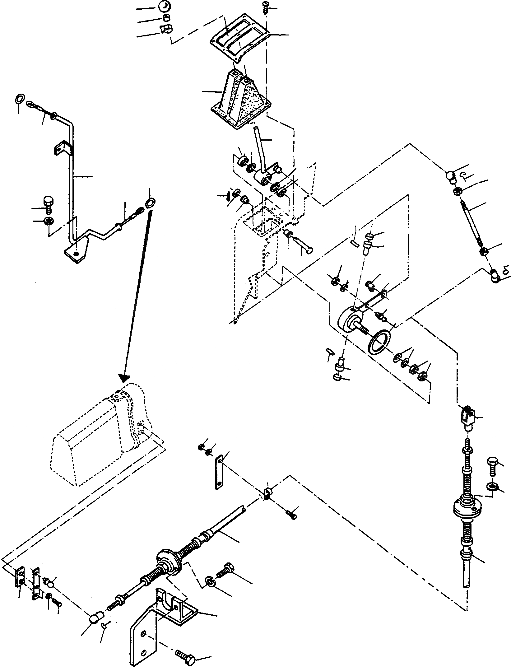
Запчасти Komatsu D700D Super УПРАВЛ-Е ДВИГАТЕЛЕМ ДВИГАТЕЛЬ, АКСЕССУАРЫ И ЭЛЕКТРИЧ. СИСТЕМА

Схема запчастей Komatsu D700D Super - УПРАВЛ-Е ДВИГАТЕЛЕМ ДВИГАТЕЛЬ, АКСЕССУАРЫ И ЭЛЕКТРИЧ. СИСТЕМА
13
49
7
2
21
10
43
42
9
47
27
14
12
8
11
52
48
1
3
2
15
16
53
3
48
17
50
6
4
24
51
23
16
22
4
15
5
28
20
14
18
19
25
26
22
24
23
29
38
37
35
46
34
47
36
31
39
31
40
46
44
41
32
33
45
FIT
1:1
100%

Артикул

Название

Примечание

Количество

1

2904114M91

LEVER

DeutschDesc: HEBEL

1шт.

2

339657X1

CIRCLIP

DeutschDesc: SICHERUNGSRING

2шт.

3

1442657X1

BALL BEARING

DeutschDesc: KUGELLAGER

2шт.

4

2898079M1

BUSHING

DeutschDesc: BUCHSE

2шт.

5

1444511X1

PIN

DeutschDesc: BOLZEN

1шт.

6

1444351X1

DISC

DeutschDesc: SCHEIBE

1шт.

7

339076X1

COTTER

DeutschDesc: SPLINT

1шт.

8

3005069X1

CLIP

DeutschDesc: SCHELLE

1шт.

9

1444448X1

SLEEVE

DeutschDesc: HUELSE

1шт.

10

1444596X1

BALL HEAD

DeutschDesc: KUGELKNOPF

1шт.

11

4001309M91

BELLOWS

DeutschDesc: FALTENBALG

1шт.

12

4001300M1

FRAME

DeutschDesc: RAHMEN

1шт.

13

3004039X1

SCREW

DeutschDesc: SCHRAUBE

9шт.

14

1444503X1

BALL SOCKET

DeutschDesc: KUGELPFANNE

2шт.

15

1444505X1

SAFETY SUSPENSION

DeutschDesc: SICHERUNGSFEDER

2шт.

16

339169X1

NUT

DeutschDesc: MUTTER

2шт.

17

2904022M1

ROD

DeutschDesc: STANGE

1шт.

18

2904130M91

LEVER

DeutschDesc: HEBEL

1шт.

19

1443816X1

BALL PIVOT

DeutschDesc: KUGELZAPFEN

1шт.

20

1443789X1

SPRING WASHER

DeutschDesc: FEDERRING

1шт.

21

339169X1

NUT

DeutschDesc: MUTTER

1шт.

22

1444509X1

PIN

DeutschDesc: BOLZEN

2шт.

23

1444564X1

INNER RACE

DeutschDesc: INNENRING

3шт.

24

339798X1

ADAPTER SLEEVES

DeutschDesc: SPANNHUELSE

2шт.

25

2879796M1

BRAKE DISC

DeutschDesc: BREMSSCHEIBE

1шт.

26

2999756M1

CUP SPRING

DeutschDesc: TELLERFEDER

12шт.

27

1444309X1

NUT

DeutschDesc: MUTTER

2шт.

28

1444493X1

CLEVIS PIN

DeutschDesc: GABELKOPFBOLZEN

1шт.

29

2897970M1

FORK HEAD

DeutschDesc: GABELKOPF

1шт.

30

NOT USED

DeutschDesc: NICHT VERWENDET

-1шт.

31

4020277M91

OPERATING ASSEMBLY

DeutschDesc: BETAETIGUNG

1шт.

32

2903470M1

BALL SOCKET

DeutschDesc: KUGELPFANNE

1шт.

33

1444505X1

SAFETY SUSPENSION

DeutschDesc: SICHERUNGSFEDER

1шт.

34

2951330M1

CLIP

DeutschDesc: SCHELLE

1шт.

35

3063873M8

BRACKET

DeutschDesc: HALTER

1шт.

36

339560X1

SCREW

DeutschDesc: SCHRAUBE

1шт.

37

1443791X1

SPRING WASHER

DeutschDesc: FEDERRING

1шт.

38

339030X1

NUT

DeutschDesc: MUTTER

1шт.

39

3089209M91

LEVER

DeutschDesc: HEBEL

1шт.

40

1444498X1

BALL PIVOT

DeutschDesc: KUGELZAPFEN

1шт.

41

339804X1

SCREW

DeutschDesc: SCHRAUBE

2шт.

42

1443791X1

SPRING WASHER

DeutschDesc: FEDERRING

2шт.

43

2951191M1

DISTANCE PIECE

DeutschDesc: DISTANZSTUECK

2шт.

44

4020273M91

BRACKET

DeutschDesc: HALTER

1шт.

45

1444132X1

SCREW

DeutschDesc: SCHRAUBE

2шт.

46

339560X1

SCREW

DeutschDesc: SCHRAUBE

4шт.

47

1443791X1

SPRING WASHER

DeutschDesc: FEDERRING

4шт.

48

4001209M91

STRING

DeutschDesc: SEIL

1шт.

49

3094057M91

PILOT

DeutschDesc: FUEHRUNG

1шт.

50

390738X1

SCREW

DeutschDesc: SCHRAUBE

1шт.

51

1443792X1

SPRING WASHER

DeutschDesc: FEDERRING

1шт.

52

3093901M1

RING

DeutschDesc: RING

1шт.

53

3093902M1

RING

DeutschDesc: RING

1шт.

Выбрано товаров: 0