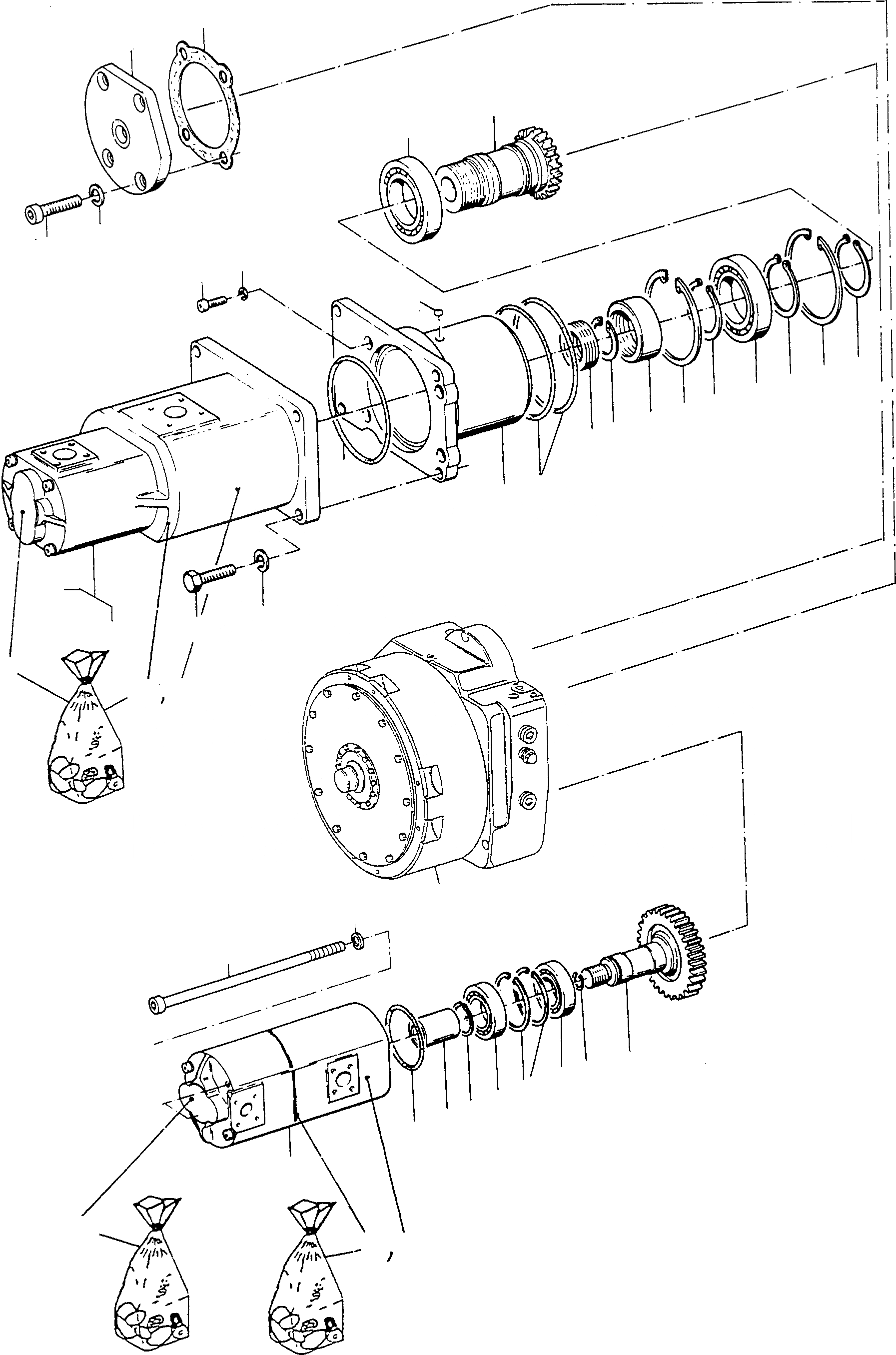
Запчасти Komatsu D700D Super CONVERTER ТРАНСМИССИЯ ТРАНСМИССИЯ И ЗАДН. МОСТ

Схема запчастей Komatsu D700D Super - CONVERTER ТРАНСМИССИЯ ТРАНСМИССИЯ И ЗАДН. МОСТ
11B
29
11C
28
11A
0
1B
1C
1A
24
27
26
31
30
18
17
19
25
25
26
25
24
23
22
21
15
20
16
11
12
14
13
3
2
10
9
7
8
7
6
5
4
1
FIT
1:1
100%

Артикул

Название

Примечание

Количество

0

4400026M91

CONVERT.TRANSMISSION

DeutschDesc: WANDLERGETRIEBE

1шт.

1

3071629M91

STEERING PUMP

DeutschDesc: LENKPUMPE

1шт.

1A

4915701M91

GASKET KIT

EnglischBem: REPAIRS AND REPLACES 1634 094 M91

1шт.

1B

4915702M91

GASKET KIT

EnglischBem: REPAIRS AND REPLACES 1634 095 M91

1шт.

1C

4915703M91

GASKET KIT

DeutschDesc: DICHTUNGSSATZ

1шт.

2

3001488X1

SCREW

DeutschDesc: SCHRAUBE

2шт.

3

391363X1

SPRING PLATE

DeutschDesc: FEDERSCHEIBE

2шт.

4

3007980X1

O-RING

DeutschDesc: O-RING

1шт.

5

2874969M1

SLEEVE

DeutschDesc: HUELSE

1шт.

6

2994459M1

CIRCLIP

DeutschDesc: SICHERUNGSRING

1шт.

7

2995641X1

BALL BEARING

DeutschDesc: KUGELLAGER

2шт.

8

339199X1

CIRCLIP

DeutschDesc: SICHERUNGSRING

2шт.

9

1442446X1

CIRCLIP

DeutschDesc: SICHERUNGSRING

1шт.

10

2889750M1

PUMP GEAR

DeutschDesc: PUMPENRAD

1шт.

11

3071630M91

TANDEM PUMP

DeutschDesc: TANDEMPUMPE

1шт.

11A

4919371M91

GASKET KIT

EnglischBem: REPAIRS AND REPLACES 3243 276 M91

1шт.

11B

4919372M91

GASKET KIT

EnglischBem: REPAIRS AND REPLACES 3243 277 M91

1шт.

11C

4919373M91

GASKET KIT

DeutschDesc: DICHTUNGSSATZ

1шт.

12

NOT USED

DeutschDesc: NICHT VERWENDET

-1шт.

13

339451X1

SCREW

DeutschDesc: SCHRAUBE

4шт.

14

1443790X1

SPRING WASHER

DeutschDesc: FEDERRING

4шт.

15

1444826X1

O-RING

DeutschDesc: O-RING

1шт.

16

2964753M1

FLANGE

DeutschDesc: FLANSCH

1шт.

17

3002038X1

SCREW

DeutschDesc: SCHRAUBE

4шт.

18

391037X1

SPRING WASHER

DeutschDesc: FEDERRING

4шт.

19

2972579M1

COVER

DeutschDesc: DECKEL

1шт.

20

2995201X1

O-RING

DeutschDesc: O-RING

2шт.

21

2964755M1

HUB

DeutschDesc: NABE

1шт.

22

390933X1

CIRCLIP

DeutschDesc: SICHERUNGSRING

1шт.

23

2964754M1

SLEEVE

DeutschDesc: HUELSE

1шт.

24

339437X1

CIRCLIP

DeutschDesc: SICHERUNGSRING

2шт.

25

391129X1

CIRCLIP

DeutschDesc: SICHERUNGSRING

3шт.

26

1444521X1

BALL BEARING

DeutschDesc: KUGELLAGER

2шт.

27

2964752M1

PUMP GEAR

DeutschDesc: PUMPENRAD

1шт.

28

3075252M2

COVER

DeutschDesc: DECKEL

1шт.

29

2889709M1

GASKET

DeutschDesc: DICHTUNG

1шт.

30

391148X1

SCREW

DeutschDesc: SCHRAUBE

4шт.

31

391037X1

SPRING WASHER

DeutschDesc: FEDERRING

4шт.

Выбрано товаров: 38