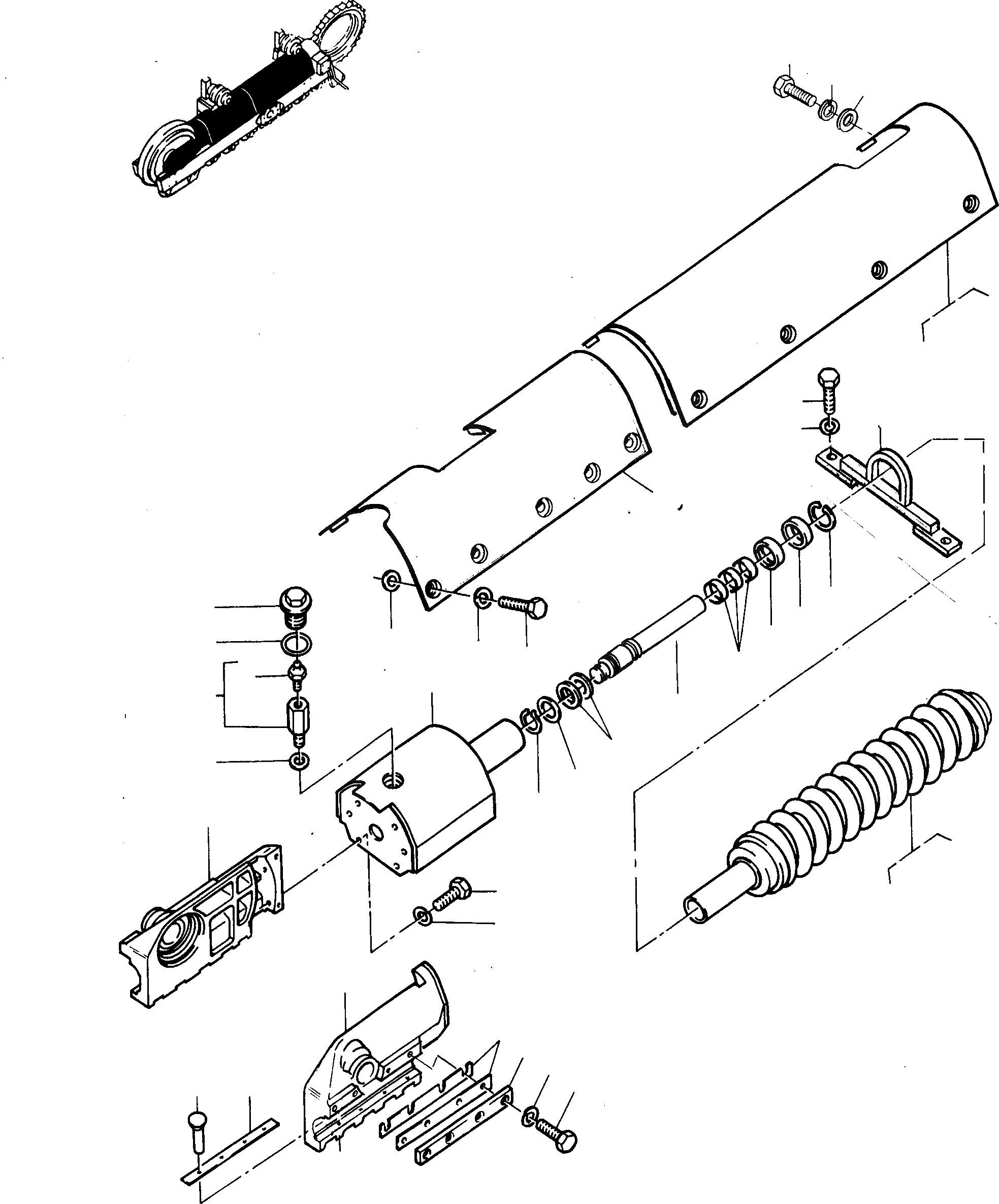
Запчасти Komatsu D700D Super ЦЕПЬ STRECHING DIVCE ТРАНСМИССИЯ И ЗАДН. МОСТ

Схема запчастей Komatsu D700D Super - ЦЕПЬ STRECHING DIVCE ТРАНСМИССИЯ И ЗАДН. МОСТ
33
35
34
36
35
34
36
31
30
26
25
27
32
24
16
23
22
15
21
14
9
13
17
18
12
19
20
2
29
28
10
11
1
5
6
8
7
3
4
FIT
1:1
100%

Артикул

Название

Примечание

Количество

1

4000470M1

IDLER FORK

EnglischBem: LEFT

2шт.

2

4000471M1

IDLER FORK

EnglischBem: RIGHT

2шт.

3

4000354M1

SLIDE RAIL

DeutschDesc: GLEITSCHIENE

4шт.

4

390422X1

RIVET

DeutschDesc: NIET

20шт.

5

4000361M1

EQUALIZER

EnglischBem: THICKNESS 0,5 MM

-26шт.

6

4000355M1

SLIDE RAIL

DeutschDesc: GLEITSCHIENE

4шт.

7

391706X1

SCREW

DeutschDesc: SCHRAUBE

16шт.

8

2994704M1

SPRING WASHER

DeutschDesc: FEDERRING

16шт.

9

4000458M91

CYLINDER

DeutschDesc: ZYLINDER

2шт.

10

1444080X1

SCREW

DeutschDesc: SCHRAUBE

12шт.

11

2994705M1

SAFETY RING

DeutschDesc: SICHERHEITSRING

12шт.

12

1440997X1

SEAL

DeutschDesc: DICHTRING

2шт.

13

2905203M92

LUBRICATION NIPPLE

DeutschDesc: SCHMIERNIPPEL

2шт.

14

339608X1

LUBRICATION NIPPLE

DeutschDesc: SCHMIERNIPPEL

2шт.

15

391305X1

SEAL

DeutschDesc: DICHTRING

2шт.

16

1443747X1

SCREW

DeutschDesc: SCHRAUBE

2шт.

17

4000376M1

CYLINDER ROD

DeutschDesc: KOLBENSTANGE

2шт.

18

2998516M91

PACKING ASSEMBLY

DeutschDesc: DACHMANSCHETTENSATZ

2шт.

19

2895952M1

DISC

DeutschDesc: SCHEIBE

2шт.

20

339605X1

CIRCLIP

DeutschDesc: SICHERUNGSRING

2шт.

21

4000385M1

RING

DeutschDesc: RING

6шт.

22

4000384M1

HOLDING FIXTURE

DeutschDesc: AUFNAHME

2шт.

23

4000383M1

STRIPPER

DeutschDesc: ABSTREIFER

2шт.

24

339606X1

CIRCLIP

DeutschDesc: SICHERUNGSRING

2шт.

25

4000863M91

SPRING CARRIER

DeutschDesc: FEDERTRAEGER

4шт.

26

1443539X1

SCREW

DeutschDesc: SCHRAUBE

8шт.

27

2994705M1

SAFETY RING

DeutschDesc: SICHERHEITSRING

8шт.

28

4000861M91

SUSPENSION

DeutschDesc: FEDERUNG

2шт.

29

NOT USED

DeutschDesc: NICHT VERWENDET

-1шт.

30

4021239M1

PROTECTOR

EnglischBem: REPAIRS AND REPLACES 4000 463 M91 LEFT

1шт.

31

4021240M1

PROTECTOR

EnglischBem: REPAIRS AND REPLACES 4000 464 M91 RIGHT

1шт.

32

4000461M91

COVERING

EnglischBem: LEFT

1шт.

33

4000462M91

COVERING

EnglischBem: RIGHT

1шт.

34

2899222M1

SCREW

DeutschDesc: SCHRAUBE

36шт.

35

3068340M8

SPRING PLATE

DeutschDesc: FEDERSCHEIBE

36шт.

36

2999755M1

CIRCLIP

DeutschDesc: SICHERUNGSRING

36шт.

Выбрано товаров: 36