Запчасти Komatsu D70LE-12 ТОЛКАЮЩ. РАМА(№-) РАБОЧЕЕ ОБОРУДОВАНИЕ

Схема запчастей Komatsu D70LE-12 - ТОЛКАЮЩ. РАМА(№-) РАБОЧЕЕ ОБОРУДОВАНИЕ
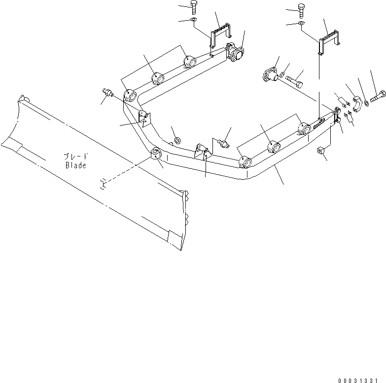
1
2
3
4
5
6
7
8
9
10
11
12
13
13
14
14
15
15
16
17
18
18
19
19
20
20
8
9
10
11
12
13
13
FIT
1:1
100%

Артикул

Название

Примечание

Количество

|$3

14X-70-00011

C-FRAME ASS'Y

SN: 60003-UP

1шт.

1

0

FRAME

SN: 60003-UP

1шт.

2

14U-70-12120

PIN

SN: 60001-UP

1шт.

3

14X-70-12151

BRACKET,L.H. (WELDED)

SN: 60001-UP

1шт.

4

14X-70-12161

BRACKET,R.H. (WELDED)

SN: 60001-UP

1шт.

5

144-70-13210

BRACKET,L.H. (WELDED)

SN: 60001-UP

3шт.

6

144-70-13220

BRACKET,R.H. (WELDED)

SN: 60001-UP

3шт.

7

140-70-13130

COLLAR (WELDED)

SN: 60001-UP

1шт.

|$12

14X-70-00071

PIVOT ASS'Y

SN: 60001-UP

2шт.

8

0

PIVOT,(WELDED) (KIT)

SN: 60001-UP

1шт.

9

14Y-71-12150

CAP (KIT)

SN: 60001-UP

1шт.

10

01011-82465

BOLT (KIT)

SN: 60001-UP

2шт.

11

01643-32460

WASHER (KIT)

SN: 60001-UP

2шт.

12

130-70-13241

NUT (KIT)

SN: 60001-UP

2шт.

13

14Y-71-22280

SHIM, T=1.0

SN: 60001-UP

20шт.

14

07020-00000

FITTING,GREASE

SN: 60001-UP

2шт.

15

14Z-71-33212

TRUNNION

SN: 60003-UP

2шт.

16

01010-82065

BOLT

SN: 60003-UP

16шт.

17

01643-32060

WASHER

SN: 60003-UP

16шт.

18

14Y-71-33720

STEP

SN: 60003-UP

2шт.

19

01010-81240

BOLT

SN: 60003-UP

8шт.

20

01643-31232

WASHER

SN: 60003-UP

8шт.

|$$23

SERVICE PARTS

-1шт.

8

14X-70-00071

PIVOT ASS'Y

SN: 60003-UP

1шт.

8

0

PIVOT,(WELDED)

SN: 60003-UP

1шт.

9

14Y-71-12150

CAP

SN: 60003-UP

1шт.

10

01011-82465

BOLT

SN: 60003-UP

2шт.

11

01643-32460

WASHER

SN: 60003-UP

2шт.

12

130-70-13241

NUT

SN: 60003-UP

2шт.

13

14Y-71-22280

SHIM, T=1.0

SN: 60003-UP

20шт.

Выбрано товаров: 30