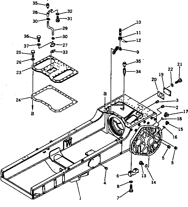
Запчасти Komatsu D70LE-8 КОРПУС БЛОКА УПРАВЛЕНИЯ ПОВОРОТОМ И ОСНОВНАЯ РАМА(№-7) ОСНОВН. МУФТА ТРАНСМИССИЯ¤ РУЛЕВ. УПРАВЛЕНИЕ И КОНЕЧНАЯ ПЕРЕДАЧА

Схема запчастей Komatsu D70LE-8 - КОРПУС БЛОКА УПРАВЛЕНИЯ ПОВОРОТОМ И ОСНОВНАЯ РАМА(№-7) ОСНОВН. МУФТА ТРАНСМИССИЯ¤ РУЛЕВ. УПРАВЛЕНИЕ И КОНЕЧНАЯ ПЕРЕДАЧА
FIT
1:1
100%

Артикул

Название

Примечание

Количество

1

144-21-11802

MAIN FRAME ASS'Y

SN: 45200-@

1шт.

2

07049-03342

PLUG

SN: 45200-@

6шт.

3

07049-02430

PLUG

SN: 45200-@

9шт.

4

07049-02025

PLUG

SN: 45200-@

8шт.

5

131-21-41520

PLUG

SN: 45200-@

4шт.

6

141-21-31330

CAP

SN: 45200-@

4шт.

7

01010-52295

BOLT

SN: 45200-@

8шт.

8

01602-22268

WASHER,SPRING

SN: 45200-@

8шт.

9

144-21-12190

CAP

SN: 45200-@

2шт.

10

01123-62200

STUD

SN: 45200-@

4шт.

11

01592-02226

NUT

SN: 45200-@

4шт.

12

04050-05040

PIN,COTTER

SN: 45200-@

4шт.

13

07044-13620

PLUG,DRAIN

SN: 45200-@

4шт.

14

07002-03634

O-RING

SN: 45200-@

4шт.

15

07040-13618

PLUG

SN: 45200-@

2шт.

16

07002-03634

O-RING

SN: 45200-@

2шт.

17

07040-13618

PLUG

SN: 45200-@

1шт.

18

07000-03038

O-RING

SN: 45200-@

1шт.

19

144-21-11950

PLATE

SN: 45200-@

1шт.

20

144-21-11960

GASKET

SN: 45200-@

1шт.

21

01010-51635

BOLT

SN: 45200-@

4шт.

22

01602-21648

WASHER,SPRING

SN: 45200-@

4шт.

23

144-21-11970

COVER

SN: 45200-@

1шт.

24

144-21-11421

GASKET

SN: 45200-@

1шт.

25

01010-51435

BOLT

SN: 45200-@

10шт.

26

01602-21442

WASHER,SPRING

SN: 45200-@

10шт.

27

144-21-11981

FLANGE

SN: 45200-@

1шт.

28

144-21-51210

EXTENSION

SN: 45200-@

1шт.

29

144-21-51220

HOSE

SN: 45200-@

1шт.

30

07281-00289

CLAMP

SN: 45200-@

2шт.

31

01010-51020

BOLT

SN: 45200-@

1шт.

32

01602-21030

WASHER,SPRING

SN: 45200-@

1шт.

33

135-43-31160

GASKET

SN: 45200-@

1шт.

34

154-21-11830

NIPPLE

SN: 45200-46437

2шт.

35

07030-00252

BREATHER

SN: 45200-@

3шт.

36

01010-51025

BOLT

SN: 45200-@

2шт.

37

01602-21030

WASHER,SPRING

SN: 45200-@

2шт.

Выбрано товаров: 37