Запчасти Komatsu D70LE-8 ТОПЛИВН. БАК. (ДЛЯ MALAYSIA) КОМПОНЕНТЫ ДВИГАТЕЛЯ И ЭЛЕКТРИКА

Схема запчастей Komatsu D70LE-8 - ТОПЛИВН. БАК. (ДЛЯ MALAYSIA) КОМПОНЕНТЫ ДВИГАТЕЛЯ И ЭЛЕКТРИКА
FIT
1:1
100%

Артикул

Название

Примечание

Количество

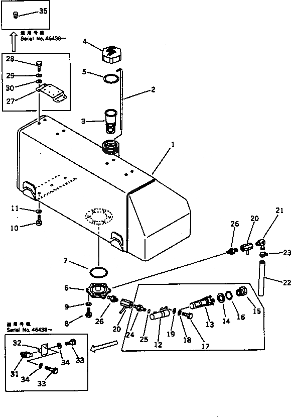
1

144-04-51180

TANK

SN: 45200-UP

1шт.

2

144-04-12310

GAUGE

SN: 45200-UP

1шт.

3

07056-18416

STRAINER

SN: 45200-UP

1шт.

4

07050-41200

CAP

SN: 45200-UP

1шт.

5

07050-21202

GASKET

SN: 45200-UP

1шт.

6

141-04-33110

FLANGE

SN: 45200-UP

1шт.

7

07000-02135

O-RING

SN: 45200-UP

1шт.

8

01010-51025

BOLT

SN: 45200-UP

6шт.

9

01602-21030

WASHER,SPRING

SN: 45200-UP

6шт.

10

01010-31435

BOLT

SN: 45200-UP

6шт.

11

01602-01442

WASHER,SPRING

SN: 45200-UP

6шт.

|$11

144-04-00560

STRAINER ASS'Y

SN: 45200-46437

1шт.

12

0

CASE

SN: 45200-46437

1шт.

13

07058-00005

ELEMENT

SN: 45200-46437

1шт.

14

07058-00006

RING

SN: 45200-46437

1шт.

15

07058-00007

PLUG

SN: 45200-46437

1шт.

16

07002-04234

O-RING

SN: 45200-46437

1шт.

17

01010-31030

BOLT

SN: 45200-46437

2шт.

18

01602-01030

WASHER,SPRING

SN: 45200-46437

2шт.

19

01643-31032

WASHER

SN: 45200-46437

2шт.

20

07700-40460

VALVE

SN: 45200-UP

2шт.

21

131-04-54130

ELBOW

SN: 45200-UP

1шт.

22

07270-01260

TUBE

SN: 45200-UP

1шт.

23

07280-01620

CLAMP

SN: 45200-UP

1шт.

24

135-04-13151

NIPPLE

SN: 45200-46437

1шт.

25

07000-02015

O-RING

SN: 45200-46437

1шт.

26

131-04-54120

NIPPLE

SN: 45200-UP

2шт.

27

120-04-31141

BRACKET

SN: 45200-46437

1шт.

28

01010-51025

BOLT

SN: 45200-46437

4шт.

29

01602-21236

WASHER,SPRING

SN: 45200-46437

4шт.

30

01643-31032

WASHER

SN: 45200-46437

4шт.

31

144-04-51140

ELBOW

SN: 46438-UP

1шт.

32

144-04-51170

BRACKET

SN: 46438-UP

1шт.

33

01010-51025

BOLT

SN: 46438-UP

3шт.

34

01643-31032

WASHER

SN: 46438-UP

3шт.

35

07049-01012

PLUG

SN: 46438-UP

8шт.

Выбрано товаров: 36