Запчасти Komatsu D75A-1 МАРКИРОВКА (АНГЛ.) МАРКИРОВКА¤ ИНСТРУМЕНТ И РЕМКОМПЛЕКТЫ

Схема запчастей Komatsu D75A-1 - МАРКИРОВКА (АНГЛ.) МАРКИРОВКА¤ ИНСТРУМЕНТ И РЕМКОМПЛЕКТЫ
FIT
1:1
100%

Артикул

Название

Примечание

Количество

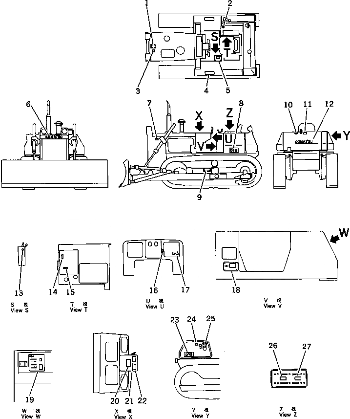
1

09650-30101

PLATE, INSTRUCTION,RADIATOR WATER LEVEL

SN: 50001-UP

1шт.

2

09670-00001

PLATE, OPERATING,(FOR ANGLE DOZER)

SN: 50001-UP

1шт.

2

09670-00004

PLATE, OPERATING,(FOR STRAIGHT TILT DOZER)

SN: 50001-UP

1шт.

3

09668-03000

PLATE, SAFETY,RADIATOR CAP

SN: 50001-UP

1шт.

4

120-54-32451

SHEET,ANTISKID

SN: 50001-UP

2шт.

5

144-54-25270

PLATE, OPERATING,TRANSMISSION CONTROL LEVER

SN: 50001-UP

1шт.

5

04418-03060

SCREW

SN: 50001-UP

6шт.

6

09690-B0280

PLATE, MARK,KOMATSU

SN: 50329-UP

1шт.

6

0

PLATE, MARK,KOMATSU

SN: 50195-50328

1шт.

6

0

PLATE, MARK,KOMATSU

SN: 50001-50194

1шт.

7

09667-03000

PLATE, SAFETY,ENGINE COVER

SN: 50001-UP

2шт.

8

144-54-18240

PLATE, MARK,D75A

SN: 50329-UP

1шт.

8

0

PLATE, MARK,D75A

SN: 50001-50328

1шт.

9

09657-03010

PLATE, SAFETY,TRACK SHOE ADJUSTING

SN: 50001-UP

2шт.

10

09652-30101

PLATE, CAUTION,FUEL TANK

SN: 50001-UP

1шт.

11

09656-30080

PLATE, INSTRUCTION,FUEL TANK STRAINER

SN: 50001-UP

1шт.

12

09690-B0400

PLATE, MARK,KOMATSU

SN: 50329-UP

1шт.

12

0

PLATE, MARK,KOMATSU

SN: 50195-50328

1шт.

12

0

PLATE, MARK,KOMATSU

SN: 50001-50194

1шт.

13

09685-00002

PLATE, OPERATING,TRANSMISSION LOCK LEVER

SN: 50001-UP

1шт.

14

09685-00001

PLATE, OPERATING,(FOR ANGLE DOZER)

SN: 50001-UP

1шт.

14

120-98-31121

PLATE, OPERATING,(FOR STRAIGHT TILT DOZER)

SN: 50001-UP

1шт.

15

09685-00004

PLATE, OPERATING,BRAKE LOCK LEVER

SN: 50001-UP

1шт.

16

08670-02001

INDICATOR,DUST

SN: 50298-UP

1шт.

16

0

INDICATOR,DUST

SN: 50001-50297

1шт.

17

09683-30060

PLATE, OPERATING,STARTING SWITCH

SN: 50001-UP

1шт.

18

09602-01635

PLATE, NAME,(LIMITED SUPPLY)

SN: 50001-UP

1шт.

18

04418-13060

SCREW

SN: 50001-UP

4шт.

19

144-54-61510

CHART, OIL

SN: 50001-UP

1шт.

20

09654-03000

PLATE, SAFETY,BEFORE AND AFTER OPERATION

SN: 50001-UP

1шт.

21

09173-03000

PLATE, SAFETY,INSPECTION AND MAINTENANCE

SN: 50001-UP

1шт.

22

09651-03000

PLATE, SAFETY,BEFORE OPERATING MACHINE

SN: 50001-UP

1шт.

23

144-54-18240

PLATE, MARK,D75A

SN: 50329-UP

1шт.

23

0

PLATE, MARK,D75A

SN: 50001-50328

1шт.

24

09653-03000

PLATE, SAFETY,HYDRAULIC TANK

SN: 50001-UP

1шт.

25

09655-30120

PLATE, INSTRUCTION,OIL FILTER

SN: 50001-UP

1шт.

26

09664-30081

PLATE, SAFETY,BATTERY HANDLING

SN: 50001-UP

2шт.

27

09664-30068

PLATE, INSTRUCTION,BATTERY

SN: 50001-UP

2шт.

Выбрано товаров: 38