Запчасти Komatsu D75A-1 ТРАНСМИССИЯ СМАЗЫВ. КЛАПАН (ДЛЯ TREE PUSHER) ГИДРОТРАНСФОРМАТОР И TRNSMISSION

Схема запчастей Komatsu D75A-1 - ТРАНСМИССИЯ СМАЗЫВ. КЛАПАН (ДЛЯ TREE PUSHER) ГИДРОТРАНСФОРМАТОР И TRNSMISSION
FIT
1:1
100%

Артикул

Название

Примечание

Количество

|$0

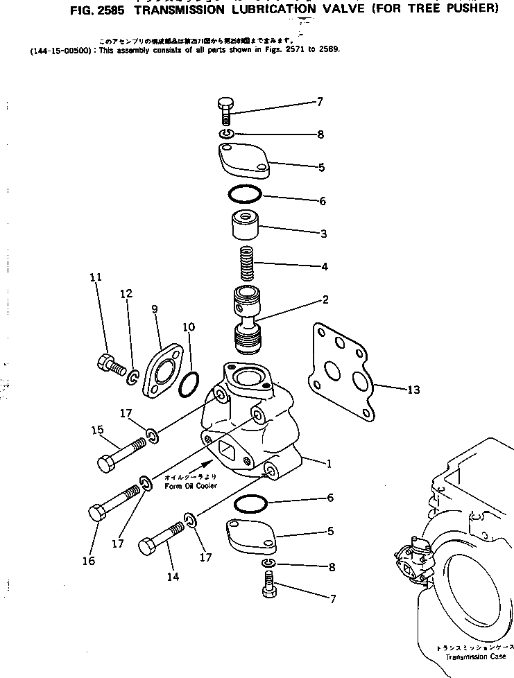
144-15-00500

TRANSMISSION ASS'Y

SN: 50001-UP

1шт.

|$1

145-15-00180

VALVE ASS'Y

SN: 50001-UP

1шт.

1

0

BODY

SN: 50001-UP

1шт.

2

144-15-14130

VALVE

SN: 50001-UP

1шт.

3

175-15-14140

GUIDE

SN: 50001-UP

1шт.

4

145-15-44160

SPRING

SN: 50001-UP

1шт.

5

154-15-14150

COVER

SN: 50001-UP

2шт.

6

07000-73032

O-RING (K16)

SN: 50001-UP

2шт.

7

01010-50825

BOLT

SN: 50001-UP

4шт.

8

01602-20825

WASHER,SPRING

SN: 50001-UP

4шт.

9

144-15-14150

COVER

SN: 50001-UP

1шт.

10

07000-73025

O-RING (K16)

SN: 50001-UP

1шт.

11

01010-51025

BOLT

SN: 50001-UP

2шт.

12

01602-21030

WASHER,SPRING

SN: 50001-UP

2шт.

13

154-15-14160

GASKET (K16)

SN: 50001-UP

1шт.

14

01010-51055

BOLT

SN: 50001-UP

2шт.

15

01010-51060

BOLT

SN: 50001-UP

1шт.

16

01010-51065

BOLT

SN: 50001-UP

1шт.

17

01602-21030

WASHER,SPRING

SN: 50001-UP

4шт.

Выбрано товаров: 19